电脑桌面
添加小米粒文库到电脑桌面
安装后可以在桌面快捷访问

机制工艺简答题及标准答案VIP免费

机制工艺简答题及标准答案_第1页
1/24
机制工艺简答题及标准答案_第2页
2/24
机制工艺简答题及标准答案_第3页
3/24
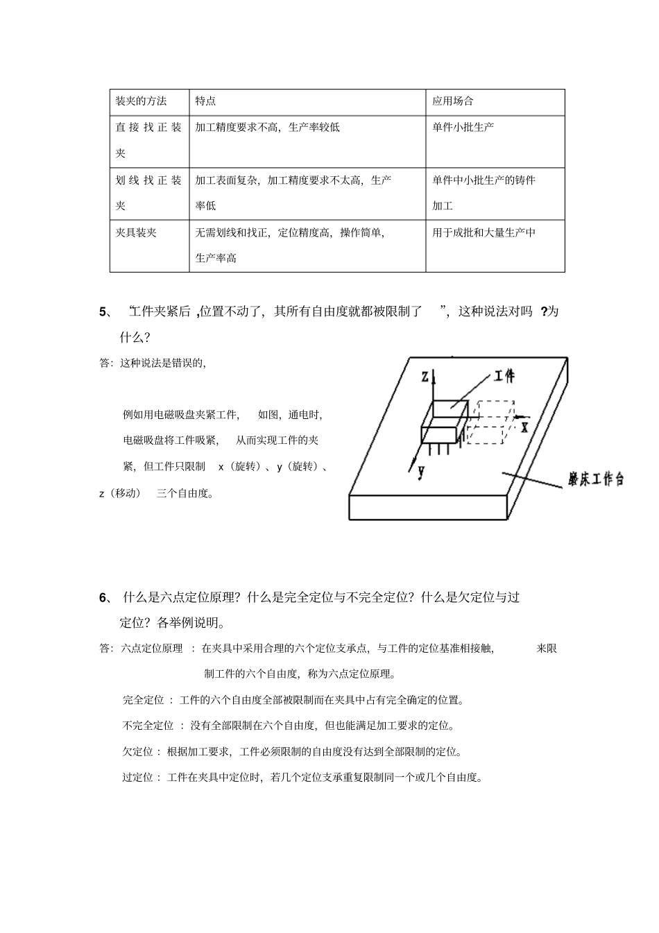
机械制造工艺学(上)思考题及参考答案1、什么叫生产过程,工艺过程,工艺规程?答: 生产过程 :从原材料变成成品的劳动过程的总和。工艺过程 :在生产过程中,直接改变生产对象的形状、尺寸、性能及相对位置关系的过程。工艺规程 :在具体生产条件下,将最合理的或较合理的工艺过程,用文字按规定的表格形式写成的工艺文件。2、某机床厂年产CA6140 卧式车床 2000 台,已知机床主轴的备品率为15% ,机械加工废品率为5% 。试计算主轴的年生产纲领,并说明属于何种生产类型,工艺过程有何特点?若一年工作日为280 天,试计算每月 (按 22 天计算 )的生产批量。解:生产纲领公式N=Qn(1+ α )(1+β )=12000(1+15%)(1+5%) =2415 台/ 年查表属于成批生产, 生产批量计算 : 241522189.75280NAnF( 件) 3、 结合具体实例,说明什么是基准、设计基准、工艺基准、工序基准、定位基准、测量基准、装配基准。答:基准:是用来确定生产对象的点或面,包括设计基准和工艺基准,设计基准: 在零件图上标注设计尺寸所采用的基准。工艺基准: 在零件的工艺过程中所采用的基准叫做工艺基准。按其场合不同, 可分为工序基准、定位基准、测量基准和装配基准。工序基准 :在工序图中, 用以确定本工序被加工表面加工后的尺寸、形状、位置所采用的基准。定位基准 :加工时,用以确定工件在机床上或夹具中的正确位置;测量基准 :加工中或加工后,测量工件形状尺寸采用的基准;装配基准 :装配时用以确定零件或部件在产品上相对位置所采用的基准。举例:(a)如一阶梯轴零件,Φ 60 外圆的设计基准是Φ 40 外圆的中心线 (b) 如图的工序图中, 加工 Φ D孔,A 为本工序的工序基准4、 工件装夹的含义是什么?在机械加工中有哪几种装夹工件的方法?简述各种装夹方法的特点及应用场合。 (答:工件的装夹包括定位和夹紧。定位的任务, 使工件能够始终在机床或夹具中占有正确的位置;夹紧的任务,这一正确的位置在加工过程中不因切削力、惯性力、 重力的作用而发生改变装夹的方法特点应用场合直 接 找 正 装夹加工精度要求不高,生产率较低单件小批生产划 线 找 正 装夹加工表面复杂,加工精度要求不太高,生产率低单件中小批生产的铸件加工夹具装夹无需划线和找正,定位精度高,操作简单,生产率高用于成批和大量生产中5、 “工件夹紧后 ,位置不动了,其所有自由度就都被限制了”,这种说法对吗 ?为什么?答:这...

1、当您付费下载文档后,您只拥有了使用权限,并不意味着购买了版权,文档只能用于自身使用,不得用于其他商业用途(如 [转卖]进行直接盈利或[编辑后售卖]进行间接盈利)。
2、本站所有内容均由合作方或网友上传,本站不对文档的完整性、权威性及其观点立场正确性做任何保证或承诺!文档内容仅供研究参考,付费前请自行鉴别。
3、如文档内容存在违规,或者侵犯商业秘密、侵犯著作权等,请点击“违规举报”。

碎片内容

机制工艺简答题及标准答案

您可能关注的文档

确认删除?
VIP
微信客服
  • 扫码咨询
会员Q群
  • 会员专属群点击这里加入QQ群
客服邮箱
回到顶部