电脑桌面
添加小米粒文库到电脑桌面
安装后可以在桌面快捷访问

某建筑公司施工企业安全生产评价报告VIP免费

某建筑公司施工企业安全生产评价报告_第1页
1/5
某建筑公司施工企业安全生产评价报告_第2页
2/5
某建筑公司施工企业安全生产评价报告_第3页
3/5
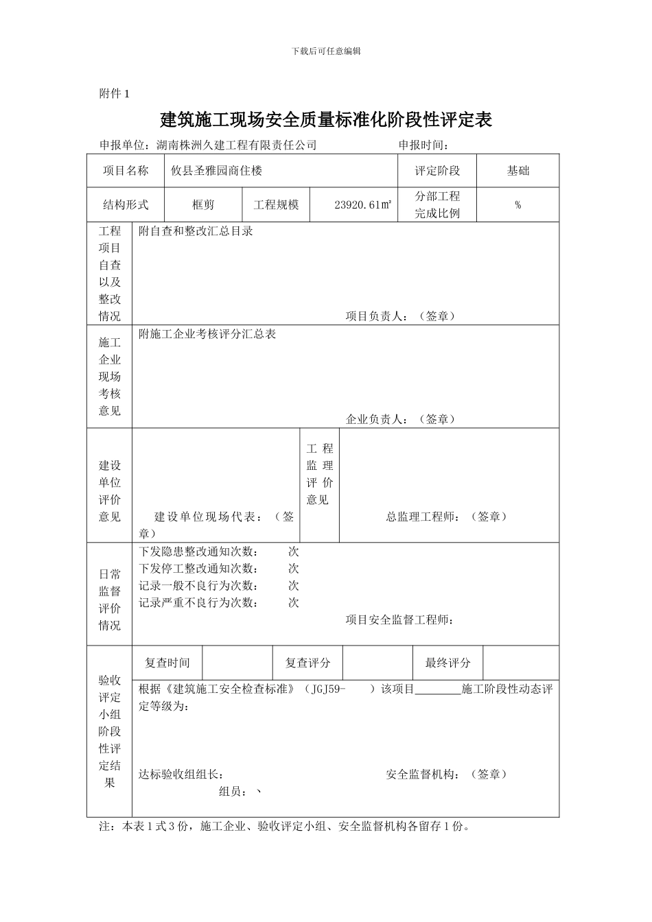
下载后可任意编辑附件 1建筑施工现场安全质量标准化阶段性评定表申报单位:湖南株洲久建工程有限责任公司 申报时间:项目名称攸县圣雅园商住楼评定阶段基础结构形式框剪工程规模23920.61㎡分部工程完成比例%工程项目自查以及整改情况附自查和整改汇总目录 项目负责人:(签章)施工企业现场考核意见附施工企业考核评分汇总表 企业负责人:(签章)建设单位评价意见 建设单位现场代表:(签章)工 程监 理评 价意见 总监理工程师:(签章)日常监督评价情况下发隐患整改通知次数: 次下发停工整改通知次数: 次记录一般不良行为次数: 次记录严重不良行为次数: 次 项目安全监督工程师:验收评定小组阶段性评定结 果复查时间复查评分最终评分根据《建筑施工安全检查标准》(JGJ59- )该项目 施工阶段性动态评定等级为:达标验收组组长: 安全监督机构:(签章) 组员:丶注:本表 1 式 3 份,施工企业、验收评定小组、安全监督机构各留存 1 份。下载后可任意编辑附件 1建筑施工现场安全质量标准化阶段性评定表申报单位:湖南株洲久建工程有限责任公司 申报时间:项目名称攸县东岸新居评定阶段基础结构形式框剪工程规模7862.45㎡分部工程完成比例%工程项目自查以及整改情况附自查和整改汇总目录 项目负责人:(签章)施工企业现场考核意见附施工企业考核评分汇总表 企业负责人:(签章)建设单位评价意见 建设单位现场代表:(签章)工 程监 理评 价意见 总监理工程师:(签章)日常监督评价情况下发隐患整改通知次数: 次下发停工整改通知次数: 次记录一般不良行为次数: 次记录严重不良行为次数: 次 项目安全监督工程师:验收评定小组阶段性评定结 果复查时间复查评分最终评分根据《建筑施工安全检查标准》(JGJ59- )该项目 施工阶段性动态评定等级为:达标验收组组长: 安全监督机构:(签章) 组员:丶下载后可任意编辑注:本表 1 式 3 份,施工企业、验收评定小组、安全监督机构各留存 1 份。 株质安监统编2024 施管-30P2-1工程项目安全生产等级评定申报表工程名称:攸县圣雅园商住楼 302030□□单位(标段)工程名称攸县圣雅园商住楼施工单位湖南株洲久建工程有限责任公司建设单位株洲市润发置业有限公司监理单位攸县建设工程监理有限公司工程规模23920.61㎡结构类型框架结构合同造价层数地上:一十五层 地下:一层开竣工日期年 月 日至 年 月 日监督日期项目经理专职安全员致...

1、当您付费下载文档后,您只拥有了使用权限,并不意味着购买了版权,文档只能用于自身使用,不得用于其他商业用途(如 [转卖]进行直接盈利或[编辑后售卖]进行间接盈利)。
2、本站所有内容均由合作方或网友上传,本站不对文档的完整性、权威性及其观点立场正确性做任何保证或承诺!文档内容仅供研究参考,付费前请自行鉴别。
3、如文档内容存在违规,或者侵犯商业秘密、侵犯著作权等,请点击“违规举报”。

碎片内容

某建筑公司施工企业安全生产评价报告

您可能关注的文档

范哲铺+ 关注
实名认证
内容提供者

想你所想,急你所急,你需要的都在店铺里可以找到。

确认删除?
VIP
微信客服
  • 扫码咨询
会员Q群
  • 会员专属群点击这里加入QQ群
客服邮箱
回到顶部