电脑桌面
添加小米粒文库到电脑桌面
安装后可以在桌面快捷访问

水利水电施工企业安全生产标准化评审标准()VIP专享VIP免费

水利水电施工企业安全生产标准化评审标准()_第1页
1/65
水利水电施工企业安全生产标准化评审标准()_第2页
2/65
水利水电施工企业安全生产标准化评审标准()_第3页
3/65
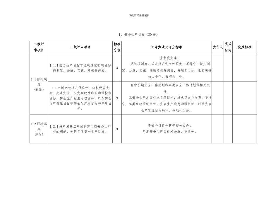
下载后可任意编辑水利水电施工企业安全生产标准化评审标准(试行)说 明一、适用范围:本标准适用于水利水电施工企业开展安全生产标准化等级评定的自评、外部评审等相关工作。二、项目设置:本标准以《企业安全生产标准化基本法律规范》( AQ/T 9006—2024)的核心要求为基础,共设置 13 个一级项目、45 个二级项目和 127 个三级项目。三、分值设置:本标准按 1000 分设置得分点,并实行扣分制。在三级项目内有多个扣分点的,可累计扣分,直到该三级项目标准分值扣完为止,不出现负分。四、得分换算:本标准按百分制设置最终标准化得分,其换算公式如下:评定得分= [各项实际得分之和/(1000-各合理缺项分值之和)]×100,最后得分采纳四舍五入,取整数。1、安全生产目标(30 分)…………………………………………………………………………………………………………………………12、组织机构与职责(50 分)……………………………………………………………………………………………………………………33、安全生产投入(50 分)………………………………………………………………………………………………………………………64、法律法规与安全管理制度(70 分)……………………………………………………………………………………………………95、教育培训(70 分)………………………………………………………………………………………………………………………………156、施工设备管理(120 分)……………………………………………………………………………………………………………………197、施工作业安全(280 分)……………………………………………………………………………………………………………………248、隐患排查和治理(80 分)……………………………………………………………………………………………………………………459、重大危险源监控(80 分)…………………………………………………………………………………………………………………4810、职业健康(60 分)……………………………………………………………………………………………………………………………5111、应急救援(50 分)……………………………………………………………………………………………………………………………5712、事故报告、调查和处理(30 分)…………………………………………………………………………………...

1、当您付费下载文档后,您只拥有了使用权限,并不意味着购买了版权,文档只能用于自身使用,不得用于其他商业用途(如 [转卖]进行直接盈利或[编辑后售卖]进行间接盈利)。
2、本站所有内容均由合作方或网友上传,本站不对文档的完整性、权威性及其观点立场正确性做任何保证或承诺!文档内容仅供研究参考,付费前请自行鉴别。
3、如文档内容存在违规,或者侵犯商业秘密、侵犯著作权等,请点击“违规举报”。

碎片内容

水利水电施工企业安全生产标准化评审标准()

MY shop+ 关注
实名认证
内容提供者

欢迎挑选适合自己的材料。

确认删除?
VIP
微信客服
  • 扫码咨询
会员Q群
  • 会员专属群点击这里加入QQ群
客服邮箱
回到顶部