电脑桌面
添加小米粒文库到电脑桌面
安装后可以在桌面快捷访问

江苏省建筑施工省级文明工地现场安全考核评分表(交通工程)VIP免费

江苏省建筑施工省级文明工地现场安全考核评分表(交通工程)_第1页
1/7
江苏省建筑施工省级文明工地现场安全考核评分表(交通工程)_第2页
2/7
江苏省建筑施工省级文明工地现场安全考核评分表(交通工程)_第3页
3/7
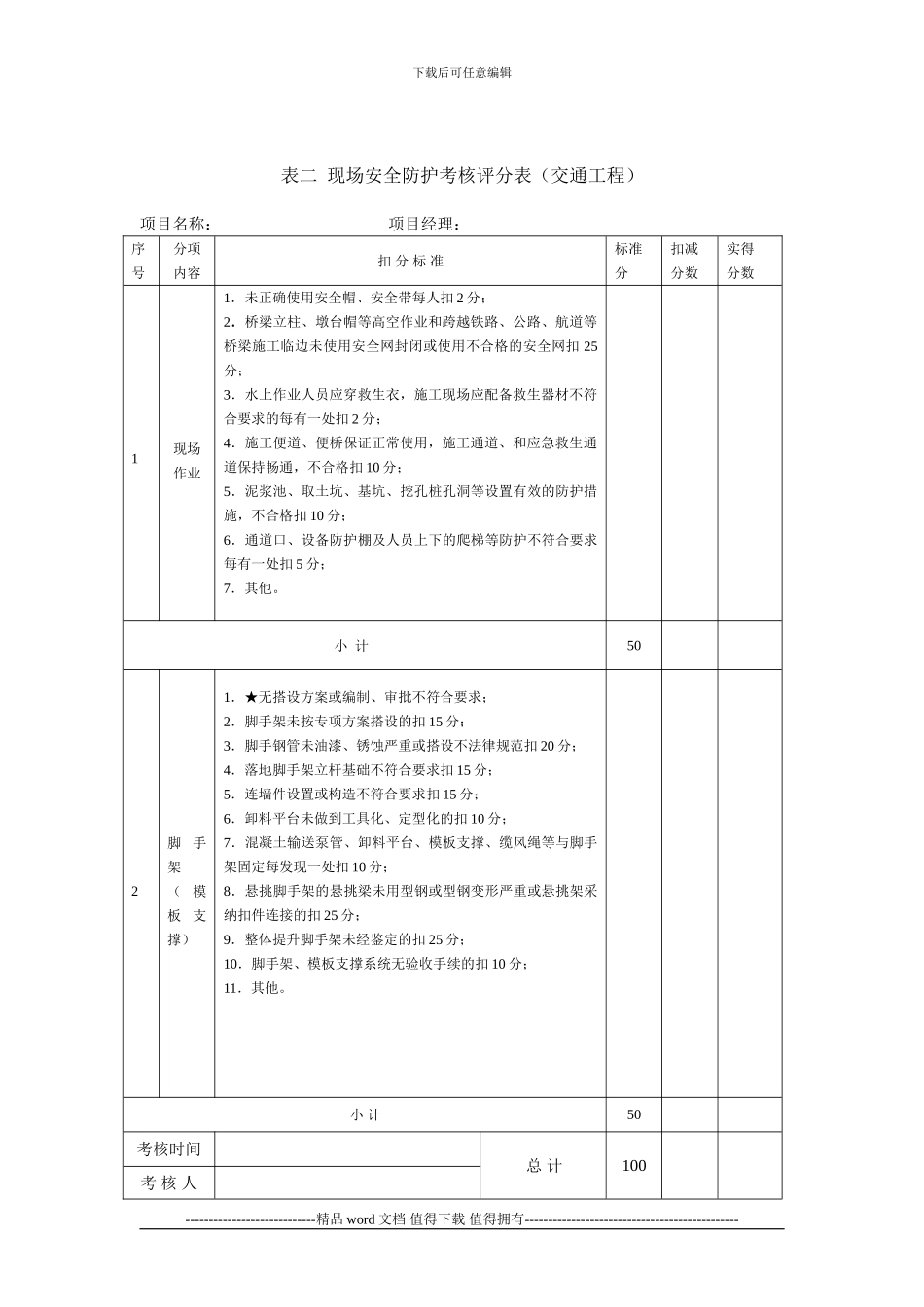
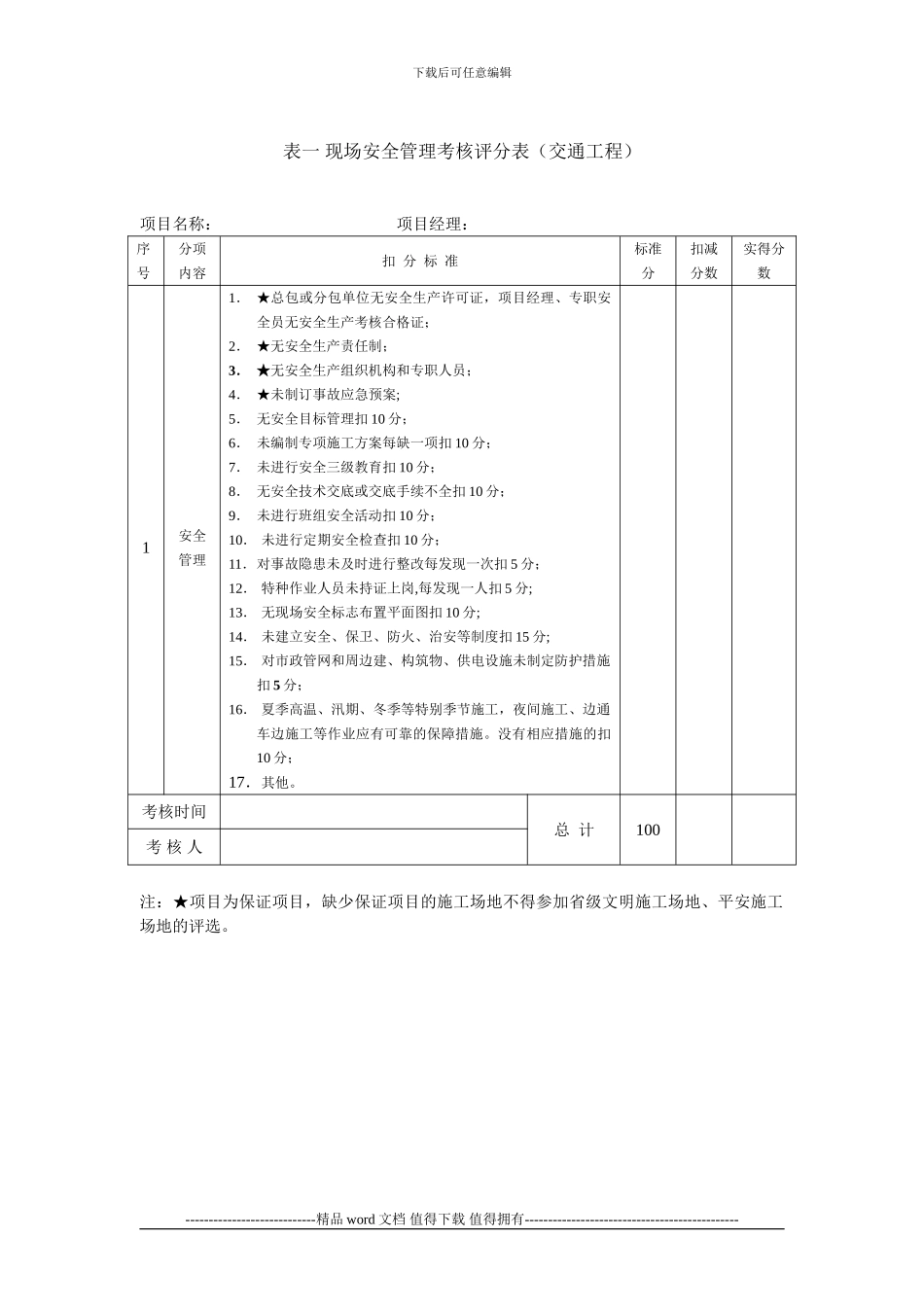
下载后可任意编辑附表 5江苏省省级文明施工场地考核汇总表(交通工程)工程名称工程造价(万元)工程地点路线长度(KM)或桥梁长度(M)申报单位项目经理建设单位形象进度监理单位总监姓名安全管理(20 分)安全防护(15 分)临时用电和机械设备(20 分)文明施工(20分)平安创建(15 分)管理人员安全知识考试(10 分)总计得分:评语:检查组组长(签字)检查组成员(签字)检查时间----------------------------精品 word 文档 值得下载 值得拥有----------------------------------------------下载后可任意编辑表一 现场安全管理考核评分表(交通工程)项目名称: 项目经理:序号分项内容扣 分 标 准标准分扣减分数实得分数1安全管理1. ★总包或分包单位无安全生产许可证,项目经理、专职安全员无安全生产考核合格证;2. ★无安全生产责任制;3. ★无安全生产组织机构和专职人员; 4. ★未制订事故应急预案;5. 无安全目标管理扣 10 分;6. 未编制专项施工方案每缺一项扣 10 分;7. 未进行安全三级教育扣 10 分;8. 无安全技术交底或交底手续不全扣 10 分;9. 未进行班组安全活动扣 10 分;10. 未进行定期安全检查扣 10 分;11.对事故隐患未及时进行整改每发现一次扣 5 分;12. 特种作业人员未持证上岗,每发现一人扣 5 分;13. 无现场安全标志布置平面图扣 10 分;14. 未建立安全、保卫、防火、治安等制度扣 15 分;15. 对市政管网和周边建、构筑物、供电设施未制定防护措施扣 5 分;16. 夏季高温、汛期、冬季等特别季节施工,夜间施工、边通车边施工等作业应有可靠的保障措施。没有相应措施的扣10 分;17.其他。考核时间总 计100考 核 人注:★项目为保证项目,缺少保证项目的施工场地不得参加省级文明施工场地、平安施工场地的评选。----------------------------精品 word 文档 值得下载 值得拥有----------------------------------------------下载后可任意编辑表二 现场安全防护考核评分表(交通工程)项目名称: 项目经理: 序号分项内容扣 分 标 准标准分扣减分数实得分数1现场作业1.未正确使用安全帽、安全带每人扣 2 分;2.桥梁立柱、墩台帽等高空作业和跨越铁路、公路、航道等桥梁施工临边未使用安全网封闭或使用不合格的安全网扣 25分;3.水上作业人员应穿救生衣,施工现场应配备救生器材不符合要求的每有一处扣 2 分;4.施工便道、...

1、当您付费下载文档后,您只拥有了使用权限,并不意味着购买了版权,文档只能用于自身使用,不得用于其他商业用途(如 [转卖]进行直接盈利或[编辑后售卖]进行间接盈利)。
2、本站所有内容均由合作方或网友上传,本站不对文档的完整性、权威性及其观点立场正确性做任何保证或承诺!文档内容仅供研究参考,付费前请自行鉴别。
3、如文档内容存在违规,或者侵犯商业秘密、侵犯著作权等,请点击“违规举报”。

碎片内容

江苏省建筑施工省级文明工地现场安全考核评分表(交通工程)

确认删除?
VIP
微信客服
  • 扫码咨询
会员Q群
  • 会员专属群点击这里加入QQ群
客服邮箱
回到顶部