电脑桌面
添加小米粒文库到电脑桌面
安装后可以在桌面快捷访问

浙江省建设工程施工现场安全管理台帐四四VIP免费

浙江省建设工程施工现场安全管理台帐四四_第1页
1/7
浙江省建设工程施工现场安全管理台帐四四_第2页
2/7
浙江省建设工程施工现场安全管理台帐四四_第3页
3/7
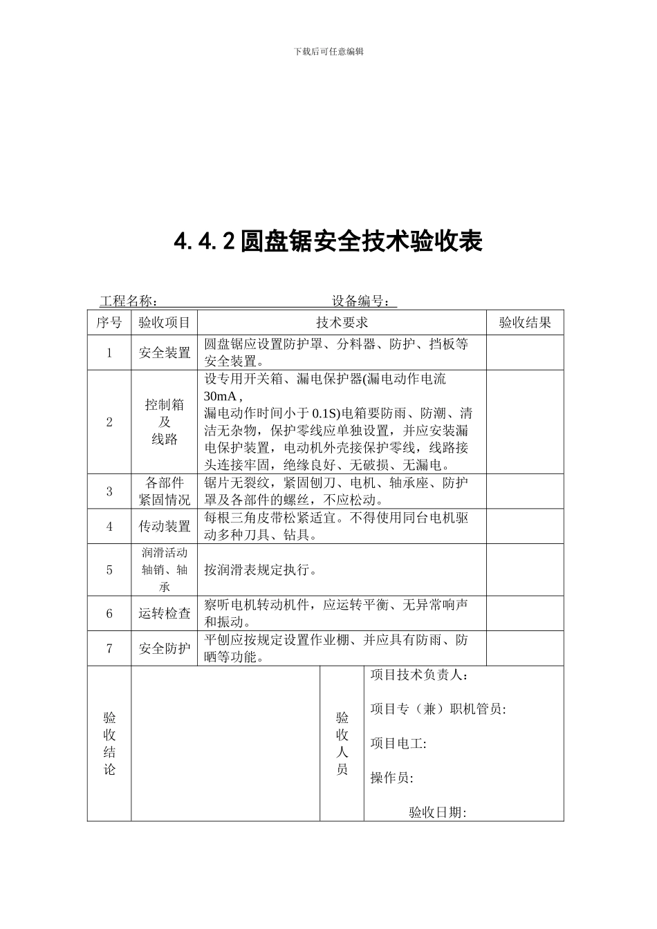
下载后可任意编辑浙江省建设工程施工现场安全管理台帐之四4.施工机械4.4 施工机具工程名称 施工单位 浙 江 省 建 筑 业 管 理 局 编浙江省建筑业行业协会施工安全与设备管理分会下载后可任意编辑4.4.1 平刨机安全技术验收表工程名称: 设备编号: 序号验收项目技术要求验收结果1安全装置平刨传动部位设防护罩,刨机设护手装置并固定牢固,严禁使用多功能木工机械。2控制箱及线路设专用开关箱、漏电保护器(漏电动作电流30mA ,漏电动作时间小于 0.1S)电箱要防雨、防潮、清洁无杂物,保护零线应单独设置,并应安装漏电保护装置,电动机外壳接保护零线,线路接头连接牢固,绝缘良好、无破损、无漏电。3各部件紧固情况刨刀无裂纹,紧固刨刀、电机、轴承座、护手装置、防护罩及各部件的螺丝,不应松动。4传动装置传动皮带或链条松紧应适宜,并有防护装置。不得使用同台电机驱动多种刀具、钻具的多功能木工机具。5润滑活动轴销、轴承按润滑表规定执行。6运转察听电机转动机件应运转平衡、无异常响声和振动。7安全防护平刨应按规定设置作业棚、并应具有防雨、防晒等功能。验收结论验收人员项目技术负责人:项目专(兼)职机管员:项目电工:操作员: 验收日期:下载后可任意编辑4.4.2 圆盘锯安全技术验收表工程名称: 设备编号: 序号验收项目技术要求验收结果1安全装置圆盘锯应设置防护罩、分料器、防护、挡板等安全装置。2控制箱及线路设专用开关箱、漏电保护器(漏电动作电流30mA ,漏电动作时间小于 0.1S)电箱要防雨、防潮、清洁无杂物,保护零线应单独设置,并应安装漏电保护装置,电动机外壳接保护零线,线路接头连接牢固,绝缘良好、无破损、无漏电。3各部件紧固情况锯片无裂纹,紧固刨刀、电机、轴承座、防护罩及各部件的螺丝,不应松动。4传动装置每根三角皮带松紧适宜。不得使用同台电机驱动多种刀具、钻具。5润滑活动轴销、轴承按润滑表规定执行。6运转检查察听电机转动机件,应运转平衡、无异常响声和振动。7安全防护平刨应按规定设置作业棚、并应具有防雨、防晒等功能。验收结论验收人员项目技术负责人:项目专(兼)职机管员:项目电工:操作员: 验收日期:下载后可任意编辑4.4.3 钢筋机械安全技术验收表工程名称: 设备名称: 设备编号: 序号验收项目技术要求验收结果1一般规定机械安装必须坚实牢固,固定式机械应有可靠的基础,室外作业应设防护棚,机旁应有堆放原料、半成品的场地,加工较长钢筋时,应有专人帮扶,并...

1、当您付费下载文档后,您只拥有了使用权限,并不意味着购买了版权,文档只能用于自身使用,不得用于其他商业用途(如 [转卖]进行直接盈利或[编辑后售卖]进行间接盈利)。
2、本站所有内容均由合作方或网友上传,本站不对文档的完整性、权威性及其观点立场正确性做任何保证或承诺!文档内容仅供研究参考,付费前请自行鉴别。
3、如文档内容存在违规,或者侵犯商业秘密、侵犯著作权等,请点击“违规举报”。

碎片内容

浙江省建设工程施工现场安全管理台帐四四

您可能关注的文档

确认删除?
VIP
微信客服
  • 扫码咨询
会员Q群
  • 会员专属群点击这里加入QQ群
客服邮箱
回到顶部