电脑桌面
添加小米粒文库到电脑桌面
安装后可以在桌面快捷访问

机械设计基础期末考试试题+答案解析VIP免费

机械设计基础期末考试试题+答案解析_第1页
1/6
机械设计基础期末考试试题+答案解析_第2页
2/6
机械设计基础期末考试试题+答案解析_第3页
3/6
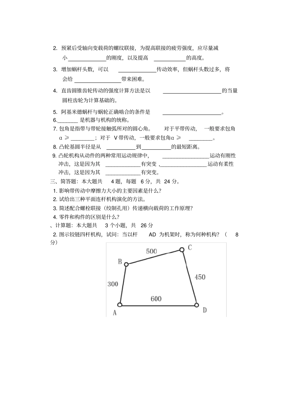
《机械设计基础》一、选择题:1. 我国标准规定,渐开线标准直齿圆柱齿轮分度圆上的压力角应为()度。a)20 b)30 c)60 d)90 2. 渐开线标准直齿圆柱齿轮(正常齿)的齿顶高系数为(),顶隙系数为()。a)1,0.1 b)1,0.2 c)1.2 ,0.2 d)1,0.25 3. 渐开线直齿圆柱齿轮的正确啮合条件是()a)模数相等 b)压力角相等c)模数和压力角分别相等且为标准值 d)a,b,c 都不对4. 用齿条形刀具加工标准直齿圆柱齿轮, 当压力角为20° , 齿顶系数为1 时, 不根切的最少齿数是多少?() a) 15 b)16 c) 17 d)18 5.平面机构自由度的计算公式为()。a)3n-2PL-PH b)3n- PL- PHc)2n- PL -PHd) n- PL- PH6. 构件是机构的基本()单元。a)运动b)制造c)联结d)a)b)c)都不对7. 平面四杆机构的压力角和传动角的关系为()。 a)互为余角 b )互为补角 c ) a,b 都可能 d )a,b 都不可能8. 带传动的最大应力发生在()。 a) 紧边与小轮的切点 b) 紧边 c) 松边 d) 松边与小轮的切点9.V 带的截面形状为()。a)V形 b )梯形c)圆形 d)矩形10. 用范成法切制齿轮时,只要两齿轮(),就可以用同一把滚刀。a) 模数相等 b)压力角相等c) 模数和压力角分别相等d)齿数相等二、填空题:1.闭式硬齿面齿轮传动常按强度设计,然后校核强度。2.预紧后受轴向变载荷的螺纹联接,为提高联接的疲劳强度,应尽量减小的刚度,以及提高的高度。3.增加蜗杆头数,可以传动效率,但蜗杆头数过多,将会给带来困难。4.直齿圆锥齿轮传动的强度计算方法是以的当量圆柱齿轮为计算基础的。5.阿基米德蜗杆与蜗轮正确啮合的条件是。6._______ 是机器与机构的统称。7. 包角是指带与带轮接触弧所对的圆心角。对于平带传动, 一般要求包角α ≥ ________;对于 V 带传动,一般要求包角α ≥________。8. 凸轮基圆半径是从到的最短距离。9. 凸轮机构从动件的两种常用运动规律中,________________运动有刚性冲击,这是因为其____________有突变 ,________________ 运动有柔性冲击,这是因为其____________有突变。三、简答题:本大题共4 题,每题6 分,共 24 分。1. 影响带传动中摩擦力大小的主要因素是什么?2. 试给出三种平面连杆机构演化的方法。3. 简述配合螺栓联接(绞制孔用)传递横向载荷的工作原理?4. 零件和构件的区别是什么?、计算题:本大题共3 个小题,共26 分2. 图...

1、当您付费下载文档后,您只拥有了使用权限,并不意味着购买了版权,文档只能用于自身使用,不得用于其他商业用途(如 [转卖]进行直接盈利或[编辑后售卖]进行间接盈利)。
2、本站所有内容均由合作方或网友上传,本站不对文档的完整性、权威性及其观点立场正确性做任何保证或承诺!文档内容仅供研究参考,付费前请自行鉴别。
3、如文档内容存在违规,或者侵犯商业秘密、侵犯著作权等,请点击“违规举报”。

碎片内容

机械设计基础期末考试试题+答案解析

您可能关注的文档

文库当当响+ 关注
实名认证
内容提供者

该用户很懒,什么也没介绍

确认删除?
VIP
微信客服
  • 扫码咨询
会员Q群
  • 会员专属群点击这里加入QQ群
客服邮箱
回到顶部