电脑桌面
添加小米粒文库到电脑桌面
安装后可以在桌面快捷访问

机械零件的强度VIP免费

机械零件的强度_第1页
1/9
机械零件的强度_第2页
2/9
机械零件的强度_第3页
3/9
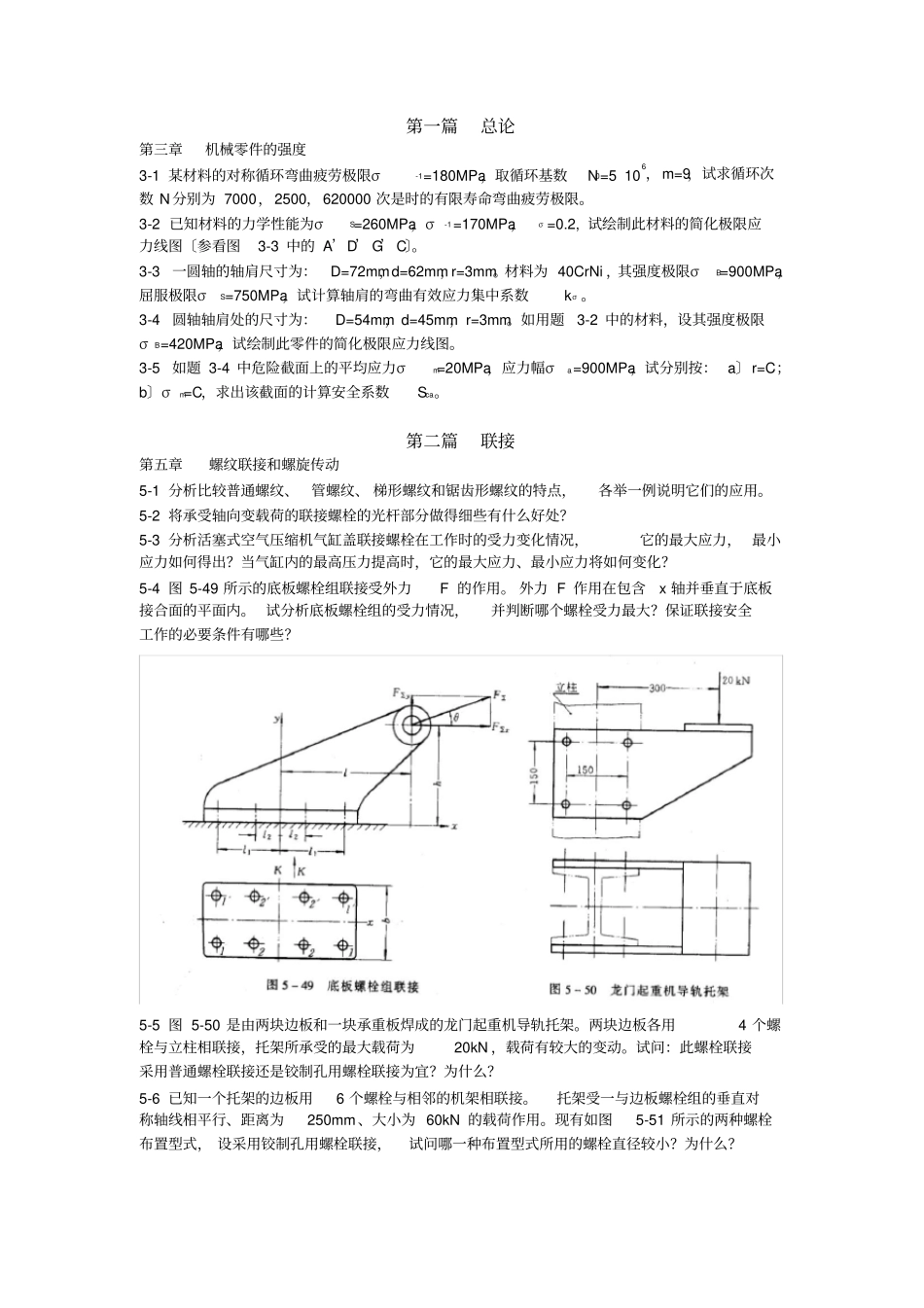
第一篇总论第三章机械零件的强度3-1 某材料的对称循环弯曲疲劳极限σ-1=180MPa,取循环基数N0=5 106,m=9,试求循环次数 N分别为 7000,2500,620000 次是时的有限寿命弯曲疲劳极限。3-2 已知材料的力学性能为σS=260MPa,σ-1=170MPa,σ =0.2, 试绘制此材料的简化极限应力线图〔参看图3-3 中的 A’D’ G’C〕。3-3 一圆轴的轴肩尺寸为:D=72mm,d=62mm,r=3mm。材料为 40CrNi ,其强度极限σB=900MPa,屈服极限σS=750MPa,试计算轴肩的弯曲有效应力集中系数kσ 。3-4 圆轴轴肩处的尺寸为:D=54mm,d=45mm,r=3mm。如用题3-2 中的材料,设其强度极限σB=420MPa,试绘制此零件的简化极限应力线图。3-5 如题 3-4 中危险截面上的平均应力σm=20MPa,应力幅σa=900MPa,试分别按: a〕r=C;b〕σm=C,求出该截面的计算安全系数Sca。第二篇联接第五章螺纹联接和螺旋传动5-1 分析比较普通螺纹、管螺纹、 梯形螺纹和锯齿形螺纹的特点,各举一例说明它们的应用。5-2 将承受轴向变载荷的联接螺栓的光杆部分做得细些有什么好处?5-3 分析活塞式空气压缩机气缸盖联接螺栓在工作时的受力变化情况,它的最大应力, 最小应力如何得出?当气缸内的最高压力提高时,它的最大应力、最小应力将如何变化?5-4 图 5-49 所示的底板螺栓组联接受外力F 的作用。 外力 F 作用在包含x 轴并垂直于底板接合面的平面内。 试分析底板螺栓组的受力情况,并判断哪个螺栓受力最大?保证联接安全工作的必要条件有哪些?5-5 图 5-50 是由两块边板和一块承重板焊成的龙门起重机导轨托架。两块边板各用4 个螺栓与立柱相联接,托架所承受的最大载荷为20kN ,载荷有较大的变动。试问:此螺栓联接采用普通螺栓联接还是铰制孔用螺栓联接为宜?为什么?5-6 已知一个托架的边板用6 个螺栓与相邻的机架相联接。托架受一与边板螺栓组的垂直对称轴线相平行、距离为250mm、大小为 60kN 的载荷作用。现有如图5-51 所示的两种螺栓布置型式, 设采用铰制孔用螺栓联接,试问哪一种布置型式所用的螺栓直径较小?为什么?5-7 图 5-52 所示为一拉杆螺栓联接。已知拉杆所受的载荷F=56kN ,载荷稳定,拉杆材料为Q235 钢,试设计此联接。5-8 两块金属板用两个M12 的普通螺栓联接。假设结合面的摩擦系数f=0.3 ,螺栓预紧力控制在其屈服极限的70%。螺栓用性能等级为4.8 的中碳钢制造 ,求此联接所能传递的横向载荷。5-9 受轴向载荷的紧螺栓联接,被...

1、当您付费下载文档后,您只拥有了使用权限,并不意味着购买了版权,文档只能用于自身使用,不得用于其他商业用途(如 [转卖]进行直接盈利或[编辑后售卖]进行间接盈利)。
2、本站所有内容均由合作方或网友上传,本站不对文档的完整性、权威性及其观点立场正确性做任何保证或承诺!文档内容仅供研究参考,付费前请自行鉴别。
3、如文档内容存在违规,或者侵犯商业秘密、侵犯著作权等,请点击“违规举报”。

碎片内容

机械零件的强度

文库当当响+ 关注
实名认证
内容提供者

该用户很懒,什么也没介绍

确认删除?
VIP
微信客服
  • 扫码咨询
会员Q群
  • 会员专属群点击这里加入QQ群
客服邮箱
回到顶部