电脑桌面
添加小米粒文库到电脑桌面
安装后可以在桌面快捷访问

杏花岭区突出问题督办企业查处整改情况VIP免费

杏花岭区突出问题督办企业查处整改情况_第1页
1/5
杏花岭区突出问题督办企业查处整改情况_第2页
2/5
杏花岭区突出问题督办企业查处整改情况_第3页
3/5
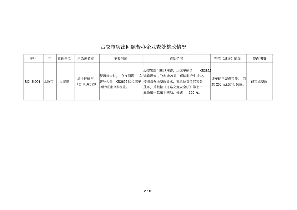
1 / 13 杏花岭区突出问题督办企业查处整改情况序号市责任单位污染源名称主要问题查处情况整改(进展)情况整改期限SX-15-020 太原市杏花岭区太原市杏花岭区金昌砖厂现场检查时,企业正常生产,存在问题1、厂区内设置两个筛分区,未做到全封闭且没有任何污染设施; 2、厂区内堆放大量钢渣原料,没有入原料库,且大面积未采取苫盖。3、生产车间也未按照环评要求安装布袋除尘。1 月 2 日下午,环保分局执法人员于到达现场进行了核实,现场对企业实施停产,并提出整改要求:立即停止筛分等所有产生扬尘污染的作业;对厂区内堆放的钢渣等原料立即组织苫盖;污染防治设施未建成并未经验收前,不得擅自恢复生产。企业已落实物料苫盖要求,从1 月 2 日停产至今未擅自复产。环保监察执法人员将密切关注企业生产和整改措施落实情况,确保企业消除污染,整改到位。已完成整改SX-15-021 太原市杏花岭区原双良水泥拆迁工地现场检查时,该工地正在施工,存在问题: 1、未按照重污染天气应急预案橙色预警要求,停土石方作业。 2、该拆迁工地未设置任何抑制扬尘的措施。涧河街办现场对该处施工工地实施停产,并提出整改要求。前期该处拆迁工地曾进行绿网苫盖,绿网破损。涧河街办对原双良水泥厂拆迁工地的裸露地面和料堆再次进行绿网苫盖, 对道路上积存的灰土进行了清理。已完成整改2 / 13 古交市突出问题督办企业查处整改情况序号市责任单位污染源名称主要问题查处情况整改(进展)情况整改期限SX-15-001 太原市古交市渣土运输车(晋 KS2622)现场检查时, 存在问题: 车牌号为晋KS2622 的拉煤车辆行驶途中未覆盖。经交警部门现场核查,运煤车辆晋KS2622运输煤炭 , 物料未苫盖,运输时产生扬尘。按照督办函整改要求,我单位责令其苫盖蓬布,并根据《道路交通安全法》第七十五条第一款第十四项,处罚200 元。该车辆已完成苫盖, 罚款 200 元已执行到位。已完成整改3 / 13 清徐县突出问题督办企业查处整改情况序号市责任单位污染源名称主要问题查处情况整改(进展)情况整改期限SX-15-005 太原市清徐县三晋清源酒业有限公司对面物料堆场现场检查时,存在问题:太原市清徐县三晋清源酒业有限公司对面物料堆场堆放大量物料土堆,覆盖率低,渣土运输车未覆盖。经清源镇工作人员现场核查,存在物料堆场堆放大量物料土堆,覆盖率低,渣土运输车未覆盖问题,按照督办函整改要求,我单位立即并对该堆场进行再次严密苫盖,责令渣土运输车...

1、当您付费下载文档后,您只拥有了使用权限,并不意味着购买了版权,文档只能用于自身使用,不得用于其他商业用途(如 [转卖]进行直接盈利或[编辑后售卖]进行间接盈利)。
2、本站所有内容均由合作方或网友上传,本站不对文档的完整性、权威性及其观点立场正确性做任何保证或承诺!文档内容仅供研究参考,付费前请自行鉴别。
3、如文档内容存在违规,或者侵犯商业秘密、侵犯著作权等,请点击“违规举报”。

碎片内容

杏花岭区突出问题督办企业查处整改情况

确认删除?
VIP
微信客服
  • 扫码咨询
会员Q群
  • 会员专属群点击这里加入QQ群
客服邮箱
回到顶部