电脑桌面
添加小米粒文库到电脑桌面
安装后可以在桌面快捷访问

某公司建立体系管理规划VIP免费

某公司建立体系管理规划_第1页
1/8
某公司建立体系管理规划_第2页
2/8
某公司建立体系管理规划_第3页
3/8
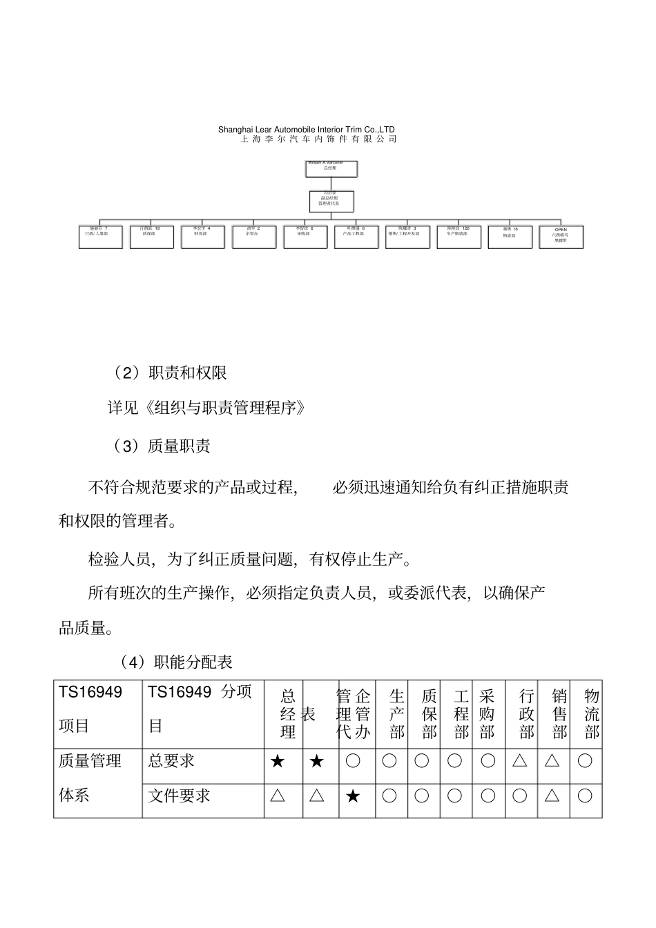
1. 管理承诺最高管理者在质量体系的建立、实施和改进中具有领导作用。在建立和改进公司的管理体系中, 公司的最高管理者必须做到: (1) 及时向公司的全体员工传达满足顾客和法律、法规要求的重要性。(2) 制定适合公司发展的方针和目标。(3) 定期进行管理评审。评价公司管理体系的适宜性、充分性和有效性,并提出改进要求。(4) 确保可获得与建立和改进管理体系有关的必要的资源。(5) 评审产品实现过程和支持过程,以确保它们的有效性和效率。(6) 过程效率最高 管 理 者 必 须 评 审 产 品 实 现 过 程 和 支 持过 程 , 以 确 保 它 们 的 有 效 性 和 效 率 。2. 以顾客为关注焦点本公司的最高管理者要以实现顾客满意为目标,确保识别顾客明确的或隐含的需求和期望,包括组织应尽的与产品有关的责任或义务及法律法规方面的要求。确保将这些需求转化为组织的明确要求并通过管理体系的运行得以实现。见《客户满意度控制程序》。3. 质量方针见 TSM-003 :本公司的质量方针。4. 策划4.1. 质量目标最高管理者必须确定在组织的相关职能和各层次上的质量目标和衡量方法,公司的质量目标和衡量方法必须包含在业务计划中,且与质量方针保持一致。质量目标应包括满足产品要求所需的内容,并且考虑顾客期望。公司的质量目标应在规定的期限内达到,并不断更新提高。见TSM003 :本公司质量目标。4.2. 管理体系策划为了实现质量目标,公司的最高管理者必须进行质量策划,以确保对实现质量目标所需的过程和资源加以识别和策划。质量策划必须包括:(1) 对实现公司质量目标所需的管理体系的过程加以识别,规定和控制。确定为实现全部质量目标所需要的资源。(2) 对管理体系进行持续的改进。在对管理体系的更改进行策划和实施时,保持质量体系的完整性。编制质量计划是质量策划的一部分。5. 职责、权限和沟通5.1. 职责和权限最高管理者应确保组织内的职责、权限及其相互关系得到规定和沟通。(1)组织机构图Shanghai Lear Automobile Interior Trim Co.,LTD上 海 李 尔 汽 车 内 饰 件 有 限 公 司施丽芬 7行政/ 人事部汪荫跃 18质保部李宏宇 4财务部俞军 2企管办李智钦 6采购部叶群盛 6产品工程部陈耀青 3销售/ 工程开发部陈明良 126生产制造部秦勇 16物流部OPEN六西格马黑腰带冯启泰副总经理管理者代表William A.Varconie总经理(2)职责和权限详见《组织与职责管理...

1、当您付费下载文档后,您只拥有了使用权限,并不意味着购买了版权,文档只能用于自身使用,不得用于其他商业用途(如 [转卖]进行直接盈利或[编辑后售卖]进行间接盈利)。
2、本站所有内容均由合作方或网友上传,本站不对文档的完整性、权威性及其观点立场正确性做任何保证或承诺!文档内容仅供研究参考,付费前请自行鉴别。
3、如文档内容存在违规,或者侵犯商业秘密、侵犯著作权等,请点击“违规举报”。

碎片内容

某公司建立体系管理规划

您可能关注的文档

确认删除?
VIP
微信客服
  • 扫码咨询
会员Q群
  • 会员专属群点击这里加入QQ群
客服邮箱
回到顶部