电脑桌面
添加小米粒文库到电脑桌面
安装后可以在桌面快捷访问

湖北省蕲春县竹瓦村道路、排水工程监理规划VIP免费

湖北省蕲春县竹瓦村道路、排水工程监理规划_第1页
1/36
湖北省蕲春县竹瓦村道路、排水工程监理规划_第2页
2/36
湖北省蕲春县竹瓦村道路、排水工程监理规划_第3页
3/36
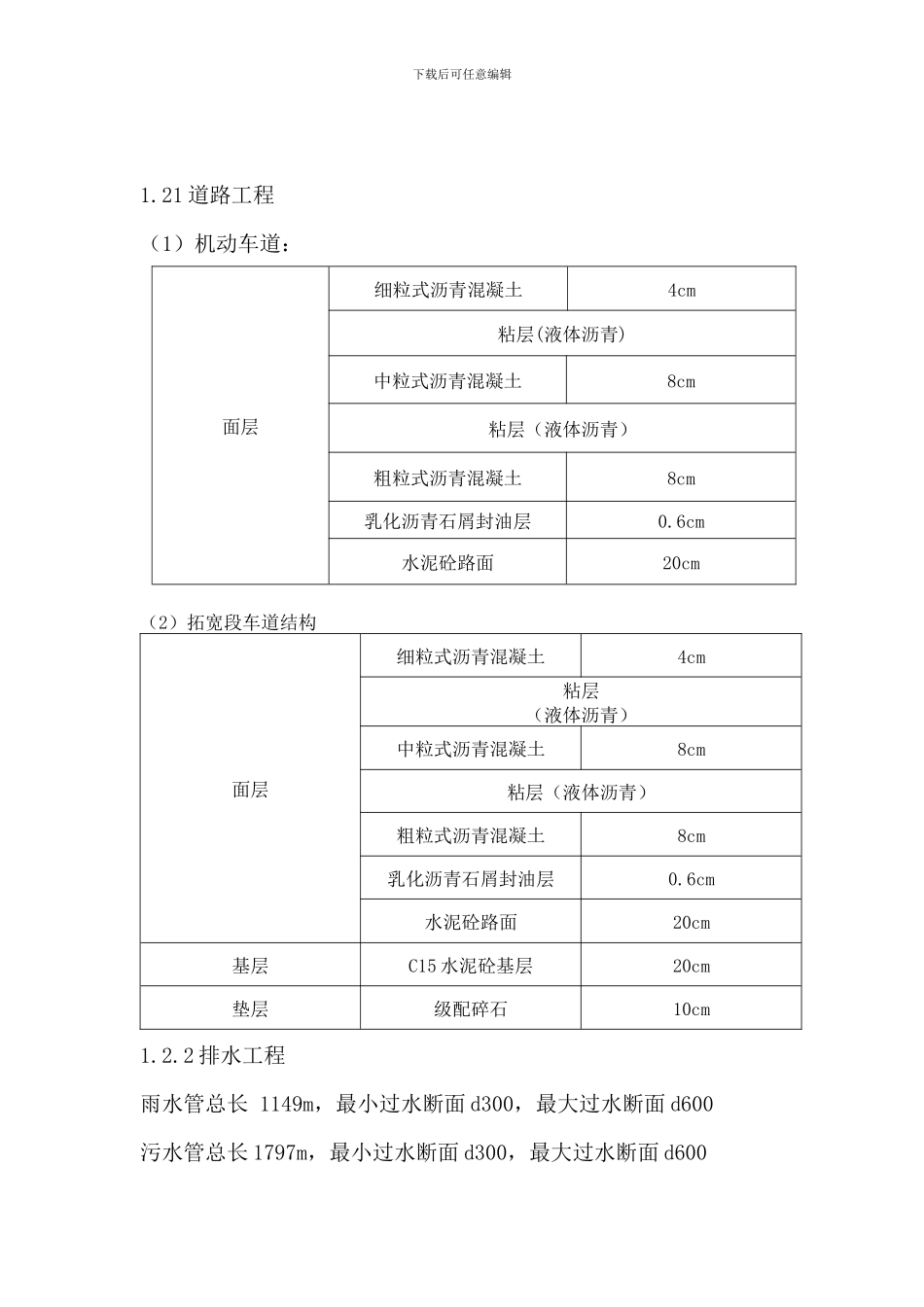
下载后可任意编辑受蕲春县赤东镇人民政府的委托,我公司对我公司对该工程进行施工阶段的监理。为了有计划、有步骤、有目标地对该工程实行科学、公正、公平的管理,协助业主实现项目目标,提高建设投资效益和社会效益,同时也为了指导我项目监理部更好地全面地开展监理工作,特制定此监理规划。一、工程概况:工程名称:湖北省蕲春县竹瓦村道路、排水工程建设地点:蕲春县竹瓦村建设单位:蕲春县赤东镇人民政府设计单位:武汉理工大设计讨论有限公司监理单位:鄂州市工程建设监理公司施工单位:湖北蕲春通兴路桥公司计划工期:以施工合同为准,总工期 180 日历天1.1 工程特点:本工程位于蕲春竹瓦村内,是竹瓦村主要通道。设计道路总长为 2053.53 米,路幅宽 18-22 米,道路全线为扩建工程。施工范围包括道路、排水、路灯照明、绿化工程、交通设施及其它附属设施。道路等级为城市支路,设计车速 30km/h,路槽底面土基设计回弹模量 30MPa。1.2 工程项目组成及建设规模下载后可任意编辑1.21 道路工程(1)机动车道:面层细粒式沥青混凝土4cm粘层(液体沥青)中粒式沥青混凝土8cm粘层(液体沥青)粗粒式沥青混凝土8cm乳化沥青石屑封油层0.6cm水泥砼路面20cm(2)拓宽段车道结构面层细粒式沥青混凝土4cm粘层(液体沥青)中粒式沥青混凝土8cm粘层(液体沥青)粗粒式沥青混凝土8cm乳化沥青石屑封油层0.6cm水泥砼路面20cm基层C15 水泥砼基层20cm垫层级配碎石10cm1.2.2 排水工程雨水管总长 1149m,最小过水断面 d300,最大过水断面 d600污水管总长 1797m,最小过水断面 d300,最大过水断面 d600下载后可任意编辑二、监理的工作范围:施工阶段的监理三、监理的工作内容:三控一管一协调四、监理工作目标:工期目标:2024.07.09——2024.01.20质量目标: 合格工程投资目标:1800 万元五、监理工作依据:1.相应的法律、法规;2.监理合同; 3.施工合同;4.地质勘测报告; 5.设计图纸; 6.施工法律规范及验评标准; 7.其它。 六、项目监理机构的组织形式(见下图)总监理工程师投资控制质量控制进度控制合同管理下载后可任意编辑七、项目监理机构的人员配备计划驻 现 场 监 理 人 员 构 成序号姓 名性别年龄专 业职 称拟任职务1周剑明男49市政高级工程师总 监2何 源男22市政专业监理监理员3陈光文男51工民建工程师监理工程师八、项目监理机构的人员岗位职责(一)总监理工程师的职责1.确定项目监理机构人员的分工和岗位职责;...

1、当您付费下载文档后,您只拥有了使用权限,并不意味着购买了版权,文档只能用于自身使用,不得用于其他商业用途(如 [转卖]进行直接盈利或[编辑后售卖]进行间接盈利)。
2、本站所有内容均由合作方或网友上传,本站不对文档的完整性、权威性及其观点立场正确性做任何保证或承诺!文档内容仅供研究参考,付费前请自行鉴别。
3、如文档内容存在违规,或者侵犯商业秘密、侵犯著作权等,请点击“违规举报”。

碎片内容

湖北省蕲春县竹瓦村道路、排水工程监理规划

确认删除?
VIP
微信客服
  • 扫码咨询
会员Q群
  • 会员专属群点击这里加入QQ群
客服邮箱
回到顶部