电脑桌面
添加小米粒文库到电脑桌面
安装后可以在桌面快捷访问

纸坊隧道进口施工临时用电专项方案VIP免费

纸坊隧道进口施工临时用电专项方案_第1页
1/18
纸坊隧道进口施工临时用电专项方案_第2页
2/18
纸坊隧道进口施工临时用电专项方案_第3页
3/18
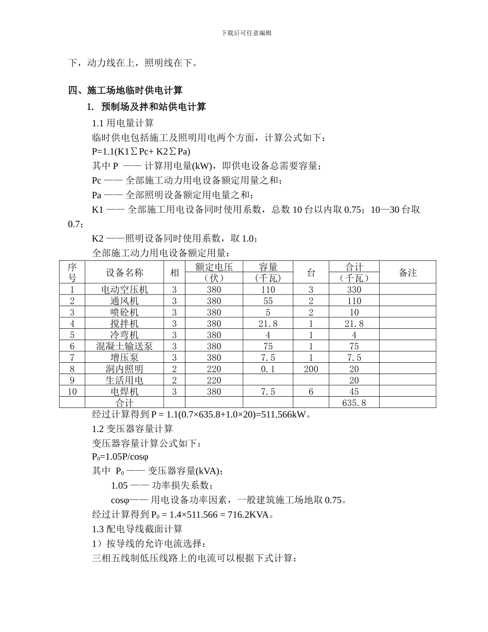
下载后可任意编辑新建铁路兰州至重庆线夏官营至广元段 LYS-3 标纸坊隧道进口施工临时用电专项方案编写: 审核: 批准: 中铁七局兰渝铁路 LYS-3 标工程指挥部二〇一二年三月九日下载后可任意编辑纸坊隧道进口施工临时用电专项方案一、编制依据 《低压配电设计法律规范》GB50054-95中国建筑工业出版社 《建筑工程施工现场供电安全法律规范》GB50194-93中国建筑工业出版社 《通用用电设备配电设计法律规范》GB50055-93中国建筑工业出版社 《供配电系统设计法律规范》GB50052-95中国建筑工业出版社《施工现场临时用电安全技术法律规范》JGJ46-2024 中国建筑工业出版社二、工程概况纸坊隧道位于甘肃省岷县县城东边,于洮河右岸岷县柰子沟村东侧山坡进洞,在岷县正龙骨料饲料厂后山坡出洞。隧道位于西秦岭中山区,山高沟深,地形起伏很大,洞身最大埋深248m,梁顶植被覆盖较好。隧道起讫里程DK201+817-DK206+952,全长5135m,隧道进口段DK201+817-DK202+854.809、出口段DK206+154.144-DK206+952位于R=4000m的曲线上,其余段落位于直线上,隧道内线路分别位于5.5‰、-3‰、7‰的人字形坡。隧道进出口位于212国道路边,交通方便。本工程主要用电为空压机房、混凝土拌合站、钢筋加工场、初期支护以及现场生活、办公照明用电。三、施工方案根据我工点机械设备配置情况计算,本工点最大负荷为635.8KW。经与供电局协商后,纸坊隧道进口工点采纳高压系统电作为动力电源,设1台800KVA动力变压器。1.高压线引入根据施工需要,工区已与岷县供电局联系,将外接高压输电线路接至现场,设置配电房,通过变压器提供施工及生活用电。2.变压器选择与布置进口供电布置提前修建变电所,设 1 台 800KVA 动力变压器。3.洞口支线布置由变压器变压后拉至各用电设备及照明生活区的专用线路。4.高压进洞高压电缆引入 380V 电压进洞,施工用电采纳三相五线制,供电电压为380/220V。5.双路电源与备用电源备用电源是防止停电或变压器检修,备用发电机。电线悬挂高度距人行地面不小于 2m。供电线路分层架设,干线在上,支线在下载后可任意编辑下,动力线在上,照明线在下。四、施工场地临时供电计算1. 预制场及拌和站供电计算1.1 用电量计算临时供电包括施工及照明用电两个方面,计算公式如下:P=1.1(K1∑Pc+ K2∑Pa)其中 P —— 计算用电量(kW),即供电设备总需要容量;Pc —— 全部施工动力用电设备额定用量之和;Pa —— 全部照明设备额定用电...

1、当您付费下载文档后,您只拥有了使用权限,并不意味着购买了版权,文档只能用于自身使用,不得用于其他商业用途(如 [转卖]进行直接盈利或[编辑后售卖]进行间接盈利)。
2、本站所有内容均由合作方或网友上传,本站不对文档的完整性、权威性及其观点立场正确性做任何保证或承诺!文档内容仅供研究参考,付费前请自行鉴别。
3、如文档内容存在违规,或者侵犯商业秘密、侵犯著作权等,请点击“违规举报”。

碎片内容

纸坊隧道进口施工临时用电专项方案

您可能关注的文档

确认删除?
VIP
微信客服
  • 扫码咨询
会员Q群
  • 会员专属群点击这里加入QQ群
客服邮箱
回到顶部