电脑桌面
添加小米粒文库到电脑桌面
安装后可以在桌面快捷访问

质检楼卫生学实验室净化工程施工组织设计VIP专享VIP免费

质检楼卫生学实验室净化工程施工组织设计_第1页
1/5
质检楼卫生学实验室净化工程施工组织设计_第2页
2/5
质检楼卫生学实验室净化工程施工组织设计_第3页
3/5
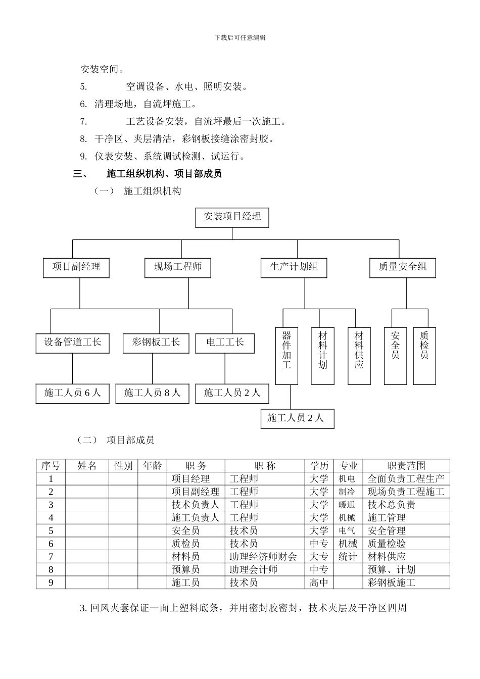
下载后可任意编辑质检楼卫生学实验室净化工程施工组织设计一、工程概况实验室净化面积为 28.08m2,层高 2.3m,体积为 64.584m3,室内空调采纳4000kcal/h,分体空调机 2 台,温度指标为 18~26℃,相对湿度为 45~65%;卫生学实验区换气次数大于 30 次,保证实验区干净度为万级,局部百级,干净度控制手段为自净器及干净工作台,详细布置见质检楼卫生学实验室通风空调施工图。二、施工组织设计(一) 施工方案本工程净化面积小,建筑物净高低,但施工范围涉及所有的净化工程项目,需投入彩钢板施工人员、设备安装人员、仪表、电工、水暖等多工种。1. 施工准备工作⑴ 熟悉施工图,由甲方技术人员进行技术交底。⑵ 提供详细的施工材料、设备计划,提前将设备材料组织进场。⑶ 组织施工人员,施工用工具设备。⑷ 施工技术交底,将业主施工要求传达至各个施工人员,确保施工质量。2. 施工段的划分根据工程特点,施工划分为土建改造、水电放埋,大型设备(断面尺寸大于 1.8×0.7㎡)进场,彩钢板放线定位(甲方确认)、彩钢板施工、空调设备安装、水电安装、自流坪施工、工艺设备安装、干净区清洁、彩钢板密封胶、仪表安装、调试检测、试运行。(二)施工程序说明1. 阅图、审图组织施工工长、技术负责人参加图纸阅读审查,了解系统特点及设计技术要求,事先协调各工种施工程序,合理确定各管线走向,同时参加图纸会审。2. 根据图纸提供设备、材料计划,提前将设备、材料采购至现场,确保不影响工期。3. 土建按图纸清理施工面,包括墙面、地面,同时按设备位置,尺寸予留孔洞,予埋套管。4. 彩钢板放线,甲方技术人员确认后开始彩钢板施工,同时大型设备搬运至下载后可任意编辑安装空间。5. 空调设备、水电、照明安装。6. 清理场地,自流坪施工。7. 工艺设备安装,自流坪最后一次施工。8. 干净区、夹层清洁,彩钢板接缝涂密封胶。9. 仪表安装、系统调试检测、试运行。三、施工组织机构、项目部成员(一) 施工组织机构 (二) 项目部成员序号姓名性别年龄职 务职 称学历专业职责范围1项目经理工程师大学机电全面负责工程生产2项目副经理工程师大学制冷现场负责工程施工3技术负责人工程师大学暖通技术总负责4施工负责人工程师大学机械施工管理5安全员技术员大学电气安全管理6质检员技术员中专机械质量检验7材料员助理经济师财会大专统计材料供应8预算员助理会计师中专预算、计划9施工员技术员高中彩钢板施工3. 回风夹套保...

1、当您付费下载文档后,您只拥有了使用权限,并不意味着购买了版权,文档只能用于自身使用,不得用于其他商业用途(如 [转卖]进行直接盈利或[编辑后售卖]进行间接盈利)。
2、本站所有内容均由合作方或网友上传,本站不对文档的完整性、权威性及其观点立场正确性做任何保证或承诺!文档内容仅供研究参考,付费前请自行鉴别。
3、如文档内容存在违规,或者侵犯商业秘密、侵犯著作权等,请点击“违规举报”。

碎片内容

质检楼卫生学实验室净化工程施工组织设计

确认删除?
VIP
微信客服
  • 扫码咨询
会员Q群
  • 会员专属群点击这里加入QQ群
客服邮箱
回到顶部