电脑桌面
添加小米粒文库到电脑桌面
安装后可以在桌面快捷访问

通信工程勘察设计收费标准VIP免费

通信工程勘察设计收费标准_第1页
1/6
通信工程勘察设计收费标准_第2页
2/6
通信工程勘察设计收费标准_第3页
3/6
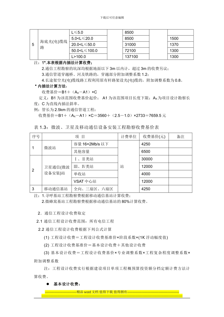
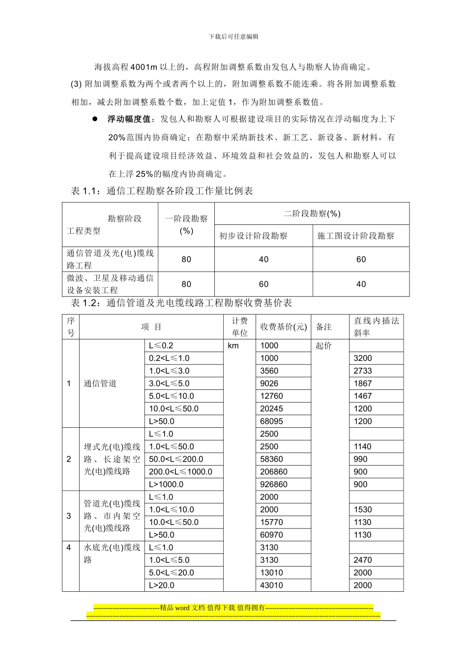
下载后可任意编辑 通信工程勘察设计收费标准一、总则1.根据国家计委、建设部关于发布《工程勘察设计收费管理规定》的通知 (计价格[2024]10 号),新颁布的《工程勘察设计收费标准》自 2002 年 3 月 1 日起施行,原国家物价局、建设部颁发的《关于发布工程勘察和工程设计收费标准的通知》( [1992]价费字 375 号)及相关附件同时废止。2.为了新标准的贯彻施行,我公司在《工程勘察设计收费标准》的基础上,制定了“通信工程勘察设计收费标准”(试行办法),自 2002 年 3 月 1 日起承担的工程项目,工程勘察设计收费取定统一根据该标准执行。3.《关于发布工程勘察和工程设计收费标准的通知》([1992]价费字 375 号)及相关附件废止后,可行性讨论报告费根据《国家计委关于印发建设项目前期工作咨询收费展性规定的通知》计价格[1999]1283 号文件执行。 二、通信工程勘察设计收费取定通信工程勘察设计收费由工程勘察和工程设计收费两部分组成。1.通信工程勘察收费取定 1.1 通信工程勘察收费范围:通信管道及光(电)缆线路工程、微波、卫星及移动通信设备安装工程1.2 通信工程勘察收费=收费基价×阶段系数×附加调整系数×(1K 浮动幅度值) 阶段系数:见表 1.1: 通信工程勘察各阶段工作量比例表 收费基价:见表 1.2、1.3:通信工程勘察收费基价表 附加调整系数:(1) 在气温(以当地气象台、站的气象报告为准)≥35℃或者≤-10℃条件下进行勘察作业时,气温附加调整系数为 1.2;(2) 在海拔高程超过 2000m 地区进行工程勘察作业时,高程附加调整系数如下:海拔高程 2000~3000m 为 1.1海拔高程 3001~3500m 为 1.2海拔高程 3501~4000m 为 1.3----------------------------精品 word 文档 值得下载 值得拥有---------------------------------------------------------------------------------------------------------------------------------------------------------------------------下载后可任意编辑海拔高程 4001m 以上的,高程附加调整系数由发包人与勘察人协商确定。(3) 附加调整系数为两个或者两个以上的,附加调整系数不能连乘。将各附加调整系数相加,减去附加调整系数个数,加上定值 1,作为附加调整系数值。 浮动幅度值:发包人和勘察人可根据建设项目的实际情况在浮动幅度为上下20%范围内协商确定;在勘察中采纳新技术、新工艺、新设备、新材料,有利于提高建设项目经济...

1、当您付费下载文档后,您只拥有了使用权限,并不意味着购买了版权,文档只能用于自身使用,不得用于其他商业用途(如 [转卖]进行直接盈利或[编辑后售卖]进行间接盈利)。
2、本站所有内容均由合作方或网友上传,本站不对文档的完整性、权威性及其观点立场正确性做任何保证或承诺!文档内容仅供研究参考,付费前请自行鉴别。
3、如文档内容存在违规,或者侵犯商业秘密、侵犯著作权等,请点击“违规举报”。

碎片内容

通信工程勘察设计收费标准

确认删除?
VIP
微信客服
  • 扫码咨询
会员Q群
  • 会员专属群点击这里加入QQ群
客服邮箱
回到顶部