电脑桌面
添加小米粒文库到电脑桌面
安装后可以在桌面快捷访问

鄂州超凡引桥预制空心板安装施工方案鲁VIP免费

鄂州超凡引桥预制空心板安装施工方案鲁_第1页
1/12
鄂州超凡引桥预制空心板安装施工方案鲁_第2页
2/12
鄂州超凡引桥预制空心板安装施工方案鲁_第3页
3/12
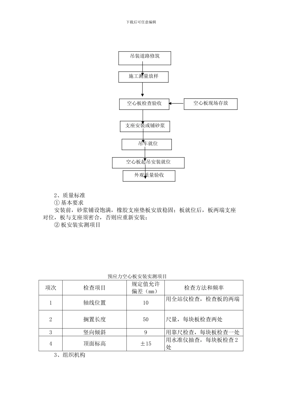
下载后可任意编辑鄂州超凡物流公司鄂州长江码头工程引桥预制空心板安装施工方案鄂州超凡物流有限公司鄂州长江码头工程项目经理部2024 年 10 月鄂州超凡物流有限公司鄂州长江码头工程下载后可任意编辑引桥预制空心板安装施工方案一、概述鄂州超凡物流有限公司鄂州长江码头工程有两座引桥,共 105 块预应力砼空心板,其中 1#引桥平面尺寸为 99.44m×9m,1#引桥 6 跨(5×15m+1×13m),每跨 7 块,共计 42 块;2#引桥平面尺寸为 116m×12m,2#引桥 7 跨(7×15m),每跨 9 块,共计 63 块。1#、2#引桥共有边板 26 块。二、主要工程数量及技术参数 技术参数项目截面尺寸(mm)数量(块)砼方量(m3)单块板重量(吨)支座处处理方式1#引桥 KB11370*900*149601010261~2cm 水平砂浆找平后,安放φ200×42mm 的橡胶支座1#引桥 KB21240*900*14960259.3424.2841~2cm 水平砂浆找平后,安放φ200×42mm 的橡胶支座1#引桥 KB31370*900*1296028.6922.5941~2cm 水平砂浆找平后,安放φ200×42mm 的橡胶支座1#引桥 KB41240*900*1296058.121.061~2cm 水平砂浆找平后,安放φ200×42mm 的橡胶支座2#引桥 KB11620*900*149601410.627.561~2cm 水平砂浆找平后,安放φ200×42mm 的橡胶支座2#引桥 KB21240*900*14960499.3424.2841~2cm 水平砂浆找平后,安放φ200×42mm 的橡胶支座三、空心板安装施工方法1、施工工艺流程 下载后可任意编辑2、质量标准① 基本要求安装前,砂浆铺设饱满,橡胶支座垫板安放稳固;板就位后,板两端支座对位,板与支座须密合,否则应重新安装;② 板安装实测项目预应力空心板安装实测项目项次检查项目规定值允许偏差(mm)检查方法和频率1轴线位置10用全站仪检查,检查板的两端2搁置长度50尺量,每块板检查两处3竖向倾斜9用靠尺检查,每块板检查一处4顶面标高±15用水准仪抽查,每块板检查 2处3、组织机构施工测量放样空心板检查验收吊车就位支座安装或铺砂浆空心板起吊安装就位外观质量验收吊装道路修筑空心板现场存放下载后可任意编辑空心板安装期间,我项目部成立空心板安装领导实施小组,有关领导在现场盯岗作业,负责空心板安装施工的实施。1、项目部空心板安装领导实施小组:由项目副经理任总指挥,项目部工程部、安全部、质检部、测量组进行配合,具体人员如下:组长: 鲁彬 徐波组员:刘进、黄博、何羽、刘平、李鹤、邓双惠4、施工方法(1)、测量放线根据实际放出的中心线,在盖梁...

1、当您付费下载文档后,您只拥有了使用权限,并不意味着购买了版权,文档只能用于自身使用,不得用于其他商业用途(如 [转卖]进行直接盈利或[编辑后售卖]进行间接盈利)。
2、本站所有内容均由合作方或网友上传,本站不对文档的完整性、权威性及其观点立场正确性做任何保证或承诺!文档内容仅供研究参考,付费前请自行鉴别。
3、如文档内容存在违规,或者侵犯商业秘密、侵犯著作权等,请点击“违规举报”。

碎片内容

鄂州超凡引桥预制空心板安装施工方案鲁

确认删除?
VIP
微信客服
  • 扫码咨询
会员Q群
  • 会员专属群点击这里加入QQ群
客服邮箱
回到顶部