电脑桌面
添加小米粒文库到电脑桌面
安装后可以在桌面快捷访问

重庆房屋建筑和市政基础设施工程主要管理人员配备标准VIP免费

重庆房屋建筑和市政基础设施工程主要管理人员配备标准_第1页
1/5
重庆房屋建筑和市政基础设施工程主要管理人员配备标准_第2页
2/5
重庆房屋建筑和市政基础设施工程主要管理人员配备标准_第3页
3/5
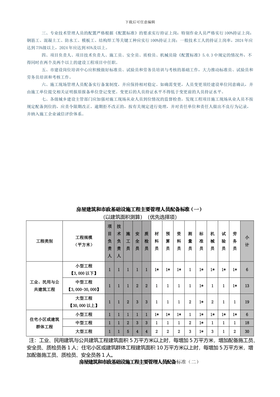
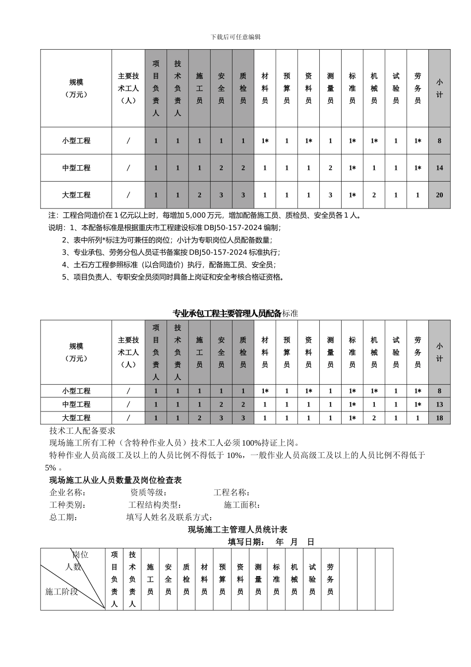
下载后可任意编辑 重庆推行现场施工从业人员配备标准发布日期:2024-06-15 重庆市工程建设强制性标准《重庆市房屋建筑与市政基础设施工程现场施工从业人员配备标准》DBJ—157—2024(以下简称《配置标准》)已发布,并经住房和城乡建设部备案,自 2024 年 3 月 1 日起实施。近日重庆市城乡建设委员会就《配置标准》执行事项下发通知要求: 一、本市新建、改建、扩建的房屋建筑和市政基础设施工程均应根据《配置标准》的要求,配备施工现场从业人员。 二、施工现场从业的专业技术管理人员、特种作业人员和一般技术工人均应取得省级城乡建设主管部门颁发的相关证书。精品 word 文档可以编辑(本页是封面)【最新资料 Word 版 可自由编辑!!】下载后可任意编辑 三、专业技术管理人员的配置严格根据《配置标准》的要求实行持证上岗;特别作业人员严格实行 100%持证上岗;钢筋工、混凝土工、防水工、模板工、结构焊工等关键工种应实行 100%持证上岗;一般技术工人的持证上岗率,2024 年应达到 75%级以上,2024 年应达到 85%及以上。 四、项目负责人、项目技术负责人、施工员、安全员、质检员、机械员除《配置标准》5.0.3 中规定的情况外,不得同时在两个及两个以上的建设工程项目中任职。 五、市建设岗位培训中心应积极做好标准员、试验员和劳务员培训与考核的基础工作,大力推动标准员、试验员和劳务员培训和考核工作。 六、施工现场管理人员配备实行备案制度,并应保持相对稳定。如确需变更,人员变更须经建设单位同意确认,并由施工单位提交相关证明报原报备单位登记变更。变更后的人员持证水平不得低于变更前的人员持证水平。 七、各级城乡建设主管部门应加强对施工现场从业人员到位情况的监督检查,发现工程项目施工现场从业人员不按规定配备到位的,应责令限期改正。逾期拒不改正的,按有关规定进行处理,并对责任单位和责任人做出不良行为记录,并纳入施工企业诚信评价体系。房屋建筑和市政基础设施工程主要管理人员配备标准(一)(以建筑面积测算)(优先选择项)工程类别工程规模(平方米)项目负责人技术负责人施工员安全员质检员材料员预算员资料员测量员标准员机械员试验员劳务员小计工业、民用与公共建筑工程小型工程【3,000 以下】111111*1*1*11*1*1*1*6中型工程【3,000-30,000】1112211111*111*13大型工程【30,000 以上】1123311121*21119住宅小区或建筑群体工程小型工程111111*1*1*11*1*1*1*6中型工程11...

1、当您付费下载文档后,您只拥有了使用权限,并不意味着购买了版权,文档只能用于自身使用,不得用于其他商业用途(如 [转卖]进行直接盈利或[编辑后售卖]进行间接盈利)。
2、本站所有内容均由合作方或网友上传,本站不对文档的完整性、权威性及其观点立场正确性做任何保证或承诺!文档内容仅供研究参考,付费前请自行鉴别。
3、如文档内容存在违规,或者侵犯商业秘密、侵犯著作权等,请点击“违规举报”。

碎片内容

重庆房屋建筑和市政基础设施工程主要管理人员配备标准

阳光书坊+ 关注
实名认证
内容提供者

阳光书坊,传播未来

确认删除?
VIP
微信客服
  • 扫码咨询
会员Q群
  • 会员专属群点击这里加入QQ群
客服邮箱
回到顶部