电脑桌面
添加小米粒文库到电脑桌面
安装后可以在桌面快捷访问

防水工程施工组织设计VIP免费

防水工程施工组织设计_第1页
1/18
防水工程施工组织设计_第2页
2/18
防水工程施工组织设计_第3页
3/18
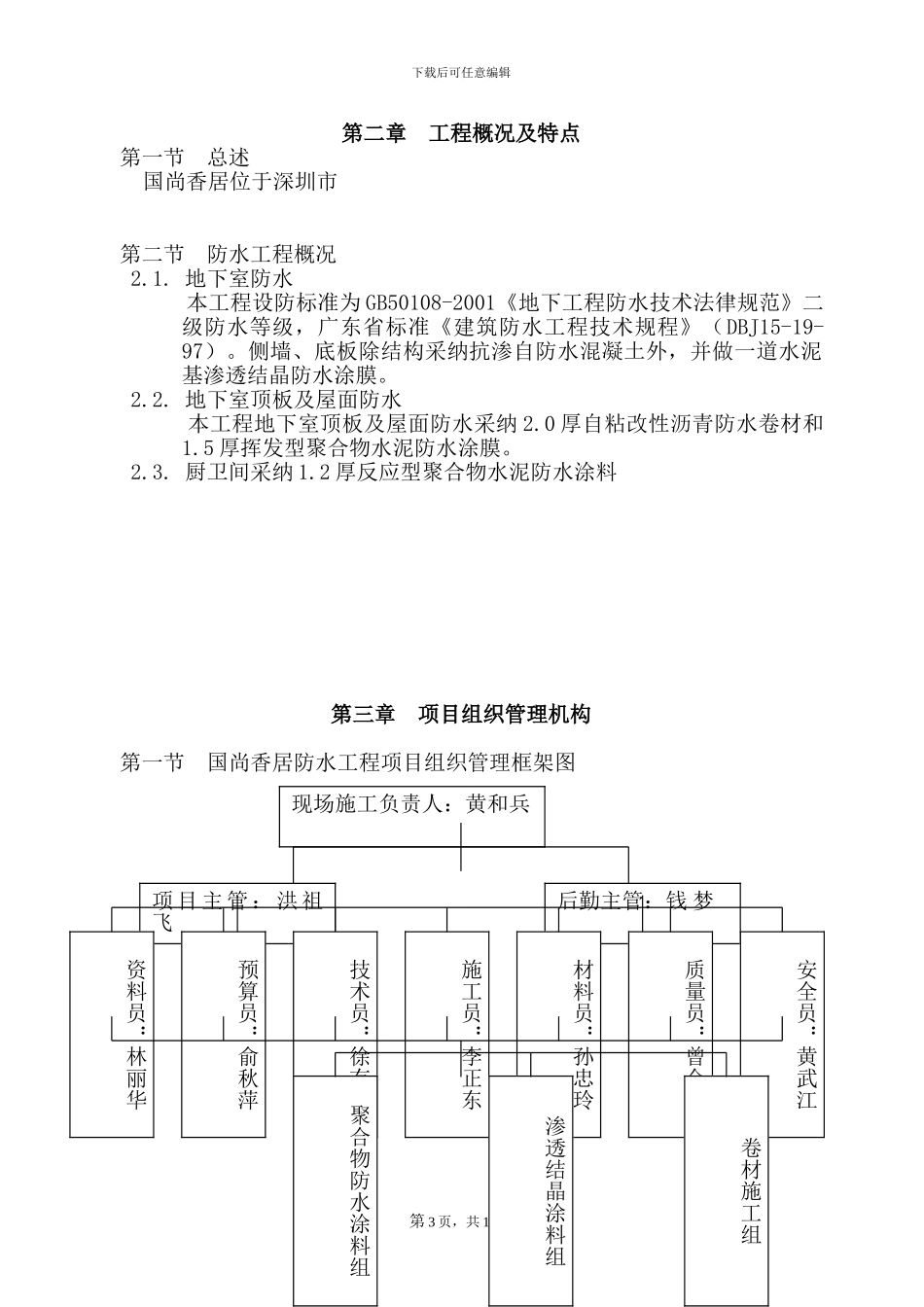
下载后可任意编辑 精品文档下载 第 1 页,共 18 页最新资料,word 文档,可以自由编辑!!下载后可任意编辑【本页是封面,下载后可以删除!】第一章编制说明及编制依据 第一节 编制说明我公司在认真、细致讨论国尚香居防水工程招标文件后,根据招标文件中所确定的招标范围,工程场地条件,要求的施工组织设计应包含的内容,编制了《国尚香居防水工程施工组织设计》。本工程施工组织设计的主要方案部分,我公司技术人员经过认真的思考和酝酿,结合本防水工程的实际情况,以精练、准确的叙述,着重突出施工中重点、难点工艺,力争使我公司的施工管理水平和技术优势,在本工程中得以充分发挥,并制造相应的社会经济效益,本施工组织设计中的施工组织部分是经过反复推敲论证所确定的,体现出最优可行。第二节 编制依据 1.2.1. 《国尚香居防水工程招标文件》 1.2.2. 国尚香居建筑设计图 1.2.3. 《地下防水工程施工及验收法律规范》GB50208-2024 1.2.4. 《地下工程防水技术法律规范》GB50108-2001 1.2.5. 《屋面工程技术法律规范》GB50207-2024 1.2.6. 《建筑防水工程技术规程》DBJ15-19-97 1.2.7. 《聚合物水泥基防水涂料》 1.2.8. 《深圳市建筑防水图集》SJA·B1.2.9. 我公司现有的施工力量和技术准备,以及在其它类似工程施工中总结的经验。第 2 页,共 18 页下载后可任意编辑第二章 工程概况及特点 第一节 总述国尚香居位于深圳市第二节 防水工程概况 2.1. 地下室防水 本工程设防标准为 GB50108-2001《地下工程防水技术法律规范》二级防水等级,广东省标准《建筑防水工程技术规程》(DBJ15-19-97)。侧墙、底板除结构采纳抗渗自防水混凝土外,并做一道水泥基渗透结晶防水涂膜。 2.2. 地下室顶板及屋面防水 本工程地下室顶板及屋面防水采纳 2.0 厚自粘改性沥青防水卷材和1.5 厚挥发型聚合物水泥防水涂膜。 2.3. 厨卫间采纳 1.2 厚反应型聚合物水泥防水涂料第三章 项目组织管理机构 第一节 国尚香居防水工程项目组织管理框架图第 3 页,共 18 页现场施工负责人:黄和兵项目主管:洪 祖飞后勤主管:钱 梦预算员:俞秋萍技术员:徐有江施工员:李正东材料员:孙忠玲资料员:林丽华质量员:曾全忠安全员:黄武江聚合物防水涂料组渗透结晶涂料组卷材施工组下载后可任意编辑第二节 国尚香居防水工程项目经理及各岗位主要职责 3.2.1.现场施工负责人职责: 现场施工负责人作为企业法人的代表对工...

1、当您付费下载文档后,您只拥有了使用权限,并不意味着购买了版权,文档只能用于自身使用,不得用于其他商业用途(如 [转卖]进行直接盈利或[编辑后售卖]进行间接盈利)。
2、本站所有内容均由合作方或网友上传,本站不对文档的完整性、权威性及其观点立场正确性做任何保证或承诺!文档内容仅供研究参考,付费前请自行鉴别。
3、如文档内容存在违规,或者侵犯商业秘密、侵犯著作权等,请点击“违规举报”。

碎片内容

防水工程施工组织设计

确认删除?
VIP
微信客服
  • 扫码咨询
会员Q群
  • 会员专属群点击这里加入QQ群
客服邮箱
回到顶部