电脑桌面
添加小米粒文库到电脑桌面
安装后可以在桌面快捷访问

2017水运工程试验检测标准VIP免费

2017水运工程试验检测标准_第1页
1/20
2017水运工程试验检测标准_第2页
2/20
2017水运工程试验检测标准_第3页
3/20
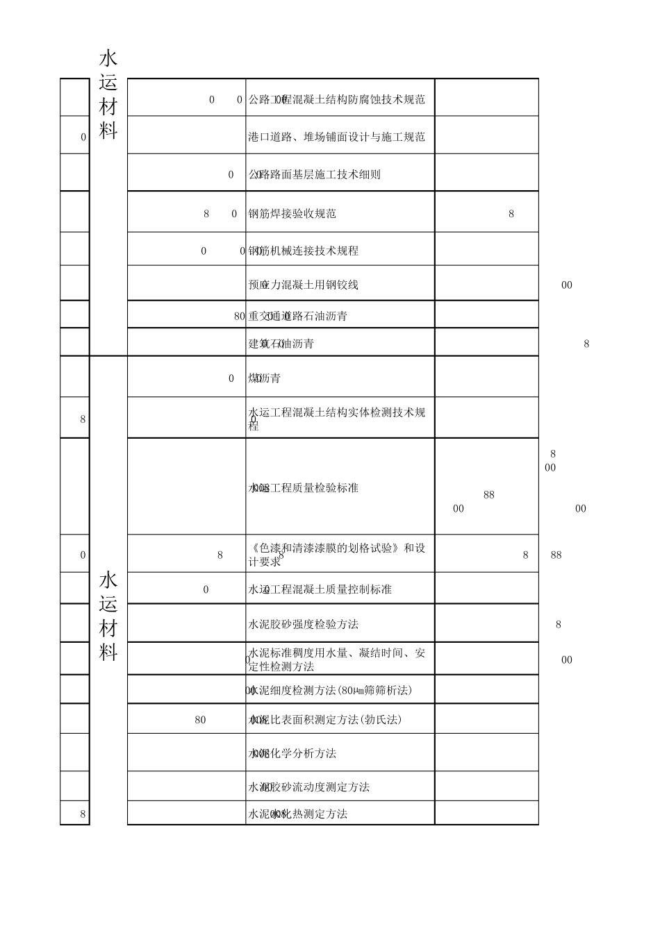
序号专业标准、规范、规程代码标准、规范、规程名称废止标准、规范、规程代码1JTS202-2011水运工程混凝土施工规范JTJ268-96JTJ/T273-97JTJ/T274-982JTJ270-98水运工程混凝土试验规程3JGJ63-2006混凝土用水标准JGJ63-894GB8076-2008混凝土外加剂GB8076-19975GB/T1596-2005用于水泥和混凝土中的粉煤灰GB1596-19916GB/T18046-2008用于水泥和混凝土中的粒化高炉矿渣粉GB/T18046-20007JC/T 446-2000混凝土路面砖8GB8239-2014普通混凝土小型空心砌块9GB11968-2006蒸压加气混凝土砌块10GB5101-2003烧结普通砖11GB13545-2014烧结空心砖和空心砌块GB13545-199212GB13544-2011烧结多孔砖和多孔砌块13JTS206-1-2009水运工程塑料排水板应用技术规程JTJ/T 256-9614JGJ/T 98-2010砌筑砂浆配合比设计规程JGJ/T 98-200015JTJ 275-2000海港工程混凝土结构防腐蚀技术规范16GB/T14685-2011建筑用卵石、碎石GB/T14685-200117GB175-2007通用硅酸盐水泥GB175-1999GB175-1992GB1344-199918JGJ/T193-2009混凝土耐久性检验评定标准水运工程试验检测标准、规范、规水运材料水运材料19JTG/TB07-01-2006公路工程混凝土结构防腐蚀技术规范20JTJ296-1996港口道路、堆场铺面设计与施工规范21JTGT F20-2015公路路面基层施工技术细则22JGJ18-2012钢筋焊接验收规范JGJ18-9623JGJ107-2010钢筋机械连接技术规程24GB/T5224-2014预应力混凝土用钢铰线GB/T5224-200325GB T 15180-2010重交通道路石油沥青26GB/T 494-2010建筑石油沥青GB/T 494-199827GB/T2290-2012煤沥青28JTS 239-2015 水运工程混凝土结构实体检测技术规程29JTS 257-2008水运工程质量检验标准JTJ221-98JTJ244-2005JTJ/T257-96JTJ288-93 JTJ314-2004 JTJ324-2006JTJ332-9630GB/T9286-1998《色漆和清漆漆膜的划格试验》和设计要求GB/T9286-8831JTS 202-2-2011水运工程混凝土质量控制标准JTJ269-9632GB/T17671-1999水泥胶砂强度检验方法ISO679:198933GB1346-2011水泥标准稠度用水量、凝结时间、安定性检测方法GB/T1346-200134GB1345-2005水泥细度检测方法(80µm筛 筛 析 法)GB1345-199135GB/T8074-2008水泥比 表 面积 测定方法(勃 氏 法)36GB/T176-2008水泥化 学 分 析 方法GB/T176-199637GB/T2419-2005水泥胶砂流 动 度测定方法GB/T2419-9438GB/T12959-2008水泥水化 热 测定方法GB/T12959-1991水运材料水运材料39GB/T208-2014水泥水密度测定方法40GB/T14684-2011建筑用砂GB/T14684-200141GB/T...

1、当您付费下载文档后,您只拥有了使用权限,并不意味着购买了版权,文档只能用于自身使用,不得用于其他商业用途(如 [转卖]进行直接盈利或[编辑后售卖]进行间接盈利)。
2、本站所有内容均由合作方或网友上传,本站不对文档的完整性、权威性及其观点立场正确性做任何保证或承诺!文档内容仅供研究参考,付费前请自行鉴别。
3、如文档内容存在违规,或者侵犯商业秘密、侵犯著作权等,请点击“违规举报”。

碎片内容

2017水运工程试验检测标准

确认删除?
VIP
微信客服
  • 扫码咨询
会员Q群
  • 会员专属群点击这里加入QQ群
客服邮箱
回到顶部