电脑桌面
添加小米粒文库到电脑桌面
安装后可以在桌面快捷访问

某集团电厂建设机构岗位设置与工作标准VIP免费

某集团电厂建设机构岗位设置与工作标准_第1页
1/38
某集团电厂建设机构岗位设置与工作标准_第2页
2/38
某集团电厂建设机构岗位设置与工作标准_第3页
3/38
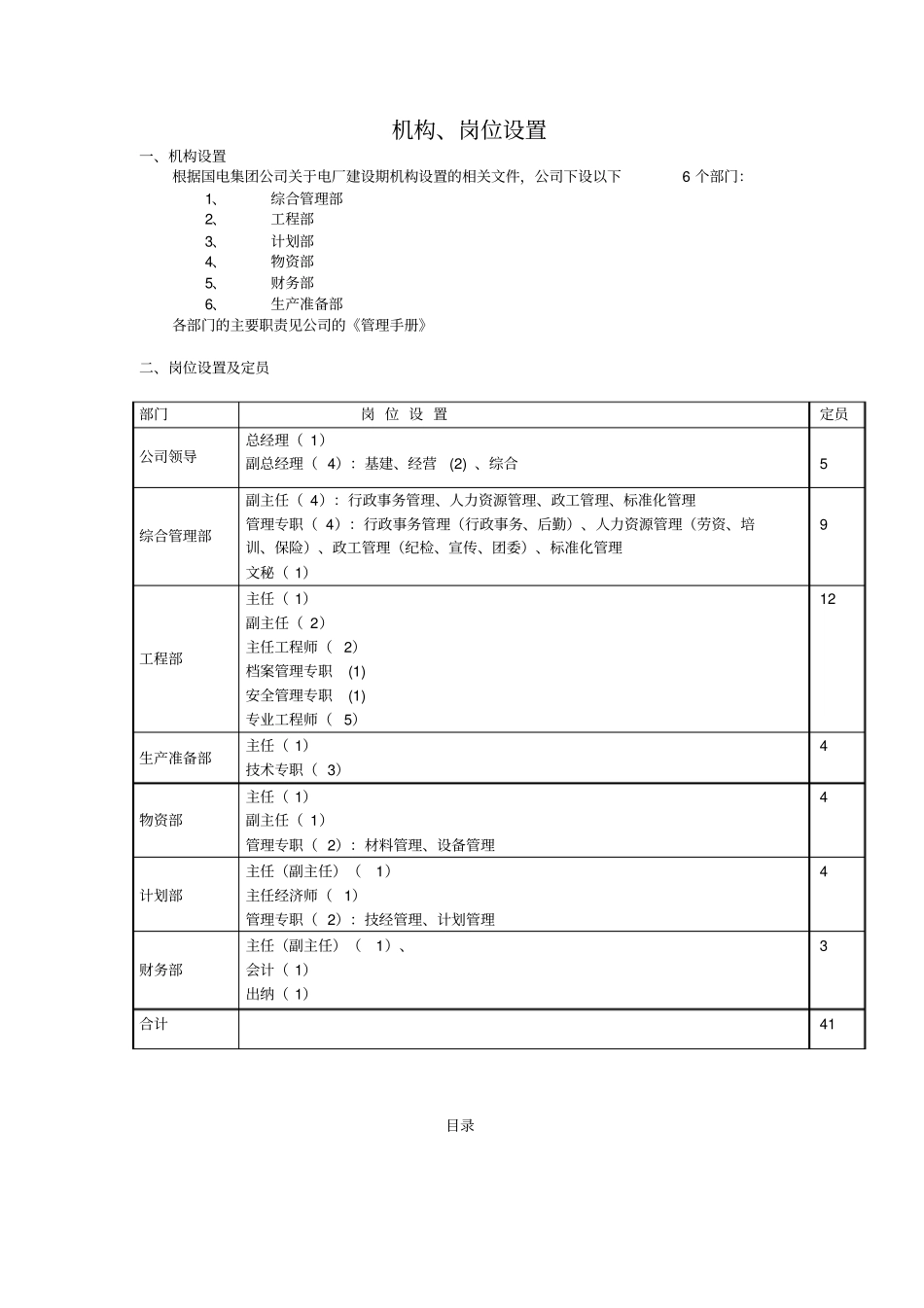
机构、岗位设置一、机构设置根据国电集团公司关于电厂建设期机构设置的相关文件,公司下设以下6 个部门:1、综合管理部2、工程部3、计划部4、物资部5、财务部6、生产准备部各部门的主要职责见公司的《管理手册》二、岗位设置及定员部门岗 位 设 置定员公司领导总经理( 1)副总经理( 4):基建、经营(2) 、综合5综合管理部副主任( 4):行政事务管理、人力资源管理、政工管理、标准化管理管理专职( 4):行政事务管理(行政事务、后勤)、人力资源管理(劳资、培训、保险)、政工管理(纪检、宣传、团委)、标准化管理文秘( 1)9工程部主任( 1)副主任( 2)主任工程师( 2)档案管理专职 (1)安全管理专职 (1)专业工程师( 5)12生产准备部主任( 1)技术专职( 3)4物资部主任( 1)副主任( 1)管理专职( 2):材料管理、设备管理4计划部主任(副主任)(1)主任经济师( 1)管理专职( 2):技经管理、计划管理4财务部主任(副主任)(1)、会计( 1)出纳( 1)3合计41目录部门岗位名称说明编号页码公司领导总经理001副总经理分管基建生产002副总经理分管经营003副总经理分管综合事务004综合管理部副主任分管政工005副主任分管行政事务006副主任分管人力资源007副主任分管标准化管理008政工管理专职009行政事务管理专职010人力资源管理专职011标准化管理专职012文秘013工程部主任014副主任015主任工程师016安全管理专职017档案管理专职018技术专职019生产准备部主任020技术专职021物资部主任022副主任023设备管理专职024材料管理专职025计划部主任 ( 副主任 )026主任经济师027计划管理专职028技经管理专职029财务部主任 ( 副主任 )030会计031出纳032岗位工作标准编号: 001岗位名称总经理部门公司领导岗位能力教育程度具备电力工程类或企业管理等相关专业本科以上学历职称中级以上专业技术职务任职资格专项培训本岗位培训证书经历主持二个部门或方面的工作,从事生产技术或管理工作七年以上。技能(能力)1、能正确理解党和国家的方针、政策及上级下达的文件精神,结合公司的目标任务,针对工作中出现的各种情况和问题作出正确的分析、判断。2、能协调安排公司的各项工作,对分管副总的工作进行较好地协调,及时解决在工作中产生的矛盾。3、能够与有关机关、企业、个人建立良好的协作关系,善于与人合作共事。4、能根据董事会确定的企业目标任务,制定出具体实施计划,并组织全公司人员按期完成。5、有...

1、当您付费下载文档后,您只拥有了使用权限,并不意味着购买了版权,文档只能用于自身使用,不得用于其他商业用途(如 [转卖]进行直接盈利或[编辑后售卖]进行间接盈利)。
2、本站所有内容均由合作方或网友上传,本站不对文档的完整性、权威性及其观点立场正确性做任何保证或承诺!文档内容仅供研究参考,付费前请自行鉴别。
3、如文档内容存在违规,或者侵犯商业秘密、侵犯著作权等,请点击“违规举报”。

碎片内容

某集团电厂建设机构岗位设置与工作标准

您可能关注的文档

确认删除?
VIP
微信客服
  • 扫码咨询
会员Q群
  • 会员专属群点击这里加入QQ群
客服邮箱
回到顶部