电脑桌面
添加小米粒文库到电脑桌面
安装后可以在桌面快捷访问

LM566组成的频率调制器和解调器VIP免费

LM566组成的频率调制器和解调器_第1页
1/7
LM566组成的频率调制器和解调器_第2页
2/7
LM566组成的频率调制器和解调器_第3页
3/7
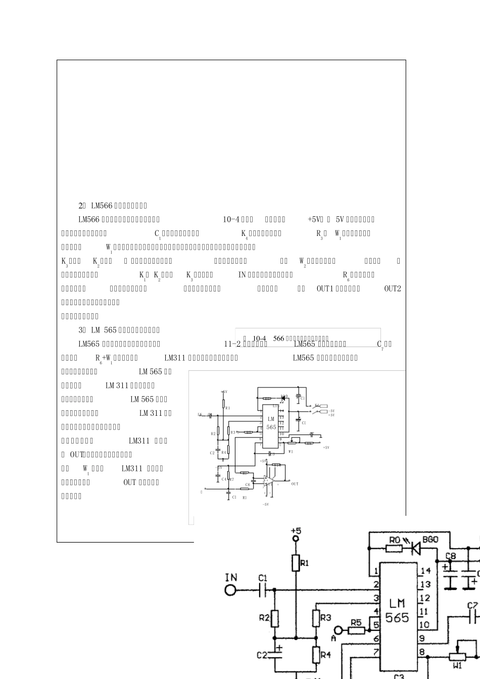
1 深 圳 大 学 实 验 报 告 课程名称: 通信电子线路 实验名称: LM566 组成的频率调制器和解调器 学院: 信息工程学院 专业: 通信工程 班级: 10 级通信四班 实验地点 N509 实验时间: 年 月 日 星期 实验报告提交时间: 2012 年 6 月 5 日 一、实验目的 1.熟悉LM566单片集成电路的组成和应用。 2.掌握用LM566 单片集成电路实现频率调制的原理和方法。 3.了解调频方波、调频三角波的基本概念。 4.了解正弦波调制的调频方波的解调方法。 5.了解方波调制的调频方波的解调方法。 2 二、实验原理: 1、 LM566 简介 LM566 是一种积分-施密特触发电路型的单片集成VCO 电路,其管脚排列和外部连接见图10-1。其中,⑧脚接正电源,①脚接负电源(或地),②脚悬空,③脚输出方波,④脚输出三角波,⑤脚接输入电压,⑥脚接定时电阻RT,⑦脚接定时电容CT。 LM566 的内部框图如图10-2 所示。图中的幅度鉴别器实为施密特触发器,并设其正向触发电平为VSP, 反向触发电平为 VSM。当电容CT充电时,开关S1接通、S2断开,从而VCC经由RT、恒流源I0对 CT形成恒流的充电回路。电容CT上电压V7线性上升,控制电压形成电路输出Vo为低电平。当 V7达到VSP时,幅度鉴别器翻转,使控制电压形成电路输出Vo转换为高电平,引起开关S1断开、S2接通,从而恒流源I0全部流入A 支路,即I6=I0。由于电流转发器的特点,使得I7≡ I6,因而I7=I0,该电流由CT 提供。于是电容CT 经由电流转发器而放电,V7 线性下降, Vo 保持高电平不变。当V7达到VSM时,又引起幅度鉴别器翻转,使Vo转换为低电平,引起开关S1接通、S2断开,重新对 CT充电„,波形如图10-3 所示。 R 2 3 4 5 6 781LM566输入VEE或接地方波 输出三角波输出VCCTTC电流幅度鉴别器控制电压12348765RLM566形成CV7III76SS21VO转发器VccT0ABT 由于VCO 的工作过程是用输入电压控制输出频率,因而其本质就是一个调频器。输入调制信号可加在⑤脚上,只是566 输出的是调频方波或调频三角波(载波不是正弦波)而已。改变定时元件RT、 CT可改变载波频率,其频率表达式为: 58TT82HzVVfR C V, 式中,RT、 CT如上所述,V5、 V8是 566管脚⑤、⑧的对地电压。 K5BG0LEDC1W1K4R4R3C4LMR0C5K1K2K3W2C2R5R6C3R2R112345678OUT1OUT2IN-5V+5V+5V-5V+5VOUT566K5BG0LEDC1K4C4R01278-5V-5V 3 2 、 LM566 组成的频率调制器 LM566 组成的...

1、当您付费下载文档后,您只拥有了使用权限,并不意味着购买了版权,文档只能用于自身使用,不得用于其他商业用途(如 [转卖]进行直接盈利或[编辑后售卖]进行间接盈利)。
2、本站所有内容均由合作方或网友上传,本站不对文档的完整性、权威性及其观点立场正确性做任何保证或承诺!文档内容仅供研究参考,付费前请自行鉴别。
3、如文档内容存在违规,或者侵犯商业秘密、侵犯著作权等,请点击“违规举报”。

碎片内容

LM566组成的频率调制器和解调器

您可能关注的文档

小辰+ 关注
实名认证
内容提供者

出售各种文档和资料

相关文档

确认删除?
VIP
微信客服
  • 扫码咨询
会员Q群
  • 会员专属群点击这里加入QQ群
客服邮箱
回到顶部