电脑桌面
添加小米粒文库到电脑桌面
安装后可以在桌面快捷访问

模块一数控铣床基本操作VIP免费

模块一数控铣床基本操作_第1页
1/11
模块一数控铣床基本操作_第2页
2/11
模块一数控铣床基本操作_第3页
3/11
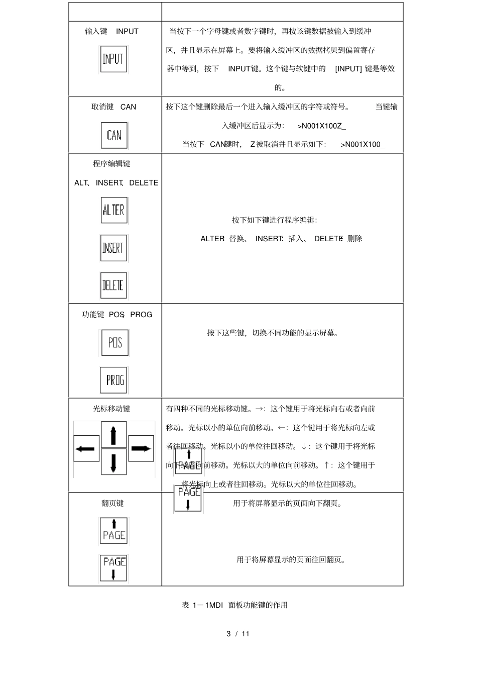
1 / 11 模块一数控铣床基本操作实训课题 1 功能键的使用一、实训目的 :¤ 熟悉系统面板和机械面板。¤ 掌握数控铣床主要功能键的使用方法。二、相关知识:¤ FANUC 0I MB 操作面板包括系统面板(MDI 面板 )(如图 1-1)和机械面板(如图1-2),主要作用是对系统各个功能进行调整,调试机床和系统;对零件程序进行编辑;选择需要运行的加工程序;控制和观察程序的运行。图 1-1MDI 面板2 / 11 图 1-2 机械面板MDI 面板各个功能键的作用如表1- 1:名称详细说明复位键 REST 按下这个键可以使CNC复位或者取消报警帮助键 HELP 当对 MDI 键的操作不明白时,按下这个键可以获得帮助(帮助功能 ) 软键画面转换软键用来转换画面根据不同的画面, 其它软键有不同的功能。软键功能显示在屏幕的底端。地址和数字键 N、4←按下这些键可以输入字母,数字或者其它字符。切换键 SHIFT 在该键盘上,有些键具有两个功能。按下键可以在这两个功能之间进行切换。当一个键右下脚的字母可被输入时,就会3 / 11 表 1-1MDI 面板功能键的作用输入键 INPUT 当按下一个字母键或者数字键时,再按该键数据被输入到缓冲区,并且显示在屏幕上。要将输入缓冲区的数据拷贝到偏置寄存器中等到,按下INPUT键。这个键与软键中的[INPUT] 键是等效的。取消键 CAN 按下这个键删除最后一个进入输入缓冲区的字符或符号。当键输入缓冲区后显示为:>N001X100Z_ 当按下 CAN键时, Z被取消并且显示如下:>N001X100_ 程序编辑键ALT、 INSERT、DELETE 按下如下键进行程序编辑:ALTER:替换、 INSERT:插入、 DELETE:删除功能键 POS、PROG 按下这些键,切换不同功能的显示屏幕。光标移动键有四种不同的光标移动键。→:这个键用于将光标向右或者向前移动。光标以小的单位向前移动。←:这个键用于将光标向左或者往回移动。光标以小的单位往回移动。↓:这个键用于将光标向下或者向前移动。光标以大的单位向前移动。↑:这个键用于将光标向上或者往回移动。光标以大的单位往回移动。翻页键用于将屏幕显示的页面向下翻页。用于将屏幕显示的页面往回翻页。4 / 11 机械面板各个功能键的作用如表1-2::按键、旋钮详细说明急停按钮:紧急情况下按下开关机床停止一切运动。快速 /手轮倍率按键:确定快进时机床运动速度倍率,分别为默认速度的1%、 25%、 50%、 100%。确定手轮每转动一隔工作台移动的距离。共有 4 个档...

1、当您付费下载文档后,您只拥有了使用权限,并不意味着购买了版权,文档只能用于自身使用,不得用于其他商业用途(如 [转卖]进行直接盈利或[编辑后售卖]进行间接盈利)。
2、本站所有内容均由合作方或网友上传,本站不对文档的完整性、权威性及其观点立场正确性做任何保证或承诺!文档内容仅供研究参考,付费前请自行鉴别。
3、如文档内容存在违规,或者侵犯商业秘密、侵犯著作权等,请点击“违规举报”。

碎片内容

模块一数控铣床基本操作

您可能关注的文档

爱的疯狂+ 关注
实名认证
内容提供者

该用户很懒,什么也没介绍

确认删除?
VIP
微信客服
  • 扫码咨询
会员Q群
  • 会员专属群点击这里加入QQ群
客服邮箱
回到顶部