电脑桌面
添加小米粒文库到电脑桌面
安装后可以在桌面快捷访问

模板及支架检验批质量验收记录表完成VIP免费

模板及支架检验批质量验收记录表完成_第1页
1/3
模板及支架检验批质量验收记录表完成_第2页
2/3
模板及支架检验批质量验收记录表完成_第3页
3/3
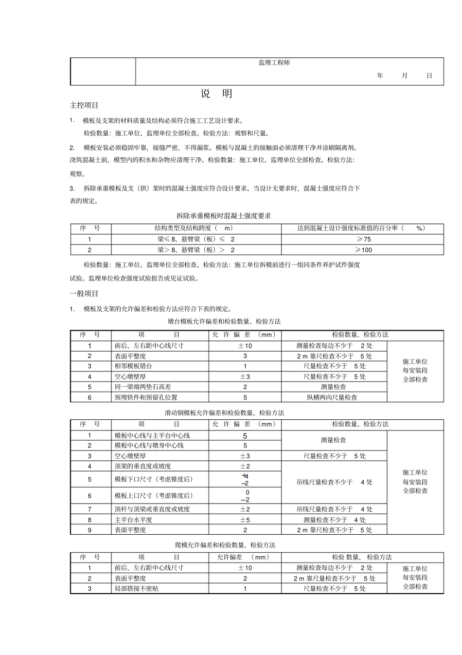
[墩台]模板及支架检验批质量验收记录表单位工程名称嫩林线道口平改立工程分部工程名称墩柱模板分项工程名称墩柱模板安装验收部位墩柱模板施 工 单 位中铁二十三局二公司第二项目部项目负责人施工质量验收标准名称及编号[A] :《铁路混凝土与砌体工程施工质量验收标准》TB10424 — 2003 [B] :《铁路桥涵工程施工质量验收标准》TB10415 — 2003 施 工 质 量 验 收 标 准 的 规 定施工单位检查评定记录监理单位验收记录主控项目1 材料质量和结构形式[A] 第 4.2.1 条钢模板,定型模板,结构尺寸正确,符合验标要求2 模板安装一般要求[A] 第 4.2.2 条模板安装稳固牢靠,接缝严密,不漏浆,模板涂有隔离剂,模型内无积水, 无杂物,符合验标要求。3 承重模板拆除[A] 第 4.3.1 条承重模板拆除时,混凝土强度达到了设计强度的 80%,符合设计及验标要求。一般项目普通模板模板安装允许偏差(mm)距中心线尺寸± 10 表面平整度3 相邻模板错台1 空心墩壁厚±3 同梁端垫石高差2 预埋件、孔位置5 滑模与主平台中心线5 与墩身中心线5 空心墩壁厚±3 顶架垂直度坡度±2 下口尺寸42上口尺寸02顶杆与顶梁垂直度或坡度±2 主平台水平度±5 表面平整度2 爬模距中心线尺寸± 10 表面平整度2 局部搭接不密贴1 预埋件、孔位置5 非承重模板拆除[A] 第 4.3.2 条施工单位检查评定结果专职质量检查员年月日分项工程技术负责人年月日分项工程负责人年月日监理单位验收结论监理工程师年月日说明主控项目1. 模板及支架的材料质量及结构必须符合施工工艺设计要求。检验数量:施工单位、监理单位全部检查。检验方法:观察和尺量。2. 模板安装必须稳固牢靠,接缝严密,不得漏浆。模板与混凝土的接触面必须清理干净并涂刷隔离剂。浇筑混凝土前,模型内的积水和杂物应清理干净。检验数量:施工单位、监理单位全部检查。检验方法:观察。3. 拆除承重模板及支(拱)架时的混凝土强度应符合设计要求。当设计无要求时,混凝土强度应符合下表的规定。拆除承重模板时混凝土强度要求序号结构类型及结构跨度(m)达到混凝土设计强度标准值的百分率(%)1 梁≤ 8、悬臂梁(板)≤2 ≥ 75 2 梁> 8、悬臂梁(板)>2 ≥100 检验数量:施工单位、监理单位全部检查。检验方法:施工单位拆模前进行一组同条件养护试件强度试验。监理单位检查强度试验报告或见证试验。一般项目1. 模板及支架的允许偏差和检验方法应符...

1、当您付费下载文档后,您只拥有了使用权限,并不意味着购买了版权,文档只能用于自身使用,不得用于其他商业用途(如 [转卖]进行直接盈利或[编辑后售卖]进行间接盈利)。
2、本站所有内容均由合作方或网友上传,本站不对文档的完整性、权威性及其观点立场正确性做任何保证或承诺!文档内容仅供研究参考,付费前请自行鉴别。
3、如文档内容存在违规,或者侵犯商业秘密、侵犯著作权等,请点击“违规举报”。

碎片内容

模板及支架检验批质量验收记录表完成

文库响当当+ 关注
实名认证
内容提供者

该用户很懒,什么也没介绍

相关文档

确认删除?
VIP
微信客服
  • 扫码咨询
会员Q群
  • 会员专属群点击这里加入QQ群
客服邮箱
回到顶部