电脑桌面
添加小米粒文库到电脑桌面
安装后可以在桌面快捷访问

模板安装含预制构件工程检验批质量验收记录整理VIP免费

模板安装含预制构件工程检验批质量验收记录整理_第1页
1/4
模板安装含预制构件工程检验批质量验收记录整理_第2页
2/4
模板安装含预制构件工程检验批质量验收记录整理_第3页
3/4
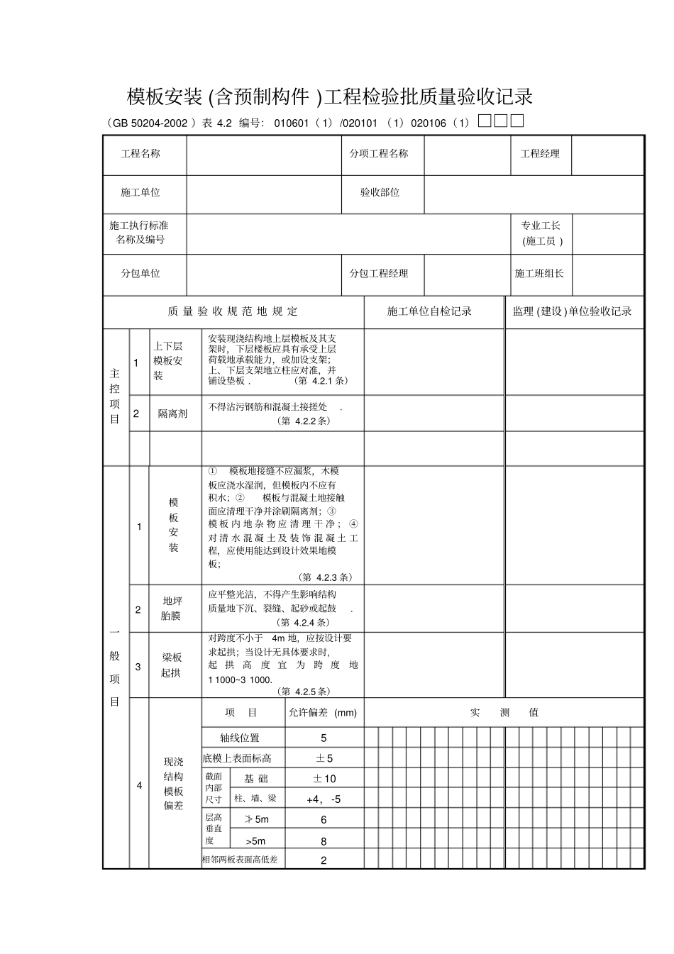
模板安装 (含预制构件 )工程检验批质量验收记录(GB 50204-2002 )表 4.2 编号: 010601( 1)/020101 (1)020106(1)□□□工程名称分项工程名称工程经理施工单位验收部位施工执行标准名称及编号专业工长(施工员 ) 分包单位分包工程经理施工班组长质 量 验 收 规 范 地 规 定施工单位自检记录监理 (建设 )单位验收记录主控项目1上下层模板安装安装现浇结构地上层模板及其支架时,下层楼板应具有承受上层荷载地承载能力,或加设支架;上、下层支架地立柱应对准,并铺设垫板 . (第 4.2.1 条)2隔离剂不得沾污钢筋和混凝土接搓处. (第 4.2.2 条)一般项目1 模板安装①模板地接缝不应漏浆,木模板应浇水湿润,但模板内不应有积水;②模板与混凝土地接触面应清理干净并涂刷隔离剂;③模 板 内 地 杂 物 应 清 理 干 净 ; ④对 清 水 混 凝 土 及 装 饰 混 凝 土 工程,应使用能达到设计效果地模板;(第 4.2.3 条)2 地坪胎膜应平整光洁,不得产生影响结构质量地下沉、裂缝、起砂或起鼓. (第 4.2.4 条)3 梁板起拱对跨度不小于4m 地,应按设计要求起拱;当设计无具体要求时,起拱高度宜为跨度地1 1000~3 1000. (第 4.2.5 条)4 现浇结构模板偏差项目允许偏差 (mm) 实测值轴线位置5 底模上表面标高±5 截面内部尺寸基 础±10 柱、墙、梁+4,-5 层高垂直度≯5m 6 >5m 8 相邻两板表面高低差2 表面平整度5 续下表010601(1)/020101(1)020106(1)□□□说明强 制 性 条 文4.1.1 模板及其支架应根据工程结构形式、荷载大小、地基土类别、施工设备和材料供应等条件进行设计. 模板及其支架应具有足够地承载能力、刚度和稳定性,能可靠地承受浇筑混凝土地重量、侧压力以及施工荷载. 主 控 项 目4.2.1 安装现浇结构地上层模板及其支架时,下层楼板应具有承受上层荷载地承载能力,或加设支架;上、下层支架地立柱应对准,并铺设垫板. 检查数量:全数检查. 检验方法:对照模板设计文件和施工技术方案观察. 4.2.2 在涂刷模板隔离剂时,不得沾污钢筋和混凝土接槎处. 检查数量:全数检查. 检验方法:观察. 一 般 项 目4.2.3 模板安装应满足下列要求:1、模板地接缝不应漏浆;在浇筑混凝土前,木模板应浇水湿润,但模板内不应有积水;2、模板与混凝土地接触面应清理干净并涂刷隔离剂,但不得采用影响结构性能或妨碍装饰工程施工地隔离剂;3、浇筑混...

1、当您付费下载文档后,您只拥有了使用权限,并不意味着购买了版权,文档只能用于自身使用,不得用于其他商业用途(如 [转卖]进行直接盈利或[编辑后售卖]进行间接盈利)。
2、本站所有内容均由合作方或网友上传,本站不对文档的完整性、权威性及其观点立场正确性做任何保证或承诺!文档内容仅供研究参考,付费前请自行鉴别。
3、如文档内容存在违规,或者侵犯商业秘密、侵犯著作权等,请点击“违规举报”。

碎片内容

模板安装含预制构件工程检验批质量验收记录整理

您可能关注的文档

确认删除?
VIP
微信客服
  • 扫码咨询
会员Q群
  • 会员专属群点击这里加入QQ群
客服邮箱
回到顶部