电脑桌面
添加小米粒文库到电脑桌面
安装后可以在桌面快捷访问

模板支撑系统标准做法VIP免费

模板支撑系统标准做法_第1页
1/20
模板支撑系统标准做法_第2页
2/20
模板支撑系统标准做法_第3页
3/20
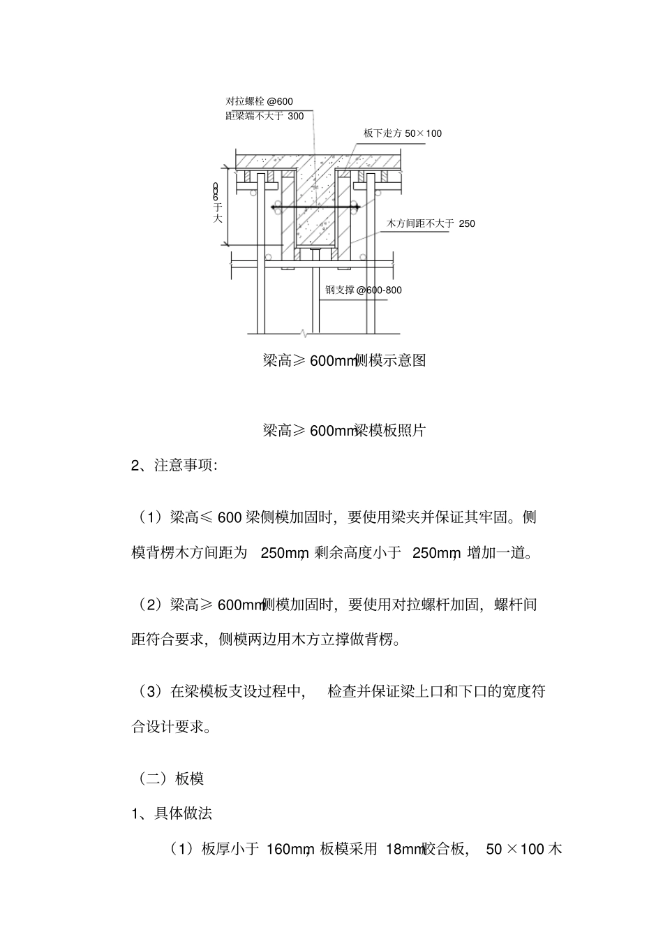
模板支撑系统标准做法及施工注意事项为了提高混凝土工程的外观质量,避免出现错台、胀模等质量通病,保证支撑体系的强度、刚度、稳定性,禁止使用门式架作为模板支撑体系,建议使用扣件式钢管架、平插式钢管架、碗扣式钢管架作为模板支撑体系。一、 模板选型基础工程模板:基础承台及筏板模板宜采用砖模; 地下室墙柱、梁底模及侧模采用18 厚胶合板模板,人防区域内剪力墙采用一次性螺杆,地下室外墙设止水螺杆;地下室顶板采用18 厚胶合板模板。主体工程模板:主体墙、梁、板模板均采用18 厚胶合板,50*100mm木方作背楞,φ48 钢管主楞,墙模设φ12 对拉螺杆,梁板模板设钢管排架及钢顶撑支撑系统。二、 梁、板模板(一) 梁模1、具体做法(1)梁底模及侧模板采用18mm厚胶合板, 200-300mm宽梁底纵向设两楞木枋, 400mm 宽梁底设三根木枋,木枋尺寸为50mm*100mm。(2)当高≤ 600mm,梁侧模沿梁高方向设水平木枋背楞间距250mm,采用梁夹固定。(3)当梁高≥ 600mm时,采用对拉螺杆紧固,纵向间距不大于 600mm,高度每增加 300mm再增设一道Φ 12 对拉螺杆, 以保证梁断面的稳固。(4)梁底水平钢管排架支撑间距900mm,可调式钢管顶撑间距 1100mm,底部排架离梁端250mm开排。梁高≤600 梁侧模示意图梁高≤600 梁模板照片大于600对拉螺栓 @600距梁端不大于 300钢支撑 @600-800木方间距不大于 250板下走方 50×100梁高≥ 600mm侧模示意图梁高≥ 600mm梁模板照片2、注意事项:(1)梁高≤ 600 梁侧模加固时,要使用梁夹并保证其牢固。侧模背楞木方间距为250mm,剩余高度小于 250mm,增加一道。(2)梁高≥ 600mm侧模加固时,要使用对拉螺杆加固,螺杆间距符合要求,侧模两边用木方立撑做背楞。(3)在梁模板支设过程中,检查并保证梁上口和下口的宽度符合设计要求。(二)板模1、具体做法(1)板厚小于 160mm,板模采用 18mm胶合板, 50 ×100 木方作楞木,楞木间距300mm。(2)板厚 160-200mm,板模采用 18mm胶合板, 50 ×100 木方作楞木,楞木间距250mm。(3)模板立杆支撑间距不大于1000mm,局部不大于 1100mm,各立杆之间位置纵横向设置水平钢管拉结,水平杆步距不大于1600mm,纵横杆之间均为扣件连接,扫地杆每隔一排设置一道,设置高度距离支撑面不得大于200mm,每 3 排立杆设置一道竖向全立面剪刀撑,且剪刀撑倾斜度数未45-60° ,剪刀撑与立杆用扣件可靠连接,由此形成模板排架支撑系统。(4...

1、当您付费下载文档后,您只拥有了使用权限,并不意味着购买了版权,文档只能用于自身使用,不得用于其他商业用途(如 [转卖]进行直接盈利或[编辑后售卖]进行间接盈利)。
2、本站所有内容均由合作方或网友上传,本站不对文档的完整性、权威性及其观点立场正确性做任何保证或承诺!文档内容仅供研究参考,付费前请自行鉴别。
3、如文档内容存在违规,或者侵犯商业秘密、侵犯著作权等,请点击“违规举报”。

碎片内容

模板支撑系统标准做法

您可能关注的文档

确认删除?
VIP
微信客服
  • 扫码咨询
会员Q群
  • 会员专属群点击这里加入QQ群
客服邮箱
回到顶部