电脑桌面
添加小米粒文库到电脑桌面
安装后可以在桌面快捷访问

wss温度计VIP免费

wss温度计_第1页
1/8
wss温度计_第2页
2/8
wss温度计_第3页
3/8
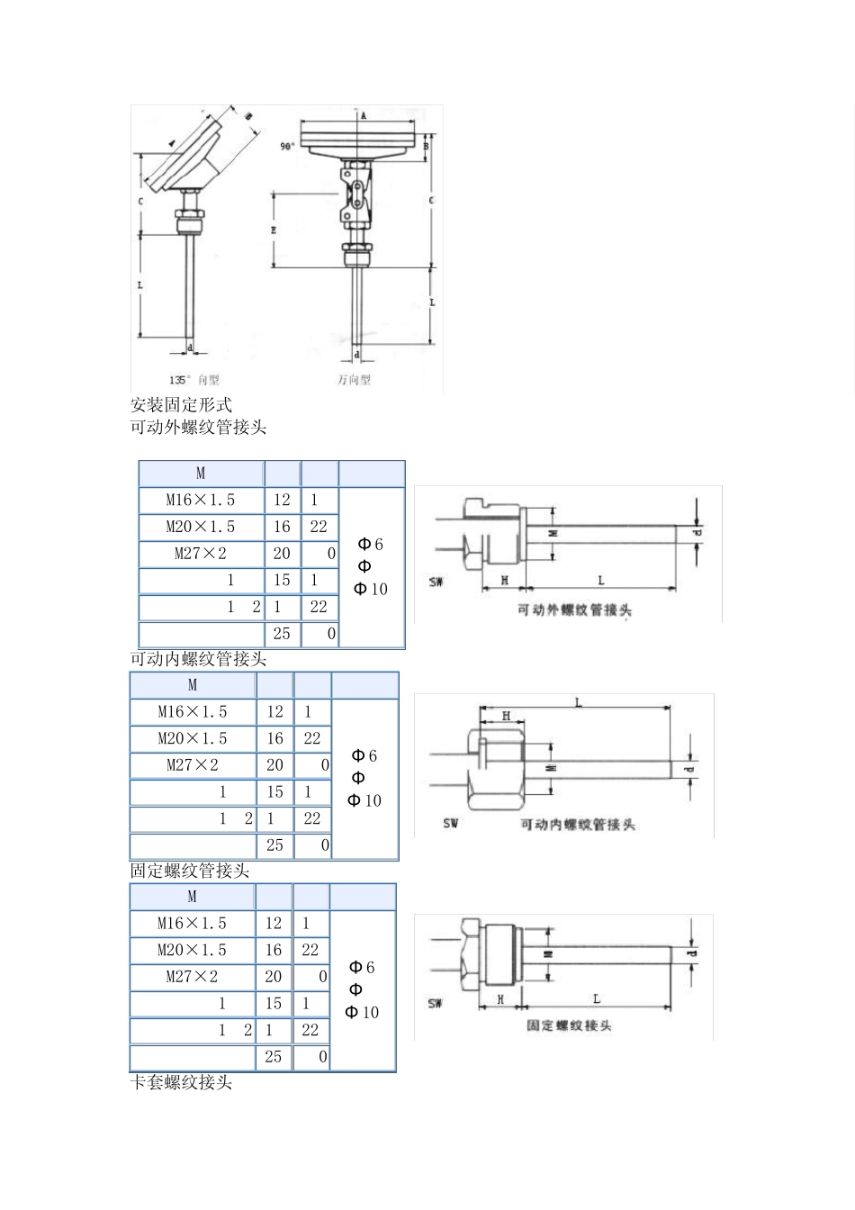
工作原理 双金属温度计是基于绕制成环性弯曲状的双金属片组成。一端受热膨胀时,带动指针旋转,工作仪表便显示出所应的温度值。 技术参数 执行标准 JB/T8803-1998 GB3836-83 其他参数 标度盘公称直径:60,100,150 精度等级:(1.0),1.5 热响应时间:≤40S 防护等级:IP55 角度调整误差:角度调整误差应不超过其量程的1.0% 回差:双金属温度计回差应不大于基本误差限的绝对值 重复性:双金属温度计重复性极限范围应不大于基本误差限绝对值的1/2 测温范围 测量范围℃ 适用范围 工业、商业 实验室、小型 -80~+40 √ √ -40~+80 √ √ 0~50 √ √ 0~100 √ √ 0~150 √ √ 0~200 √ √ 0~300 √ √ 0~400 √ √ 0~500 √ √ 正常工作天气条件 工作场所 温度℃ 相对湿度% 掩蔽场所 -25~+55 5~100 户外场所 -40~+85 5~100 测量端形式 外形及尺寸 形式 A B C E L d 轴向型 65 23 73 - 75 100 150 200 300 400 500 750 1000 Φ 6 Φ 8 Φ 10 105 23 73 - 155 23 73 - 径向型 65 50 110 34 105 50 110 34 105 50 110 34 135°向型 105 23 85 - 155 23 85 - 万向型 105 23 178 120 155 23 178 120 安装固定形式 可动外螺纹管接头 M H SW d M16×1.5 12 18 Φ 6 Φ 8 Φ 10 M20×1.5 16 22 M27×2 20 30 NPT1/4 15 18 NPT1/2 19 22 NPT3/4 25 30 可动内螺纹管接头 M H SW d M16×1.5 12 18 Φ 6 Φ 8 Φ 10 M20×1.5 16 22 M27×2 20 30 NPT1/4 15 18 NPT1/2 19 22 NPT3/4 25 30 固定螺纹管接头 M H SW d M16×1.5 12 18 Φ 6 Φ 8 Φ 10 M20×1.5 16 22 M27×2 20 30 NPT1/4 15 18 NPT1/2 19 22 NPT3/4 25 30 卡套螺纹接头 M H SW d M12×1.5 15 19 Φ 6 M16×1.5 15 22 Φ 8 M20×1.5 16 24 Φ 10 卡套法兰接头 D D0 D1 SW d0 d Φ 60 Φ 42 Φ 24 Φ 22 Φ 9 Φ 8 Φ 10 固定法兰 D D1 D2 H d0 d Φ 105 Φ 75 Φ 55 Φ 16 Φ 14 Φ 8 Φ 10 备注:可提供ANSI、JB、HG等标准法兰。 选型编码 SK- 苏科仪表公司标识 系列号 WSS 双金属温度计 表盘公称直径 -3 Φ 60 -4 Φ 100 -5 Φ 150 表盘形式 0 轴向(直型) 1 径向(角...

1、当您付费下载文档后,您只拥有了使用权限,并不意味着购买了版权,文档只能用于自身使用,不得用于其他商业用途(如 [转卖]进行直接盈利或[编辑后售卖]进行间接盈利)。
2、本站所有内容均由合作方或网友上传,本站不对文档的完整性、权威性及其观点立场正确性做任何保证或承诺!文档内容仅供研究参考,付费前请自行鉴别。
3、如文档内容存在违规,或者侵犯商业秘密、侵犯著作权等,请点击“违规举报”。

碎片内容

您可能关注的文档

确认删除?
VIP
微信客服
  • 扫码咨询
会员Q群
  • 会员专属群点击这里加入QQ群
客服邮箱
回到顶部