电脑桌面
添加小米粒文库到电脑桌面
安装后可以在桌面快捷访问

ZX2050袖珍型七管超外差收音机的安装实训(学生版)VIP免费

ZX2050袖珍型七管超外差收音机的安装实训(学生版)_第1页
1/10
ZX2050袖珍型七管超外差收音机的安装实训(学生版)_第2页
2/10
ZX2050袖珍型七管超外差收音机的安装实训(学生版)_第3页
3/10
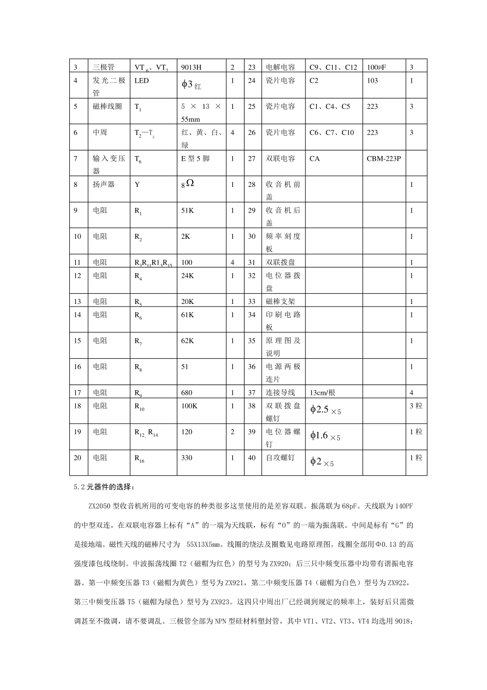
《袖珍型七管超外差收音机的安装实训》 实训指导书 万丛章 一、 实训目的: 通 过 电 子 工 艺 实 训 , 巩 固 和 加 深 理 解 电 子 工 艺 的 理 论 教 学 内 容 , 提 高 元 器 件 识 别 、 焊 接 、 总 装 和 调 试实 践 能 力 , 让 学 生 初 步 了 解 产 品 生 产 的 工 艺 过 程 , 参 与 编 制 工 艺 文 件 。 二、实训要求: 2.1 组 装 zx2050 型 七 管 超 外 差 收 音 机 ; 2.2 熟 练 进 行 每 道 工 艺 过 程 的 操 作 ; 2.3 熟 悉 合 理 的 组 装 步 骤 ; 2.4 会 用 万 用 表 、 稳 压 电 源 、 高 频 信 号 发 生 器 、 音 频 信 号 发 生 器 、 晶 体 管 毫 伏 表 2.5 能 写 出 实 训 总 结 三、实训器材: 3.1 ZX2050 型 七 管 超 外 差 收 音 机 散 装 套 件 : 1 套 /人 ( 见 元 件 明 细 表 ); 3.2 组 装 工 具 ; 1 套 /人 ; 3.3 万 用 表 、 稳 压 电 源 、 高 频 信 号 发 生 器 、 音 频 信 号 发 生 器 、 晶 体 管 毫 伏 表 3.4 家 电 实 训 室 、 电 子 实 训 室 ; 四、 知 识 与 技 能 考 核 目 标 : 4.1 焊 接 技 能 与 质 量 ; 50 分 4.2 调 试 技 能 ; 20 分 4.3 规 章 制 度 、 文 明 组 装 ; 10 分 4.4 团 队 精 神 ( 与 他 人 沟 通 与 合 作 ); 10 分 4.5 工 艺 文 件 编 制 ; 10 分 五、 附件: 5.1 材 料 清 单 ( 超 外 差 式 七 管 收 音 机 ) 序号 名称 位号 型 号 规 格 数量 序号 名称 位号 型 号 规 格 数量 1 三极管 VT1—VT4 9018 4只 21 电 位器 RP 5K( 带开关) 1 2 三极管 VT5 9014 1 22 电 解 电 容 C3、 C8 4.7µF 2 3 三极管 VT 6、VT7 9013H 2 23 电解电容 C9、C11、C12 100µF 3 4 发光二极管 LED 3红 1 24 瓷片电容 C2 103 1 5 磁棒线圈 T1 5 × 13 ×55m m 1 25 瓷片电容 C1、C4、C5 223 3 6 中周 T2—T5 红、黄、白、绿 4 26 瓷片电容 C6、C7、C10 223 3 7 输 入 变 压器 T6 E 型 5 脚 1 27 双联电容 CA...

1、当您付费下载文档后,您只拥有了使用权限,并不意味着购买了版权,文档只能用于自身使用,不得用于其他商业用途(如 [转卖]进行直接盈利或[编辑后售卖]进行间接盈利)。
2、本站所有内容均由合作方或网友上传,本站不对文档的完整性、权威性及其观点立场正确性做任何保证或承诺!文档内容仅供研究参考,付费前请自行鉴别。
3、如文档内容存在违规,或者侵犯商业秘密、侵犯著作权等,请点击“违规举报”。

碎片内容

ZX2050袖珍型七管超外差收音机的安装实训(学生版)

确认删除?
VIP
微信客服
  • 扫码咨询
会员Q群
  • 会员专属群点击这里加入QQ群
客服邮箱
回到顶部