电脑桌面
添加小米粒文库到电脑桌面
安装后可以在桌面快捷访问

[钢筋混凝土结构设计原理]装配式钢筋混凝土简支T形梁主梁配筋课程设计优秀作品VIP免费

[钢筋混凝土结构设计原理]装配式钢筋混凝土简支T形梁主梁配筋课程设计优秀作品_第1页
1/15
[钢筋混凝土结构设计原理]装配式钢筋混凝土简支T形梁主梁配筋课程设计优秀作品_第2页
2/15
[钢筋混凝土结构设计原理]装配式钢筋混凝土简支T形梁主梁配筋课程设计优秀作品_第3页
3/15
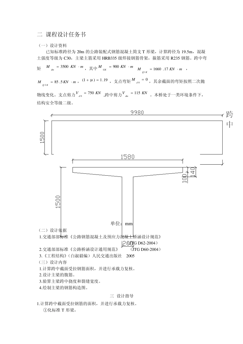
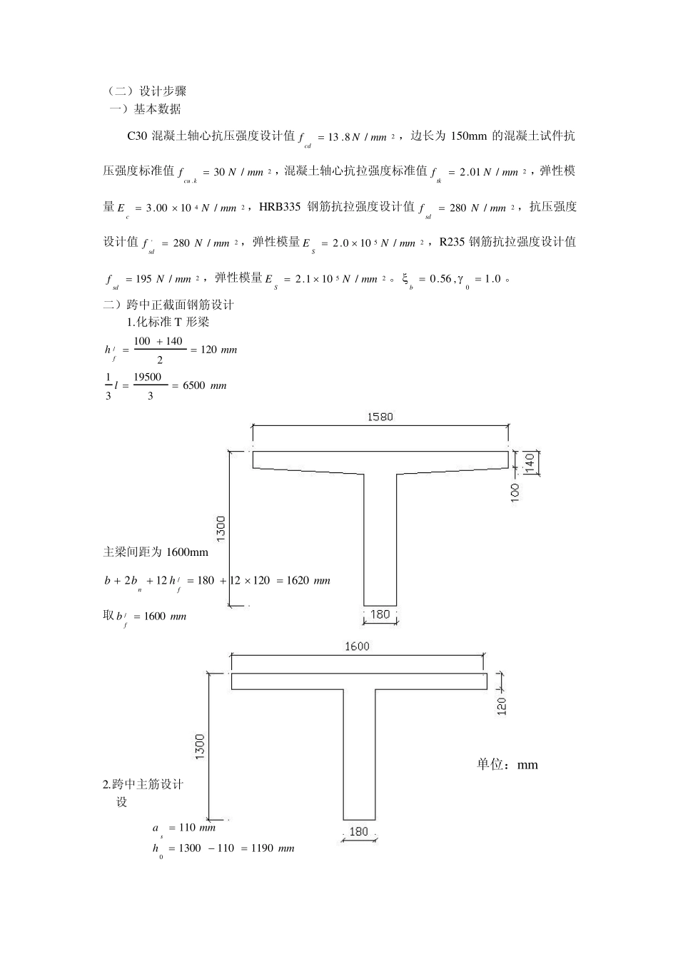
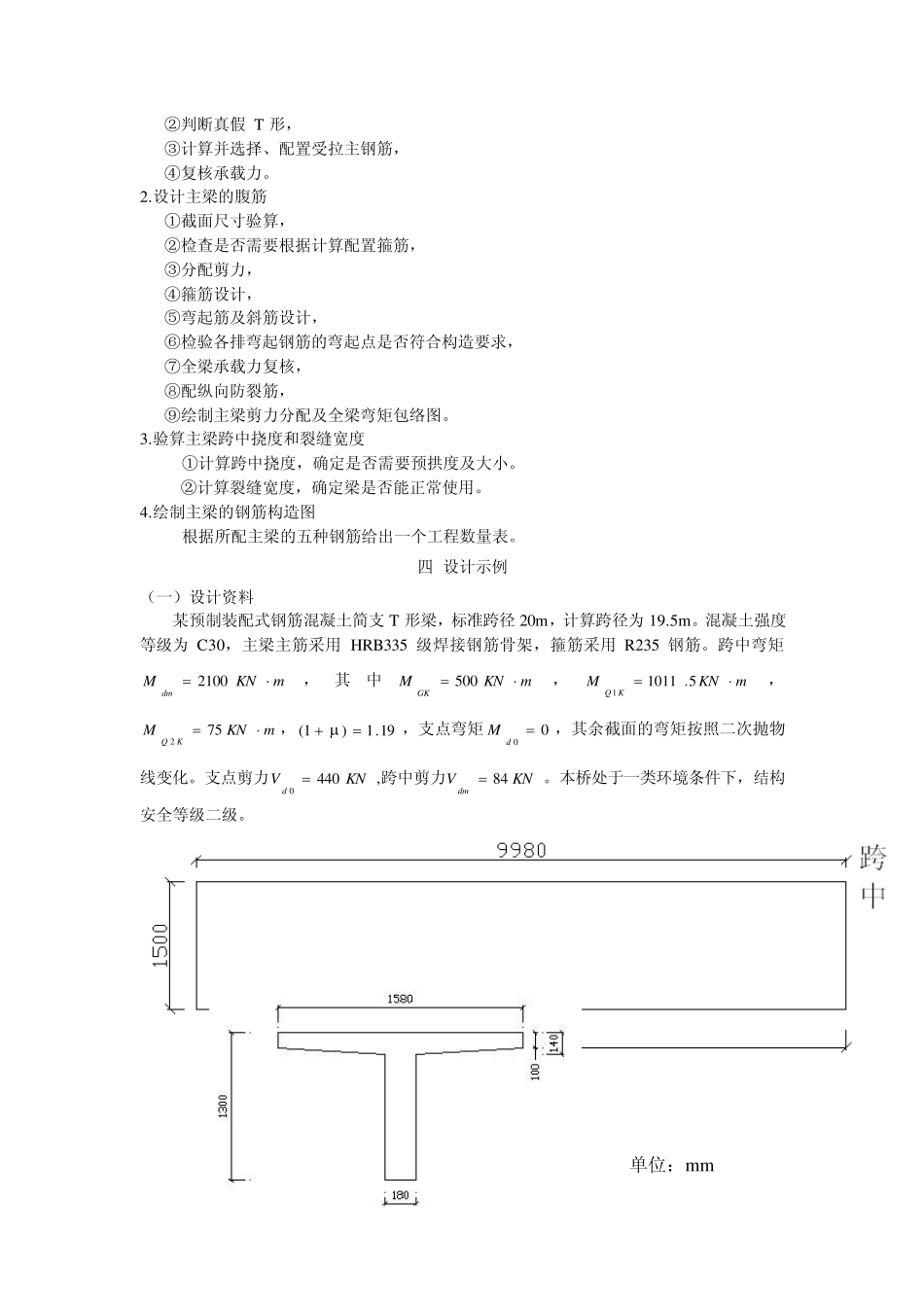
二 课程设计任务书 (一)设计资料 已知标准跨径为 20m 的公路装配式钢筋混凝土简支 T 形梁,计算跨径为 19.5m ,混凝土强度等级为 C30,主梁主筋采用 HRB335 级焊接钢筋骨架,箍筋采用 R235 钢筋。跨中弯矩 mKNMdm 3500,其中mKNMGK 900,mKNMKQ17.16601 ,mKNMKQ5.852,19.1)1( ,支点弯矩00 dM,其余截面的弯矩按照二次抛物线变化。支点剪力KNVd7500 ,跨中剪力KNVdm115。本桥处于一类环境条件下,结构安全等级二级。 单位:m m (二)设计依据 1.交通部部标准《公路钢筋混凝土及预应力混凝土桥涵设计规范》 (JTG D62-2004) 2.交通部部标准《公路桥涵设计通用规范》 (JTG D60-2004) 3.《工程结构》(白淑毅编)人民交通出版社 2005 (三)设计内容 1.计算跨中截面受拉钢筋面积,并进行承载力复核。 2.设计主梁的腹筋。 3.验算主梁跨中挠度和裂缝宽度。 4.绘制主梁的钢筋构造图。 三 设计指导 1.计算跨中截面受拉钢筋的面积,并进行承载力复核。 ①化标准 T 形梁, ②判断真假 T 形, ③计算并选择、配置受拉主钢筋, ④复核承载力。 2.设计主梁的腹筋 ①截面尺寸验算, ②检查是否需要根据计算配置箍筋, ③分配剪力, ④箍筋设计, ⑤弯起筋及斜筋设计, ⑥检验各排弯起钢筋的弯起点是否符合构造要求, ⑦全梁承载力复核, ⑧配纵向防裂筋, ⑨绘制主梁剪力分配及全梁弯矩包络图。 3.验算主梁跨中挠度和裂缝宽度 ①计算跨中挠度,确定是否需要预拱度及大小。 ②计算裂缝宽度,确定梁是否能正常使用。 4.绘制主梁的钢筋构造图 根据所配主梁的五种钢筋给出一个工程数量表。 四 设计示例 (一)设计资料 某预制装配式钢筋混凝土简支 T 形梁,标准跨径 20m ,计算跨径为 19.5m 。混凝土强度等级为 C30,主梁主筋采用 HRB335 级焊接钢筋骨架,箍筋采用 R235 钢筋。跨中弯矩mKNMdm 2100,其中mKNMGK 500,mKNMKQ5.10111,mKNMKQ 752,19.1)1( ,支点弯矩00 dM,其余截面的弯矩按照二次抛物线变化。支点剪力KNVd4400 ,跨中剪力KNVdm84。本桥处于一类环境条件下,结构安全等级二级。 单位:m m (二)设计步骤 一)基本数据 C30 混凝土轴心抗压强度设计值2/8.13mmNfcd ,边长为150m m 的混凝土试件抗压强度标准值2./30mmNfkcu,混凝土轴心抗拉强度标准值2/01.2mmNftk ,弹性模量24/1...

1、当您付费下载文档后,您只拥有了使用权限,并不意味着购买了版权,文档只能用于自身使用,不得用于其他商业用途(如 [转卖]进行直接盈利或[编辑后售卖]进行间接盈利)。
2、本站所有内容均由合作方或网友上传,本站不对文档的完整性、权威性及其观点立场正确性做任何保证或承诺!文档内容仅供研究参考,付费前请自行鉴别。
3、如文档内容存在违规,或者侵犯商业秘密、侵犯著作权等,请点击“违规举报”。

碎片内容

[钢筋混凝土结构设计原理]装配式钢筋混凝土简支T形梁主梁配筋课程设计优秀作品

确认删除?
VIP
微信客服
  • 扫码咨询
会员Q群
  • 会员专属群点击这里加入QQ群
客服邮箱
回到顶部