电脑桌面
添加小米粒文库到电脑桌面
安装后可以在桌面快捷访问

水工结构真题上午测验考试印刷版VIP免费

水工结构真题上午测验考试印刷版_第1页
1/15
水工结构真题上午测验考试印刷版_第2页
2/15
水工结构真题上午测验考试印刷版_第3页
3/15
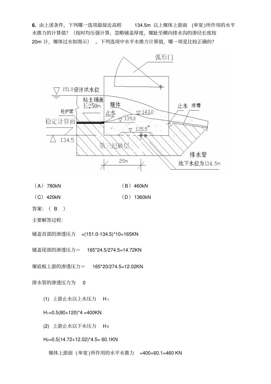
1~3. 某大( 2)型水库工程,主坝为均质土坝,高70m,工程位于7 度地震区,地震设计烈度为Ⅶ。设计洪水位为105.5m,校核洪水位为107.5m,正常蓄水位为105.0m。已知: 正常运用条件下波浪在坝坡上的爬高为3.50 m,非常运用条件下波浪在坝坡上的爬高为1.8 m。最大风壅水面高度正常与非常情况均忽略不计;地震壅浪高度取0.5m,地震沉降按零计。1. 由以上条件,确定坝顶高程是由下列哪一种工况控制?(A)正常蓄水位加非常运用条件的坝顶超高再加地震安全加高(B)正常蓄水位加正常运用条件的坝顶超高(C)校核洪水位加非常运用条件的坝顶超高(D)设计洪水位加正常运用条件的坝顶超高2. 参照已建工程的经验,均质土坝的上、 下游坝坡关系有一定的规律,该坝的综合坝坡,上、下游各拟定了四种情况,下列选项中哪一项是符合一般规律的?(A)1:2.5,1:2.8 (B)1:2.6,1:2.6 (C)1:2.6,1:3.0 (D)1:2.8,1:2.4 答案: ( ) 主要解答过程:3. 当对该坝最大坝高断面进行坝坡稳定分析时,非常运用情况下, 下列选项中哪一项是正确的?(A)需要计及地震荷载,同时考虑水平向和垂直向地震作用(B)不需要计及地震荷载(C)需要计及地震荷载,只考虑水平地震作用(D)需要计及地震荷载,只考虑垂直向地震作用4~6. 某大型工程,位于8 度地震区。主坝为粘土均质坝,受地形的限制,为满足泄洪要求,在主、副坝联接处建有溢洪道,设计洪水泄流量为8300m3/s,溢洪道基础位于第三纪砂层上。 溢洪道采用直线布置,由驼峰堰进水闸、泄槽、 一级消力池、 二级消力池、三级消力池以及海漫等几部分组成。堰体为驼峰堰型,长28m,上游设壤土铺盖,厚2~3m,长 250m,渗透系数为1×10-6cm/s,铺盖下砂层渗透系数为3×10-3cm/s。堰体下设两条横向(垂直水流)排水管,并与堰体两侧边边墙外纵向排水管相联,横向排水管内地下水位高程为134.5m。堰体结构简图及设计洪水过水时的受力状态见附图。泄槽两侧挡墙为直墙式,并对称扩散,进口堰末泄槽起点宽131.5m ,流速为13.15m/s,水深 4.8m;泄槽末端处宽170m,流速为 21.23m/s,水深 2.3m。泄槽底板下设有反滤层和网状排水沟,纵横向排水沟布置在泄槽底板下,横向排水沟自溢洪道中心向两侧以 5%的坡度引边墙外排水廊道内。第三纪砂层相对密度为0.80。由颗粒级配曲线查得小于各粒径重量占总重量的百分数如下表:砂的粒径di( mm)0.014 0.030 0.050 0.060 0.120 0.170 0.25 0....

1、当您付费下载文档后,您只拥有了使用权限,并不意味着购买了版权,文档只能用于自身使用,不得用于其他商业用途(如 [转卖]进行直接盈利或[编辑后售卖]进行间接盈利)。
2、本站所有内容均由合作方或网友上传,本站不对文档的完整性、权威性及其观点立场正确性做任何保证或承诺!文档内容仅供研究参考,付费前请自行鉴别。
3、如文档内容存在违规,或者侵犯商业秘密、侵犯著作权等,请点击“违规举报”。

碎片内容

水工结构真题上午测验考试印刷版

您可能关注的文档

确认删除?
VIP
微信客服
  • 扫码咨询
会员Q群
  • 会员专属群点击这里加入QQ群
客服邮箱
回到顶部