电脑桌面
添加小米粒文库到电脑桌面
安装后可以在桌面快捷访问

水暖技术交底讲解VIP免费

水暖技术交底讲解_第1页
1/14
水暖技术交底讲解_第2页
2/14
水暖技术交底讲解_第3页
3/14
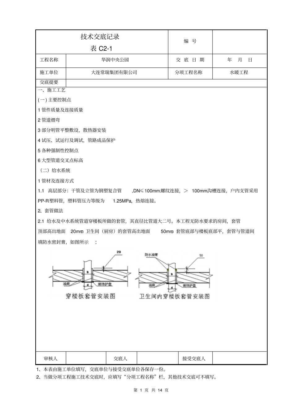
第 1 页 共 14 页技术交底记录表 C2-1编 号工程名称华润中央公园交 底 日 期年月日施工单位大连常瑞集团有限公司分项工程名称水暖工程交底提要一、施工工艺(一 ) 主要控制点1 管件质量及连接质量2 管道煨弯3 部分明管平整敷设,散热器安装4 试压、试运行及调试,管路成品保护5 各种强制性控制点6 大型管道交叉点标高(二)给水系统1 管材及连接方式1.1高层部分:干管及立管为钢塑复合管,DN≤100mm.螺纹连接,> 100mm,沟槽连接,户内支管采用PP-R塑料管,塑料管压力等级为1.25MPa,热熔连接。2、套管做法2.1 给水及中水系统管道穿楼板所做的套管,其直径比管道大二号。本工程无防水要求的房间,套管顶部高出地面20mm;卫生间(厨房)的套管高出地面50mm。套管底部与楼板底部平,套管与管道间填防水密封膏,如图所示:审核人交底人接受交底人1、本表由施工单位填写,交底单位与接受交底单位各保存一份。2、当做分项工程施工技术交底时,应填写“分项工程名称”栏,其他技术交底可不填写。第 2 页 共 14 页技术交底记录表 C2-1编 号工程名称华润中央公园交 底 日 期年月日施工单位大连常瑞集团有限公司分项工程名称水暖工程交底提要2.2 当管道穿墙壁、楼板时,应配合土建工程预留孔、洞。管道预留孔洞的尺寸,如设计无要求,应按下表的规定执行:预留孔洞尺寸参考表项次管道名称明管留孔尺寸( mm)长 X宽1 给水立管管径≤ 25mm 100x100 管径 32-50mm 150x150 管径 70-100mm 200x200 2 一根排水立管管径≤ 50mm 150x150 管径 70-100mm 200x200 3 二根给水立管管径≤ 32mm 150x100 4 给水支管管径≤ 25mm 100x100 管径 32-40mm 150x130 5 排水支管管径≤ 80mm 250x200 管径 100mm 300x250 6 排水主干管管径≤ 80mm 300x250 审核人交底人接受交底人1、本表由施工单位填写,交底单位与接受交底单位各保存一份。2、当做分项工程施工技术交底时,应填写“分项工程名称”栏,其他技术交底可不填写。第 3 页 共 14 页技术交底记录表 C2-1编 号工程名称华润中央公园交 底 日 期年月日施工单位大连常瑞集团有限公司分项工程名称水暖工程交底提要2.3 在配合施工中,给排水专业人员必须随工程进度密切配合土建专业作好预留洞工作。管道井和管道穿梁、楼板都应和土建配合预留好,注意加强检查,绝不能有遗漏;2.4 为了避免遗漏和错留,在核对间距、尺寸和位置无误并经过相...

1、当您付费下载文档后,您只拥有了使用权限,并不意味着购买了版权,文档只能用于自身使用,不得用于其他商业用途(如 [转卖]进行直接盈利或[编辑后售卖]进行间接盈利)。
2、本站所有内容均由合作方或网友上传,本站不对文档的完整性、权威性及其观点立场正确性做任何保证或承诺!文档内容仅供研究参考,付费前请自行鉴别。
3、如文档内容存在违规,或者侵犯商业秘密、侵犯著作权等,请点击“违规举报”。

碎片内容

水暖技术交底讲解

文库响当当+ 关注
实名认证
内容提供者

该用户很懒,什么也没介绍

确认删除?
VIP
微信客服
  • 扫码咨询
会员Q群
  • 会员专属群点击这里加入QQ群
客服邮箱
回到顶部