电脑桌面
添加小米粒文库到电脑桌面
安装后可以在桌面快捷访问

水泥管购销合同协议书范本VIP免费

水泥管购销合同协议书范本_第1页
1/4
水泥管购销合同协议书范本_第2页
2/4
水泥管购销合同协议书范本_第3页
3/4
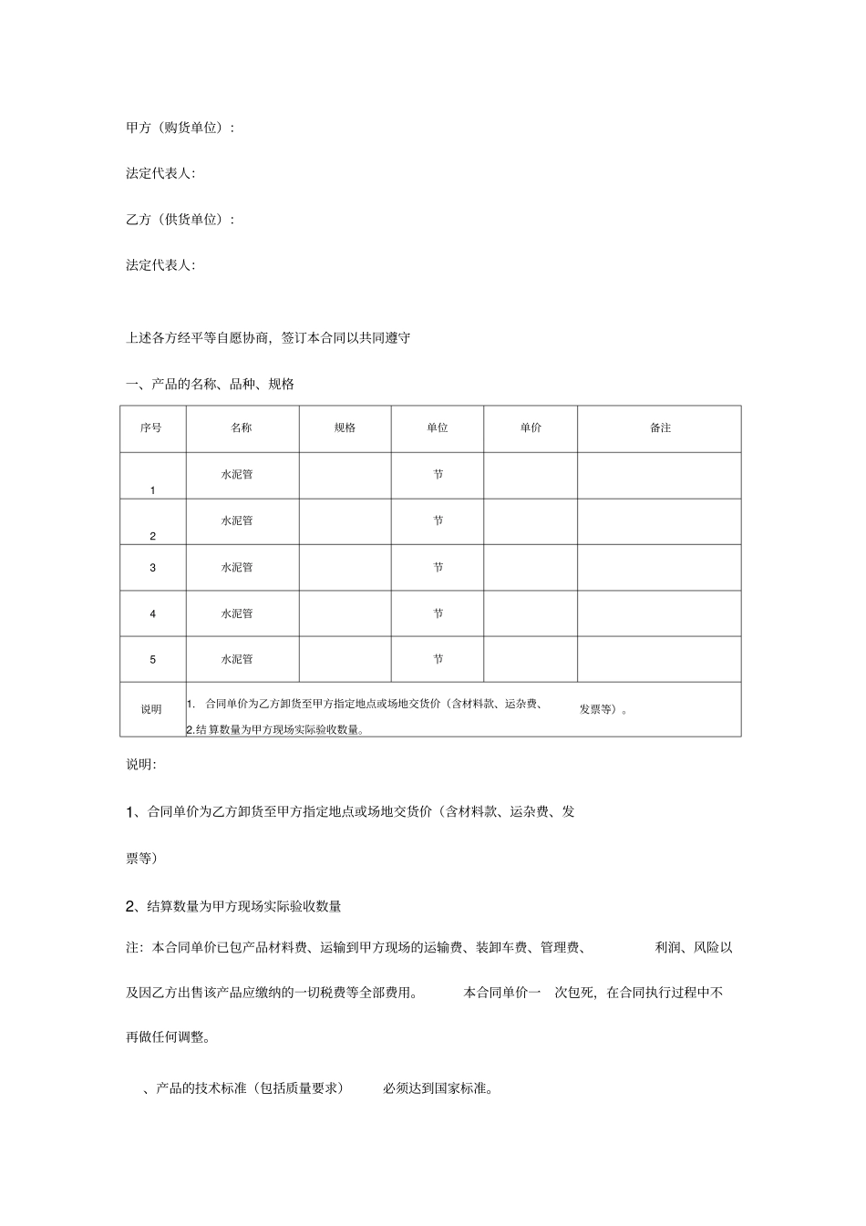
编号:________________ 水泥管购销合同甲 方: ___________________________ 乙 方: ___________________________ 签订日期:_____ 年 _____ 月 _____ 日甲方(购货单位):法定代表人:乙方(供货单位):法定代表人:上述各方经平等自愿协商,签订本合同以共同遵守一、产品的名称、品种、规格序号名称规格单位单价备注1 水泥管节2 水泥管节3 水泥管节4 水泥管节5 水泥管节说明1. 合同单价为乙方卸货至甲方指定地点或场地交货价(含材料款、运杂费、2. 结 算数量为甲方现场实际验收数量。发票等)。说明:1、合同单价为乙方卸货至甲方指定地点或场地交货价(含材料款、运杂费、发票等)2、结算数量为甲方现场实际验收数量注:本合同单价已包产品材料费、运输到甲方现场的运输费、装卸车费、管理费、利润、风险以及因乙方出售该产品应缴纳的一切税费等全部费用。本合同单价一次包死,在合同执行过程中不再做任何调整。、产品的技术标准(包括质量要求)必须达到国家标准。三、 产品的运输方式、交货地点乙方负责水泥管的运输(合同价已经包含运输费)。乙方应按照甲方的要求把水泥管运输到甲方指定地点并负责卸货。四、 交货时间甲方以电话的形式通知乙方送货,乙方在接到甲方电话的同时立即在第一时间向甲方供货。五、 甲方责任负责通知乙方供货的时间和规格,并对乙方的货物进行检验。六、 乙方责任必须按照甲方要求的时间和卸货地供货,并承担不合格的水泥管涵退场的相关费用。七、 验收在水泥管涵进场时甲方必须进行检验,检验完成后卸货。八、 货款的结算方式及期限水泥管涵按每________ 结算一次,凭据甲方开据的收料单、验收单结算。乙方并提供正式发票。九、 争议解决因本合同引起的或与本合同有关的任何争议,由合同各方协商解决,也可由有关部门调解。协商或调解不成的,应向甲方所在地有管辖权的人民法院起诉。十、合同效力及份数1、本合同自双方签字盖章之日起生效,至甲方的工程全部完工不需要水泥管涵 时自动失效。2、本协议一式二份,协议各方各执一份。各份协议文本具有同等法律效力。3、本协议经各方签署后生效。签署时间:年 月 日甲方(盖章):法定代表人或授权代表(签字):乙方(盖章):法定代表人或授权代表(签字):

1、当您付费下载文档后,您只拥有了使用权限,并不意味着购买了版权,文档只能用于自身使用,不得用于其他商业用途(如 [转卖]进行直接盈利或[编辑后售卖]进行间接盈利)。
2、本站所有内容均由合作方或网友上传,本站不对文档的完整性、权威性及其观点立场正确性做任何保证或承诺!文档内容仅供研究参考,付费前请自行鉴别。
3、如文档内容存在违规,或者侵犯商业秘密、侵犯著作权等,请点击“违规举报”。

碎片内容

水泥管购销合同协议书范本

确认删除?
VIP
微信客服
  • 扫码咨询
会员Q群
  • 会员专属群点击这里加入QQ群
客服邮箱
回到顶部