电脑桌面
添加小米粒文库到电脑桌面
安装后可以在桌面快捷访问

污水管网专项施工方案

污水管网专项施工方案_第1页
1/7
污水管网专项施工方案_第2页
2/7
污水管网专项施工方案_第3页
3/7
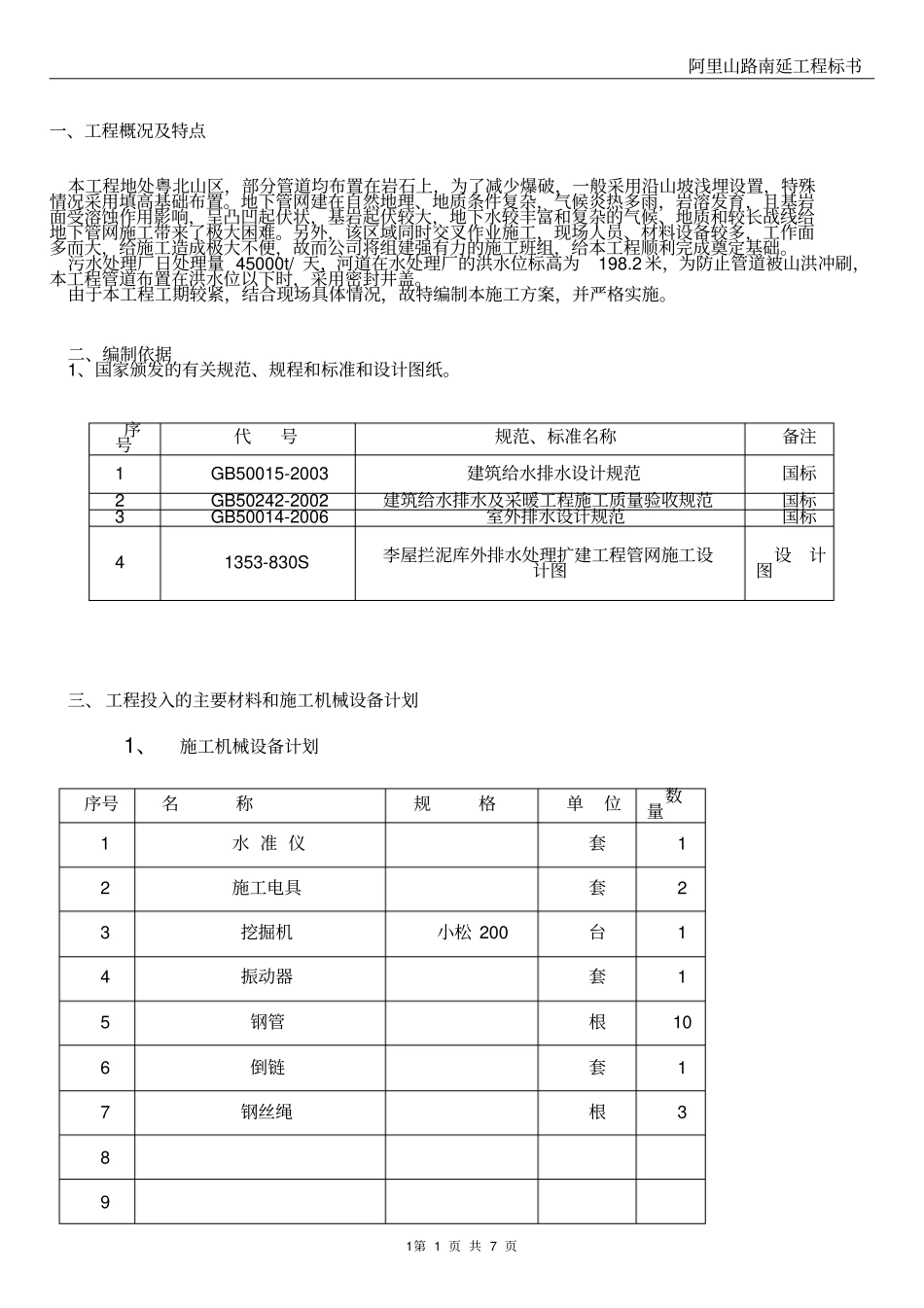
阿里山路南延工程标书1第 1 页 共 7 页一、工程概况及特点本工程地处粤北山区,部分管道均布置在岩石上,为了减少爆破,一般采用沿山坡浅埋设置,特殊情况采用填高基础布置。地下管网建在自然地理、地质条件复杂,气候炎热多雨,岩溶发育,且基岩面受溶蚀作用影响,呈凸凹起伏状,基岩起伏较大,地下水较丰富和复杂的气候、地质和较长战线给地下管网施工带来了极大困难。另外,该区域同时交叉作业施工,现场人员、材料设备较多,工作面多而大,给施工造成极大不便,故而公司将组建强有力的施工班组,给本工程顺利完成奠定基础。污水处理厂日处理量 45000t/ 天,河道在水处理厂的洪水位标高为198.2 米,为防止管道被山洪冲刷,本工程管道布置在洪水位以下时,采用密封井盖。由于本工程工期较紧,结合现场具体情况,故特编制本施工方案,并严格实施。二、编制依据1、国家颁发的有关规范、规程和标准和设计图纸。序号代号规范、标准名称备注1GB50015-2003建筑给水排水设计规范国标2GB50242-2002建筑给水排水及采暖工程施工质量验收规范国标3GB50014-2006室外排水设计规范国标41353-830S李屋拦泥库外排水处理扩建工程管网施工设计图设计图三、 工程投入的主要材料和施工机械设备计划1、施工机械设备计划序号名称规格单位数量1水 准 仪套12施工电具套23挖掘机小松 200台14振动器套15钢管根106倒链套17钢丝绳根389阿里山路南延工程标书2第 2 页 共 7 页102、主要材料A、污水管道系统采用耐酸性II 级机制钢筋混凝土管。 B 、连接口采用石棉水泥填缝。C、起始端压力管道采用 D820×10 304SS不锈钢管。D、过河倒虹管采用 D820×10 304SS不锈钢管。3、原材料的选用1)本工程使用的工程材料,除应由厂家提供的质保书外,还应按设计、施工规范进行抽样检验,并提前向有关部门进行材料报验。2)砼、砂浆试验工程施工前需做现场试验,以确定半成品的物理力学性能指标,确定最佳施工参数、施工工艺,提供质量控制指标及检验控制办法。砂浆试验:按有关行业的标准规定作相应试验。其材料主要检查的项目为:砂浆的配合比经试验确定。根据试验记录,整理出试验成果报告,报工程师审批,按批复意见实施。砼及砂浆配合比试验,按呈报工程师批准的原材料,并按《规范》规定和设计强度。四、施工作业条件1、认真作好设计图纸会审,熟悉施工图纸及有关技术资料。2、认真作好技术、质量、安全交底,并熟悉雨污水、循环回水、给排水管道安装施工工艺...

1、当您付费下载文档后,您只拥有了使用权限,并不意味着购买了版权,文档只能用于自身使用,不得用于其他商业用途(如 [转卖]进行直接盈利或[编辑后售卖]进行间接盈利)。
2、本站所有内容均由合作方或网友上传,本站不对文档的完整性、权威性及其观点立场正确性做任何保证或承诺!文档内容仅供研究参考,付费前请自行鉴别。
3、如文档内容存在违规,或者侵犯商业秘密、侵犯著作权等,请点击“违规举报”。

碎片内容

污水管网专项施工方案

确认删除?
VIP
微信客服
  • 扫码咨询
会员Q群
  • 会员专属群点击这里加入QQ群
客服邮箱
回到顶部