电脑桌面
添加小米粒文库到电脑桌面
安装后可以在桌面快捷访问

汽车维修从业人员安全生产手册

汽车维修从业人员安全生产手册_第1页
1/17
汽车维修从业人员安全生产手册_第2页
2/17
汽车维修从业人员安全生产手册_第3页
3/17
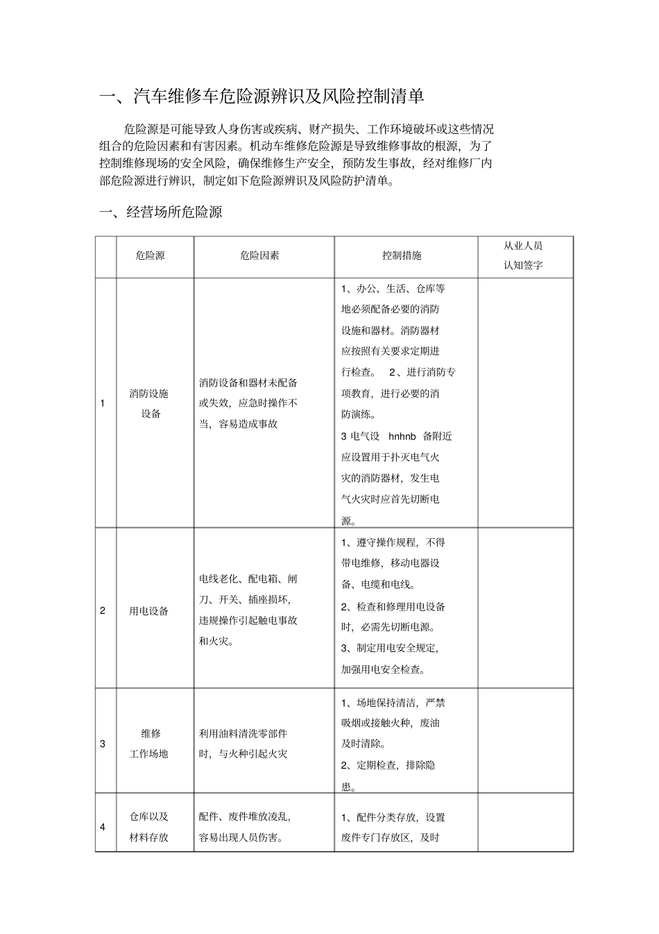
汽车维修从业人员安全生产手册前言为了认真贯彻“安全第一、预防为主”的指导方针和《安全生产法》,全面强化安全管理,保护劳动者的安全与健康,纽顺生产与环保相协调的关系,保证国家、集体财产不受损失,促进维修厂效益的提高,减少和杜绝各种违章现象及各类事故的发生,结合维修厂经营实际情况,制定本制度。目录1、汽车维修厂危险源识别与防控· · · · · · · · · · · ·1 2、设备设施安全生产操作规程· · · · · · · · · · · · ·8 3、安全生产防护注意事项· · · · · · · · · · · · · · ·45 危险源危险因素控制措施从业人员认知签字1 消防设施设备消防设备和器材未配备或失效,应急时操作不当,容易造成事故2 用电设备电线老化、配电箱、闸刀、开关、插座损坏,违规操作引起触电事故和火灾。1、办公、生活、仓库等地必须配备必要的消防设施和器材。消防器材应按照有关要求定期进行检查。2 、进行消防专项教育,进行必要的消防演练。3 电气设hnhnb 备附近应设置用于扑灭电气火灾的消防器材,发生电气火灾时应首先切断电源。1、遵守操作规程,不得带电维修,移动电器设备、电缆和电线。2、检查和修理用电设备时,必需先切断电源。3、制定用电安全规定,加强用电安全检查。3 维修工作场地利用油料清洗零部件时,与火种引起火灾1、场地保持清洁,严禁吸烟或接触火种,废油及时清除。2、定期检查,排除隐患。4 仓库以及材料存放配件、废件堆放凌乱,容易出现人员伤害。1、配件分类存放,设置废件专门存放区,及时一、汽车维修车危险源辨识及风险控制清单危险源是可能导致人身伤害或疾病、财产损失、工作环境破坏或这些情况组合的危险因素和有害因素。机动车维修危险源是导致维修事故的根源,为了控制维修现场的安全风险,确保维修生产安全,预防发生事故,经对维修厂内部危险源进行辨识,制定如下危险源辨识及风险防护清单。一、经营场所危险源地清理。2、油料、油漆单独存放,配备相应灭火器1、设立有害物质集中收集管理制度,专人管理。维修产生5 的“三废”1 千斤顶2 举升机三废产生后要集中分类处理,否则易引起火灾,造成人员伤害。使用千斤顶顶车时,支架必须牢固;顶起和放下车辆时用力要轻,以免车辆突然落下造成人员伤害。举升机工作时,存在人员触电、伤害、高空落物等危险因素。2、设置三废集中收集存储区域,废油倒入废油桶收集,有害物质存储...

1、当您付费下载文档后,您只拥有了使用权限,并不意味着购买了版权,文档只能用于自身使用,不得用于其他商业用途(如 [转卖]进行直接盈利或[编辑后售卖]进行间接盈利)。
2、本站所有内容均由合作方或网友上传,本站不对文档的完整性、权威性及其观点立场正确性做任何保证或承诺!文档内容仅供研究参考,付费前请自行鉴别。
3、如文档内容存在违规,或者侵犯商业秘密、侵犯著作权等,请点击“违规举报”。

碎片内容

汽车维修从业人员安全生产手册

确认删除?
VIP
微信客服
  • 扫码咨询
会员Q群
  • 会员专属群点击这里加入QQ群
客服邮箱
回到顶部