电脑桌面
添加小米粒文库到电脑桌面
安装后可以在桌面快捷访问

汽车运用工程大作业

汽车运用工程大作业_第1页
1/16
汽车运用工程大作业_第2页
2/16
汽车运用工程大作业_第3页
3/16
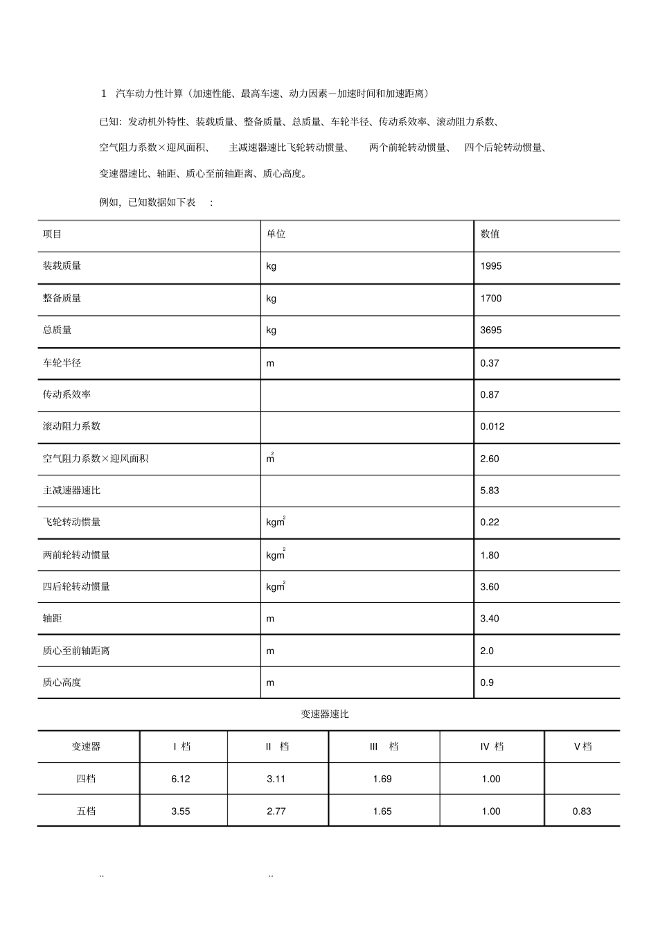
.. .. 汽车运用工程大作业.. .. 1 汽车动力性计算(加速性能、最高车速、动力因素-加速时间和加速距离)已知:发动机外特性、装载质量、整备质量、总质量、车轮半径、传动系效率、滚动阻力系数、空气阻力系数×迎风面积、主减速器速比飞轮转动惯量、两个前轮转动惯量、四个后轮转动惯量、变速器速比、轴距、质心至前轴距离、质心高度。例如,已知数据如下表:项目单位数值装载质量kg 1995 整备质量kg 1700 总质量kg 3695 车轮半径m 0.37 传动系效率0.87 滚动阻力系数0.012 空气阻力系数×迎风面积m22.60 主减速器速比5.83 飞轮转动惯量kgm20.22 两前轮转动惯量kgm21.80 四后轮转动惯量kgm23.60 轴距m 3.40 质心至前轴距离m 2.0 质心高度m 0.9 变速器速比变速器I 档II档III档IV 档V 档四档6.12 3.11 1.69 1.00 五档3.55 2.77 1.65 1.00 0.83 .. .. 发动机外特性Tq=a+a1(n/c)+a2(n/c)2+a2(n/c)3+a3(n/c)4参数aa1a2a2a3c数值-19.31 296 -165 40.9 -3.85 1000 1) 绘制汽车驱动力与行驶阻力平衡图;2) 求汽车的最高车速、最大爬坡度;3) 绘制加速度倒数曲线4) 用图解法或编程绘制汽车动力因数特性曲线5) 图解手工绘制II档起步,加速至70km/h 的车速-时间曲线以及距离-时间曲线。1、绘制汽车驱动利于行驶阻力平衡图m1=1995;m2=1700;mz=3695; g=9.81; f=0.0125-0.0025; nt=0.87+0.025; cda=2.60; r=0.37; n=600:1:4600; i0=5.83; ig1=6.12;ig2=3.11;ig3=1.69;ig4=1.00; ua1=0.377*r.*n/(ig1.*i0); ua2=0.377*r.*n/(ig2.*i0); ua3=0.377*r.*n/(ig3.*i0); ua4=0.377*r.*n/(ig4.*i0); a=-19.31;a1=296;a2=-165;a3=40.9;a4=-3.85; c=1000; tq=a+a1*(n/c)+a2*(n/c).^2+a3*(n/c).^3+a4*(n/c).^4; ft1=tq.*ig1.*i0.*nt/r; ft2=tq.*ig2.*i0.*nt/r; ft3=tq.*ig3.*i0.*nt/r; ft4=tq.*ig4.*i0.*nt/r; fz1=mz.*g.*f+cda*ua1.^2/21.15; %fz=Ff+Fw fz2=mz.*g.*f+cda*ua2.^2/21.15; fz3=mz.*g.*f+cda*ua3.^2/21.15; fz4=mz.*g.*f+cda*ua4.^2/21.15; plot(ua1,ft1,ua2,ft2,ua3,ft3,ua4,ft4,ua1,fz1,ua2,fz2,ua3,fz3,ua4,fz4); title('驱动力与行驶阻力平衡图'); Xlabel('ua(km/h)'); .. .. Ylabel('ft(N)'); gtext('Ft1') gtext('Ft2') gtext('Ft3') gtext('Ft4') gtext('Ff+Fw') 2、求汽车的最高车速、最大爬坡度1)汽车的最高车速当 Ft=Ff+Fw 时, 汽车处于稳定状态, 并...

1、当您付费下载文档后,您只拥有了使用权限,并不意味着购买了版权,文档只能用于自身使用,不得用于其他商业用途(如 [转卖]进行直接盈利或[编辑后售卖]进行间接盈利)。
2、本站所有内容均由合作方或网友上传,本站不对文档的完整性、权威性及其观点立场正确性做任何保证或承诺!文档内容仅供研究参考,付费前请自行鉴别。
3、如文档内容存在违规,或者侵犯商业秘密、侵犯著作权等,请点击“违规举报”。

碎片内容

汽车运用工程大作业

确认删除?
VIP
微信客服
  • 扫码咨询
会员Q群
  • 会员专属群点击这里加入QQ群
客服邮箱
回到顶部