电脑桌面
添加小米粒文库到电脑桌面
安装后可以在桌面快捷访问

油品储运损耗标准

油品储运损耗标准_第1页
1/2
油品储运损耗标准_第2页
2/2
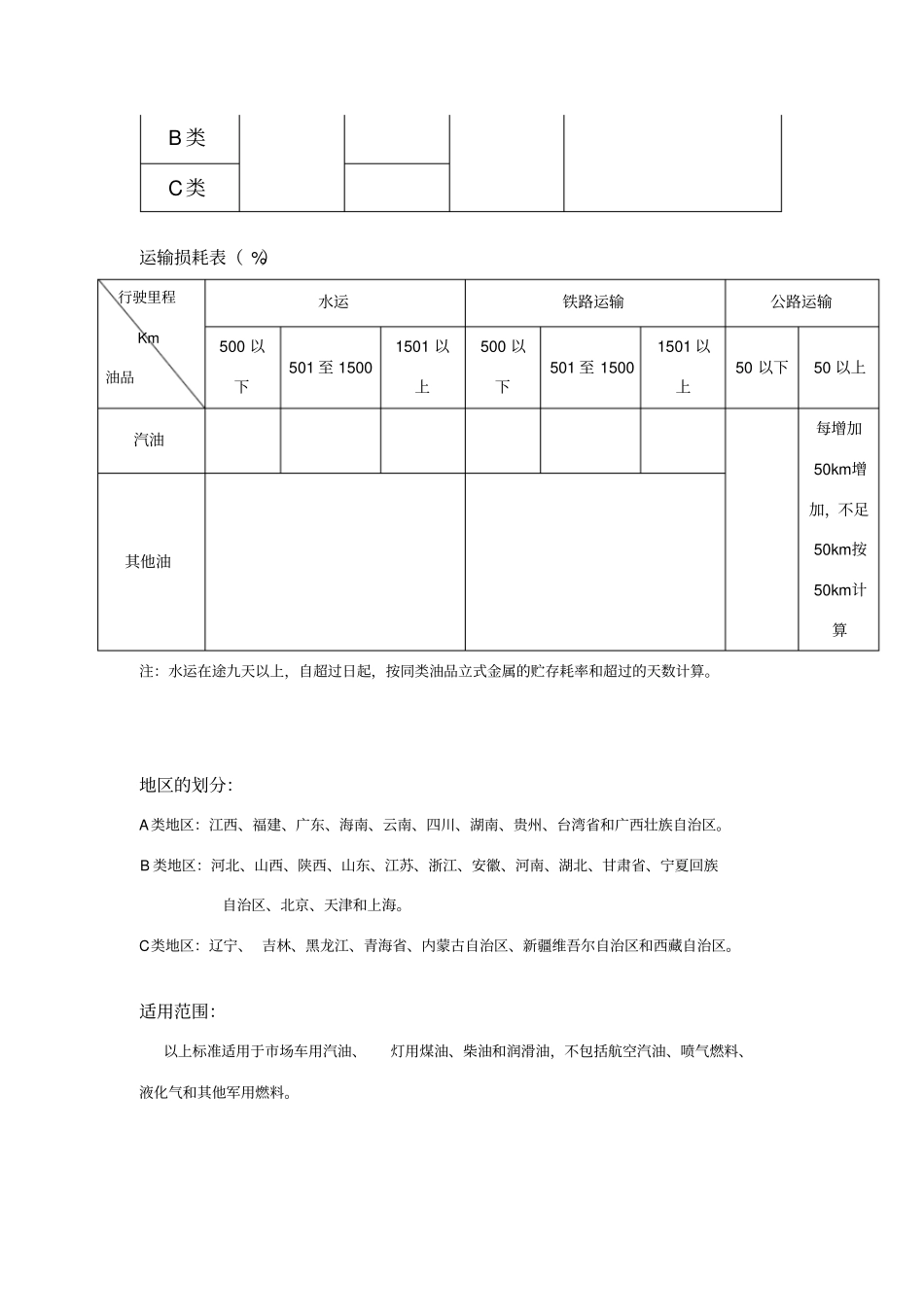
散装液态石油产品损耗GB 11085 — 89 贮存损耗率( %)地区立式金属罐隐蔽罐、浮顶罐汽油其他油不分油品、季节春冬季夏秋季不分季节A 类B 类C类注: 此表按月计算;卧式罐的贮存损耗率可以忽略不计。装车(船)损耗率( %)地区汽油其他油铁路罐车汽车、罐车油轮、油驳不分容器A 类B 类C类卸车(船)损耗率( %)地区汽油煤、柴油润滑油浮顶罐其他罐不分罐型A 类0..01B 类C类运输损耗表( %)行驶里程 Km油品水运铁路运输公路运输500 以下501 至 15001501 以上500 以下501 至 15001501 以上50 以下50 以上汽油每增加50km增加,不足50km按50km计算其他油注:水运在途九天以上,自超过日起,按同类油品立式金属的贮存耗率和超过的天数计算。地区的划分:A类地区:江西、福建、广东、海南、云南、四川、湖南、贵州、台湾省和广西壮族自治区。B 类地区:河北、山西、陕西、山东、江苏、浙江、安徽、河南、湖北、甘肃省、宁夏回族自治区、北京、天津和上海。C类地区:辽宁、 吉林、黑龙江、青海省、内蒙古自治区、新疆维吾尔自治区和西藏自治区。适用范围:以上标准适用于市场车用汽油、灯用煤油、柴油和润滑油,不包括航空汽油、喷气燃料、液化气和其他军用燃料。

1、当您付费下载文档后,您只拥有了使用权限,并不意味着购买了版权,文档只能用于自身使用,不得用于其他商业用途(如 [转卖]进行直接盈利或[编辑后售卖]进行间接盈利)。
2、本站所有内容均由合作方或网友上传,本站不对文档的完整性、权威性及其观点立场正确性做任何保证或承诺!文档内容仅供研究参考,付费前请自行鉴别。
3、如文档内容存在违规,或者侵犯商业秘密、侵犯著作权等,请点击“违规举报”。

碎片内容

油品储运损耗标准

您可能关注的文档

确认删除?
VIP
微信客服
  • 扫码咨询
会员Q群
  • 会员专属群点击这里加入QQ群
客服邮箱
回到顶部