电脑桌面
添加小米粒文库到电脑桌面
安装后可以在桌面快捷访问

油库各类报表

油库各类报表_第1页
1/6
油库各类报表_第2页
2/6
油库各类报表_第3页
3/6
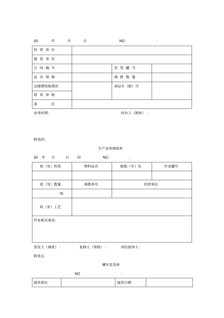
附表一:特殊作业(发槽车)申请审批单作业品种作业时间段作业罐号数量与车数申请原由申请部门:年月日分管领导批示领导签字:备注附表二:特殊作业方案审批单编号:作业项目作业时间作业方案与防范措施危害辨识与控制以及应急预案调度:生产:安技:设备:油库生产业务主任复核意见:签字:油库安全主任评估意见签字:分管生产副总审核意见总经理审批意见附表三:业务调拨单20 年月日 NO:经 营 单 位提 货 单 位合 同 编 号发 货 罐 号品 名 规 格调 拨 数 量仓储费收取情况承运车(船)号财 务 审 核备注业务经理:经办人(制单) :附表四:生产业务调度单20 年月日时 NO:收(发)性质物料品名船舶(车)名作业罐号收(发)数量调拨单号经营单位吨收(发)工艺作业相关事宜:签发人(调度) :复核人(领班) :岗位接单人:附表五:槽车发货单 NO:提货单位提货日期发货单号发货车号物料品名发货台号发货数量吨发货体积升发货罐号补差体积升帐管员签字:发货员(司泵工艺)签字:附表六:临时设备安装作业单20 10年6 月8日14:35时 NO:临时设备名称规格和性能参数管道离心泵65m3/h、11Kw安装部位: A08 下排污与内管线端口之间安装目的: A08 罐底混合芳烃物料出空发货(或输转)使用安装方案: ①用叉车将管道离心泵送至罐防火堤内(或防火堤外车行斜坡踏步处)②用小推车将泵机运至安装地点③机电人员根据现场条件办理临时用电申请审批④电工给泵机接电,安全人员检验后,进行试运转交付给生产人员⑤生产人员按《调度生产作业单》要求准备生产设施和连接工艺调度: 叶志刚危害辨识与风险控制:①持证叉车操作工驾驶叉车、作业面或场所无隐患、叉吊设备得当②小推车装、运泵机牢固、翻越斜坡平稳③用电线缆完好、泵机和开关防爆、接入口封堵严密④泵机试运转正常后有安装方与使用方的交接手续⑤设备设施无碰撞、工具使用无敲击安全技术人员:谢俊清接单人生产领班: 管红兵机电设备: 陆其林(顾新田)附表七:临时用电作业许可证许可证编号: 0000376 非防爆用电设备在易燃易爆场所使用需同时办理《临时用火作业许可证》申请临时用电部门生产班组用电作业负责人黄晓建用 电 目 的油罐机械通风用电作业地点A08 防火堤侧人孔外用电过程监护人倪建用电设备名称防爆桶式风机功率及工作电压、380V电源接入点A 区 A06 外检修箱电源控制点风机旁防爆开关如果作业条件、工作范围等发生改变或出现...

1、当您付费下载文档后,您只拥有了使用权限,并不意味着购买了版权,文档只能用于自身使用,不得用于其他商业用途(如 [转卖]进行直接盈利或[编辑后售卖]进行间接盈利)。
2、本站所有内容均由合作方或网友上传,本站不对文档的完整性、权威性及其观点立场正确性做任何保证或承诺!文档内容仅供研究参考,付费前请自行鉴别。
3、如文档内容存在违规,或者侵犯商业秘密、侵犯著作权等,请点击“违规举报”。

碎片内容

油库各类报表

您可能关注的文档

确认删除?
VIP
微信客服
  • 扫码咨询
会员Q群
  • 会员专属群点击这里加入QQ群
客服邮箱
回到顶部