电脑桌面
添加小米粒文库到电脑桌面
安装后可以在桌面快捷访问

油库安全检查表

油库安全检查表_第1页
1/12
油库安全检查表_第2页
2/12
油库安全检查表_第3页
3/12
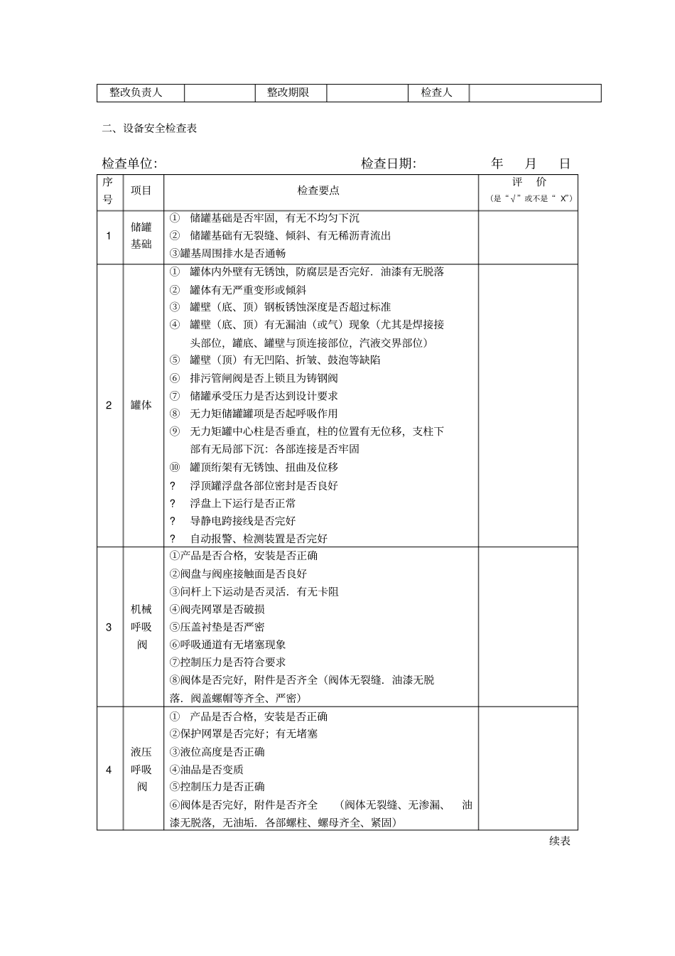
轻烃储罐及油品储罐区安全检查表一、安全管理检查表检查单位:检查日期:年月日序号项目检查要点评价(是“√”或不是“X”)1安全组织①有无健全的安全组织(有安全委员会, 有安全小组, 班组有安全员),职责是否明确②安全组织是否定期开展安全“三预”活动和安全日活动③有无专(兼) 职消防组织和消防预案,人员是否固定, 职责是否明确,是否定期组织消防演练2规章制度①是否建立了岗位责任制和安全生产责任制②各级、各职、各个岗位以及各个重要环节的人员是否都有明确的职责③各种设备是否都制定了安全技术操作规程,遵守情况如何④是否建立交库质量检验制度执行情况如何⑤是否建立了出入库计量管理制度,执行情况如何⑥是否建立了定期检查评比制度⑦是否建立了安全教育制度⑧是否建立了事故管理制度⑨是否建立了化验室安全管理制度⑩是否建立了安全防火责任制(11)是否建立了罐区重点防卫制度(12)是否建立了明火管理制度3教育培训①有无年度安全教育训练计划②有无安全教育训练考核制度和考核标准③是否办有劳动保护教育室或经常招开宣教会④是否落实三级安全教育规定⑤“安全活动”是否开展.效果如何⑥职工是否达到“四懂” 、“三会”的要求⑦是否每年定期组织灭火作战预案的演练4事故管理①事故报告处理是否符合制度要求有无隐情不报情况②发生事故后,是否按“四不放过”原则进行处理5安全措施计划①新建、扩建,改建和采用新工艺、新技术、新材料项目是否做到了与主体工作“三同时”②安技计划资金提取是否达到更新改造资金的10%-20%存在问题整改意见整改负责人整改期限检查人二、设备安全检查表检查单位:检查日期:年月日序号项目检查要点评价(是“√”或不是“ X”)1储罐基础①储罐基础是否牢固,有无不均匀下沉②储罐基础有无裂缝、倾斜、有无稀沥青流出③罐基周围排水是否通畅2罐体①罐体内外壁有无锈蚀,防腐层是否完好.油漆有无脱落②罐体有无严重变形或倾斜③罐壁(底、顶)钢板锈蚀深度是否超过标准④罐壁(底、顶)有无漏油(或气)现象(尤其是焊接接头部位,罐底、罐壁与顶连接部位,汽液交界部位)⑤罐壁(顶)有无凹陷、折皱、鼓泡等缺陷⑥排污管闸阀是否上锁且为铸钢阀⑦储罐承受压力是否达到设计要求⑧无力矩储罐罐项是否起呼吸作用⑨无力矩罐中心柱是否垂直,柱的位置有无位移,支柱下部有无局部下沉:各部连接是否牢固⑩罐顶绗架有无锈蚀、扭曲及位移?浮顶罐浮盘各部位密封是否良好?浮盘上下运行是...

1、当您付费下载文档后,您只拥有了使用权限,并不意味着购买了版权,文档只能用于自身使用,不得用于其他商业用途(如 [转卖]进行直接盈利或[编辑后售卖]进行间接盈利)。
2、本站所有内容均由合作方或网友上传,本站不对文档的完整性、权威性及其观点立场正确性做任何保证或承诺!文档内容仅供研究参考,付费前请自行鉴别。
3、如文档内容存在违规,或者侵犯商业秘密、侵犯著作权等,请点击“违规举报”。

碎片内容

油库安全检查表

您可能关注的文档

确认删除?
VIP
微信客服
  • 扫码咨询
会员Q群
  • 会员专属群点击这里加入QQ群
客服邮箱
回到顶部