电脑桌面
添加小米粒文库到电脑桌面
安装后可以在桌面快捷访问

产品可靠性试验报告

产品可靠性试验报告_第1页
1/9
产品可靠性试验报告_第2页
2/9
产品可靠性试验报告_第3页
3/9
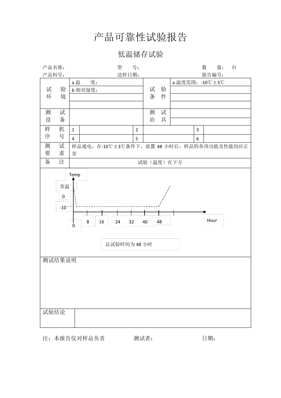
产品可靠性试验报告 低温储存试验 产品名称: 型 号: 数 量: 台 产品料号: 送样日期: 报告编号: 试 验 环 境 a 温 度: 试 验 条 件 a 温度范围:-10℃±3℃ b 相对湿度: 测 试 设 备 测 试 治 具 样 机 序 号 1 2 3 4 5 6 测 试 要 求 样品通电,在-10℃±3℃条件下,放置 48 小时后,样品的各项功能及性能均应正常 备 注 试验(温度)在下方 测试结果说明 试验结论 注:本报告仅对样品负责 测试者: 日期: 8 48 40 32 24 16Temp 常温 0 0 Hou r 总试验时间为 48 小时 -10 产品可靠性试验报告 恒定湿热试验 产品名称: 型 号: 数 量: 台 产品料号: 送样日期: 报告编号: 试 验 环 境 a 温 度: 试 验 条 件 a 温度范围:40℃±2℃ b 相对湿度: b 湿度范围:96%RH(﹢2%或-3%) c 电源电压:AC V 50Hz 测 试 设 备 测 试 治 具 样 机 序 号 1 2 3 4 5 6 测 试 要 求 无包装样品,通电,在 40℃、96%RH 条件下放置 96 小时立即测试;恢复 24 小时后测试,其外观、结构、功能及性能应符合标准规定 备 注 试验情况 测试结果说明 试验结论 注:本报告仅对样品负责 测试者: 日期: 16 96 64 48 32 Temp 常温 80 0 Hour 总试验时间为 48 小时 50 恢复 产品可靠性试验报告 振动试验 产品名称: 型 号: 数 量: 台 产品料号: 送样日期: 报告编号: 试 验 环 境 a 温 度: 试 验 条 件 a 振幅:0.5g b 相对湿度: b 振动频率:5-100Hz 逐步递增 c 扫描速率:0.1octave/分钟 d 振动方向:X、Y、Z 三轴方向 测 试 设 备 a 振动试验机 振 动 方 式 X 轴方向:各5 次 b 工作台面尺寸: 400mm×400mm Y 轴方向:各5 次 Z 轴方向:各5 次 测 试 方 向 自 动 手 动 样 品 净 重 样 品 尺 寸 样 品 毛 重 彩 盒 尺 寸 振 动 包 装 固 定 方 法 样 机 序 号 1 2 3 4 5 6 测 试 要 求 备 注 三轴方向说明: 测试结果说明 X 轴方向、Y 轴方向试验无法试验,测试结论为 Y 轴方向的结果 试验结论 注:本报告仅对样品负责 测试者: 日期: Y 轴 Z 轴 X 轴 产品可靠性试验报告 自由跌落试验 产品名称: 型 号: 数 量: 台 产品料号: 送样日期:...

1、当您付费下载文档后,您只拥有了使用权限,并不意味着购买了版权,文档只能用于自身使用,不得用于其他商业用途(如 [转卖]进行直接盈利或[编辑后售卖]进行间接盈利)。
2、本站所有内容均由合作方或网友上传,本站不对文档的完整性、权威性及其观点立场正确性做任何保证或承诺!文档内容仅供研究参考,付费前请自行鉴别。
3、如文档内容存在违规,或者侵犯商业秘密、侵犯著作权等,请点击“违规举报”。

碎片内容

产品可靠性试验报告

您可能关注的文档

确认删除?
VIP
微信客服
  • 扫码咨询
会员Q群
  • 会员专属群点击这里加入QQ群
客服邮箱
回到顶部