电脑桌面
添加小米粒文库到电脑桌面
安装后可以在桌面快捷访问

产品性能测试实验报告

产品性能测试实验报告_第1页
1/9
产品性能测试实验报告_第2页
2/9
产品性能测试实验报告_第3页
3/9
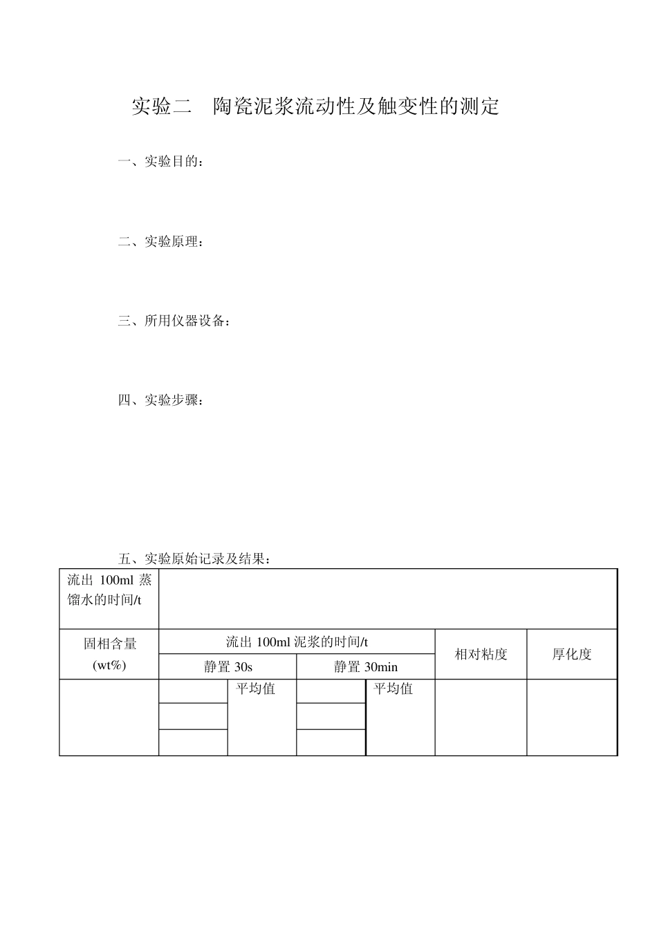
产品性能检测 (陶瓷耐火材料) 实 验 报 告 班级 学号 姓名 成绩 教师签字 批改日期 年 月 日 洛阳理工学院 实验一 陶瓷耐火材料气孔率、吸水率及体积密度的测定 一、 实验目的与要求: 二、 实验原理: 三、 所用仪器设备: 四、 实验步骤: 五、 实验原始记录及结果: 试样 编号 干试样质量 m 1 试样表观质量 m 2 饱 和 样 空 气中质量 m 3 吸水率 (%) 显气孔率 (%) 体积密度 (g/cm 3) 实验二 陶瓷泥浆流动性及触变性的测定 一、实验目的: 二、实验原理: 三、所用仪器设备: 四、实验步骤: 五、实验原始记录及结果: 流出 100ml 蒸馏水的时间/t 固相含量(w t%) 流出 100ml 泥浆的时间/t 相对粘度 厚化度 静置 30s 静置 30min 平均值 平均值 实验三 陶瓷泥浆粘度的测定 一、实验目的: 二、实验原理: 三、所用仪器设备: 四、实验步骤: 五、实验原始记录及结果: 泥浆固相含量(w t%) 粘度计设置 扭矩(%) 粘度mpa.s 转子号 转速 RPM 实验四 陶瓷产品的白度测定 一、 实验目的: 二、 实验原理: 三、 所用仪器设备: 四、 实验步骤: 五、 实验原始记录及结果: 试样编号 试样外观 白度 纸张编号 重叠多层纸样至不透明时的反射率 R∞ 单张纸样背衬黑筒时的反射率 R0 不透明度 (T= R0/ R∞×100) 实验五 陶耐制品的配料和成型工艺 一、 实验目的: 二、 实验原理: 三、 所用仪器设备: 四、 实验步骤: 五、 实验原始记录及结果(原料配方及成型工艺参数): 实验六 陶耐制品的干燥和烧成工艺 一、 实验目的: 二、 实验原理: 三、 所用仪器设备: 四、 实验步骤: 五、 实验原始记录及结果(干燥和烧成工艺参数): 实验七 泥团可塑性的测定 一、 实验目的: 二、 实验原理: 三、 所用仪器设备: 四、 实验步骤: 五、 实验原始记录及结果: 编号 含水率 初始高度 F10 F50 可塑性指标 R 实验八 陶耐制品的线变化测定 一、 实验目的: 二、 实验原理: 三、 所用仪器设备: 四、 实验步骤: 五、 实验原始记录及结果: 编号 湿试样尺寸(m m ) 干试样尺寸(m m ) 线收缩率(%) 实验条件 编号 干试样尺寸(m m ) 烧成后尺寸(m m ) 线收缩率(%) 实验条件

1、当您付费下载文档后,您只拥有了使用权限,并不意味着购买了版权,文档只能用于自身使用,不得用于其他商业用途(如 [转卖]进行直接盈利或[编辑后售卖]进行间接盈利)。
2、本站所有内容均由合作方或网友上传,本站不对文档的完整性、权威性及其观点立场正确性做任何保证或承诺!文档内容仅供研究参考,付费前请自行鉴别。
3、如文档内容存在违规,或者侵犯商业秘密、侵犯著作权等,请点击“违规举报”。

碎片内容

产品性能测试实验报告

您可能关注的文档

确认删除?
VIP
微信客服
  • 扫码咨询
会员Q群
  • 会员专属群点击这里加入QQ群
客服邮箱
回到顶部