电脑桌面
添加小米粒文库到电脑桌面
安装后可以在桌面快捷访问

人工挖孔桩爆破方案VIP专享

人工挖孔桩爆破方案_第1页
1/6
人工挖孔桩爆破方案_第2页
2/6
人工挖孔桩爆破方案_第3页
3/6
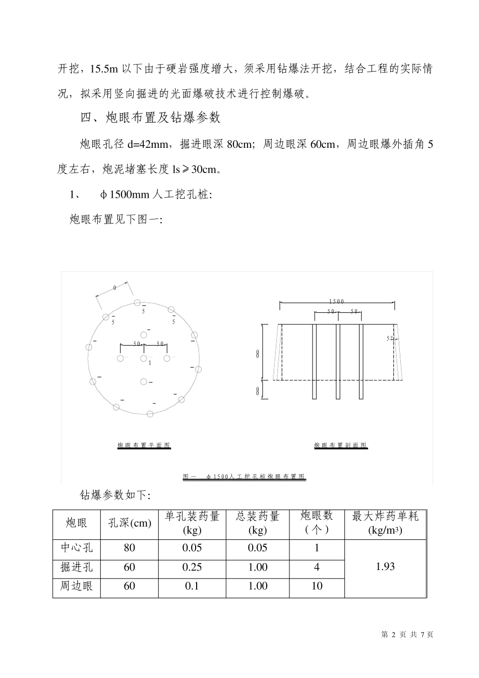
第 1 页 共 7 页 陵水黎族自治县糖厂安置项目B2#住宅楼人工挖孔桩基础 人工挖孔桩爆破开挖设计方案 一、工程概况 陵水黎族自治县糖厂安置项目B2#商住楼工程:用地面积2163.36㎡,总建筑面积22911.13㎡。地上18层,主体高度为55.95米,基础采用人工挖孔桩,承台基础,框剪结构。人工挖孔桩桩径φ1500mm 根数 107 根(包括塔吊人工挖孔桩4 根),孔桩桩径φ1900mm 根数 24 根,设计桩入岩深度50cm,地质条件为冲洪积层、花岗岩风化残积土及花岗岩。根据岩土层岩性特征从上而下划分为8 个工程地质层。第 8 层中风化花岗岩:分布于全场地,坚硬状,裂隙稍发育,岩石饱和单轴抗压强度为33.7~115.4 MPa 平均值为63.85MPa,厚度高,力学强度高,岩石较完整,工程性能好,可作为拟建工程建筑物的桩端持力层。本工程工期紧迫,为提高施工速度,人工挖孔桩过硬岩时须采用钻爆法开挖。 二、周围环境 陵水糖厂安置小区项目位于陵水县城陵水河南侧,距陵水河约 100m,北侧和西侧临近入城公路,交通便利;陵水县椰林镇老糖厂,四周为规划路,总建筑面积约 11.3万平方米。B2#住宅楼是其中的一个子项,东西方向长 95.591米(轴线距离),南北方向长 26.7米。 三、爆破方法选择 人工挖桩地处上软下硬地层中,地表以下约 15.5m 段可采用人工配合风镐第 2 页 共 7 页 开挖,15.5m 以下由于硬岩强度增大,须采用钻爆法开挖,结合工程的实际情况,拟采用竖向掘进的光面爆破技术进行控制爆破。 四、炮眼布置及钻爆参数 炮眼孔径d=42mm,掘进眼深80cm;周边眼深60cm,周边眼爆外插角5度左右,炮泥堵塞长度ls≥30cm。 1、 φ1500mm 人工挖孔桩: 炮眼布置见下图一: 钻爆参数如下: 炮眼 孔深(cm) 单孔装药量(kg) 总装药量(kg) 炮眼数(个) 最大炸药单耗 (kg/m3) 中心孔 80 0.05 0.05 1 1.93 掘进孔 60 0.25 1.00 4 周边眼 60 0.1 1.00 10 1500600200炮眼布置平面图炮眼布置剖面图图一 φ1500人工挖孔桩炮眼布置图2502505°144334707777555666250250第 3 页 共 7 页 2、φ1900m m 人工挖孔桩: 炮眼布置见下图四: 钻爆参数如下: 炮眼 孔深(cm ) 单孔装药量(kg) 总装药量(kg) 炮眼数(个) 最大炸药单耗 (kg/m 3) 中心孔 80 0.05 0.05 1 1.51 掘进孔 60 0.25 1.50 6 周边眼 60 0.1 1.30 13 五、爆破器材及爆破网络 考虑陵水地区地下水丰富的特点,拟采用抗水...

1、当您付费下载文档后,您只拥有了使用权限,并不意味着购买了版权,文档只能用于自身使用,不得用于其他商业用途(如 [转卖]进行直接盈利或[编辑后售卖]进行间接盈利)。
2、本站所有内容均由合作方或网友上传,本站不对文档的完整性、权威性及其观点立场正确性做任何保证或承诺!文档内容仅供研究参考,付费前请自行鉴别。
3、如文档内容存在违规,或者侵犯商业秘密、侵犯著作权等,请点击“违规举报”。

碎片内容

人工挖孔桩爆破方案

确认删除?
VIP
微信客服
  • 扫码咨询
会员Q群
  • 会员专属群点击这里加入QQ群
客服邮箱
回到顶部