电脑桌面
添加小米粒文库到电脑桌面
安装后可以在桌面快捷访问

浙江-钻孔灌注桩资料表格全套

浙江-钻孔灌注桩资料表格全套_第1页
1/12
浙江-钻孔灌注桩资料表格全套_第2页
2/12
浙江-钻孔灌注桩资料表格全套_第3页
3/12
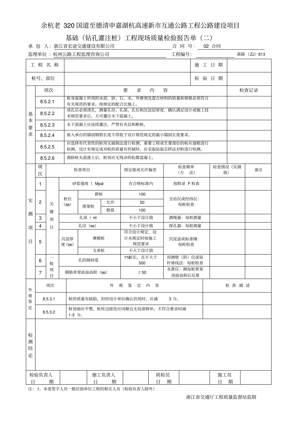
余杭老 320 国道至德清申嘉湖杭高速新市互通公路工程公路建设项目分项工程检验申请和中间交验审批表承 包 人:浙江省宏途交通建设有限公司合同号 :02 合同监理单位 :杭州公路工程监理咨询公司编号:浙路( GL) 105浙江省交通厅工程质量监督站监制致监理工程师:下 列 分 项 工 程 ( 或 单 个 构 件 ) 经 审 核 同 意 , 将 于年月日开 工 , 请 予 派 人 员 全 过 程 旁 站 和 检 验 。(公章)工地(或单位工程)负责人:工程项目工程地点及桩号具体部位检查内容(或主要工序)要求监理员首次到达现场时间检验人员递交日期时间和签字现场监理员收件日期时间和签字中间交验签认现场监理员工专程业师监理签字年月日签字年月日质量证明资料:名称代号有无开工报告(JTG F80/1-2004) 3.2.4(1)3.2.4(2)3.2.4(3)3.2.4(4)3.2.4(5)3.2.4(6)驻地监理工程师审核签字年月日项目经理收到日期、时间签字:余杭老 320 国道至德清申嘉湖杭高速新市互通公路工程公路建设项目施工放样现场记录表承 包 人 : 浙江省宏途交通建设有限公司合 同 号:02 合同监理单位:杭州公路工程监理咨询公司编号:浙路( JS)101 单位工程分项工程施工日期分部工程桩号、部位检测、记录日期施工放样示意图:承包人自检说明:监理检评:现场监理日期施 工 负 责人日期质检员日期施工员日期浙江省交通厅工程质量监督站监制余杭老 320 国道至德清申嘉湖杭高速新市互通公路工程公路建设项目基础(钻孔灌注桩)工程现场质量检验报告单(二)承 包 人 :浙江省宏途交通建设有限公司合 同 号 : 02 合同监理单位 :杭州公路工程监理咨询公司工程编号:浙路 (ZJ)813 工 程 名 称施 工 日 期桩号、部位检 验 日 期基本要求项次要求内容检查记录8.5.2.1 桩身混凝土所用的水泥、砂、石、水、外掺剂及混合材料的质量和规格必须符合有关规范的要求。按规定的配合比施工。8.5.2.2 成孔后必须清孔,测量孔径、孔深、孔位和沉淀层厚度,确认满足设计或施工技术规范要求后,方可灌注水下混凝土。8.5.2.3 水下混凝土应连续灌注,严禁有夹层和断桩。8.5.2.4 嵌入承台的锚固钢筋长度不得低于设计规范规定的最小锚固长度要求。8.5.2.5 应选择有代表性的桩用无破损法进行检测,重要工程或生要部位的桩应逐根进行检测。设计有规定或对桩的质量有怀疑时,应采取钻取芯样法对桩进行检测。8.5.2.6...

1、当您付费下载文档后,您只拥有了使用权限,并不意味着购买了版权,文档只能用于自身使用,不得用于其他商业用途(如 [转卖]进行直接盈利或[编辑后售卖]进行间接盈利)。
2、本站所有内容均由合作方或网友上传,本站不对文档的完整性、权威性及其观点立场正确性做任何保证或承诺!文档内容仅供研究参考,付费前请自行鉴别。
3、如文档内容存在违规,或者侵犯商业秘密、侵犯著作权等,请点击“违规举报”。

碎片内容

浙江-钻孔灌注桩资料表格全套

您可能关注的文档

确认删除?
VIP
微信客服
  • 扫码咨询
会员Q群
  • 会员专属群点击这里加入QQ群
客服邮箱
回到顶部