电脑桌面
添加小米粒文库到电脑桌面
安装后可以在桌面快捷访问

人防土建资料VIP专享

人防土建资料_第1页
1/33
人防土建资料_第2页
2/33
人防土建资料_第3页
3/33
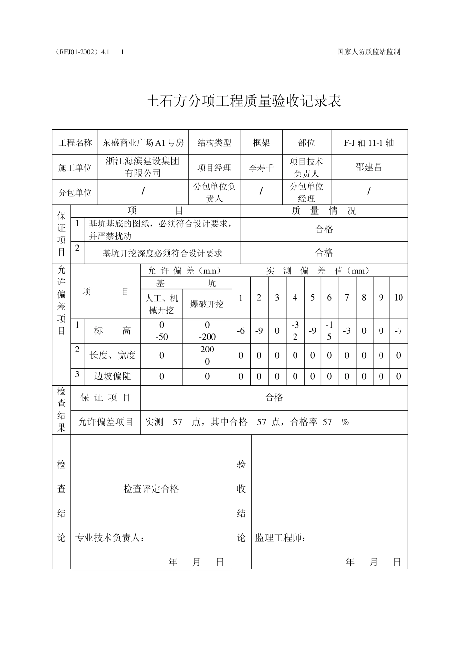
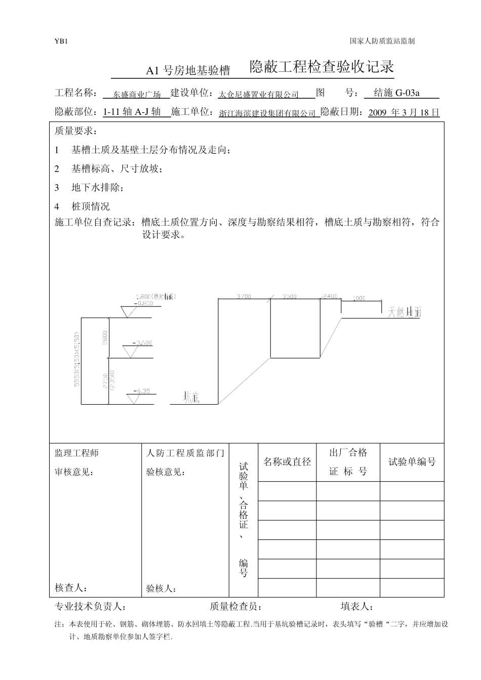
(RFJ01-2002)4.1 1 国家人防质监站监制 土石方分项工程质量验收记录表 工程名称 东盛商业广场A1 号房 结构类型 框架 部位 F-J 轴11-1 轴 施工单位 浙江海滨建设集团有限公司 项目经理 李寿千 项目技术负责人 邵建昌 分包单位 / 分包单位负责人 / 分包单位经理 / 保证项目 项 目 质 量 情 况 1 基坑基底的图纸,必须符合设计要求,并严禁扰动 合格 2 基坑开挖深度必须符合设计要求 合格 允 许偏差项目 项 目 允 许 偏 差(mm) 实 测 偏 差 值(mm) 基 坑 1 2 3 4 5 6 7 8 9 10 人工、机械开挖 爆破开挖 1 标 高 0 -50 0 -200 -6 -9 0 -32 -9 -15 -3 0 0 -7 2 长度、宽度 0 200 0 0 0 0 0 0 0 0 0 0 0 3 边坡偏陡 0 0 0 0 0 0 0 0 0 0 0 0 检查结果 保 证 项 目 合格 允许偏差项目 实测 57 点,其中合格 57 点,合格率 57 % 检 查 结 论 检查评定合格 专业技术负责人: 年 月 日 验 收 结 论 监理工程师: 年 月 日 YB1 国家人防质监站监制 A1 号房地基验槽 隐蔽工程检查验收记录 工程名称: 东盛商业广场 建设单位:太仓尼盛置业有限公司 图 号: 结施 G-03a 隐蔽部位:1-11 轴 A-J 轴 施工单位:浙江海滨建设集团有限公司 隐蔽日期:2009 年 3 月 18 日 质量要求: 1 基槽土质及基壁土层分布情况及走向; 2 基槽标高、尺寸放坡; 3 地下水排除; 4 桩顶情况 施工单位自查记录:槽底土质位置方向、深度与勘察结果相符,槽底土质与勘察相符,符合设计要求。 监理工程师 审核意见: 核查人: 人防工程质监部门验核意见: 验核人: 试验单、合格证、焊件编号 名称或直径 出厂合格 证 标 号 试验单编号 专业技术负责人: 质量检查员: 填表人: 注:本表使用于砼、钢筋、砌体埋筋、防水回填土等隐蔽工程.当用于基坑验槽记录时,表头填写“验槽“二字,并应增加设计、地质勘察单位参加人签字栏. (RFJ01 2002) 4.5 1 国家人防质监站监制 地下连续墙分项工程质量验收评定表 工程名称 东盛商业广场A1号房 结构类型 框架 部 位 1-11 轴A-J 轴主楼、人防地下室剪力墙 施工单位 项目经理 项目技术负责人 分包单位 分包单位负责人 分包项目经理 保证项目 项 目 质 量 情 况 1 所用原材料、混凝土抗压强度、抗渗等级...

1、当您付费下载文档后,您只拥有了使用权限,并不意味着购买了版权,文档只能用于自身使用,不得用于其他商业用途(如 [转卖]进行直接盈利或[编辑后售卖]进行间接盈利)。
2、本站所有内容均由合作方或网友上传,本站不对文档的完整性、权威性及其观点立场正确性做任何保证或承诺!文档内容仅供研究参考,付费前请自行鉴别。
3、如文档内容存在违规,或者侵犯商业秘密、侵犯著作权等,请点击“违规举报”。

碎片内容

人防土建资料

确认删除?
VIP
微信客服
  • 扫码咨询
会员Q群
  • 会员专属群点击这里加入QQ群
客服邮箱
回到顶部