电脑桌面
添加小米粒文库到电脑桌面
安装后可以在桌面快捷访问

亿安时动力锂电池生产线电芯生产线设备清单

亿安时动力锂电池生产线电芯生产线设备清单_第1页
1/29
亿安时动力锂电池生产线电芯生产线设备清单_第2页
2/29
亿安时动力锂电池生产线电芯生产线设备清单_第3页
3/29
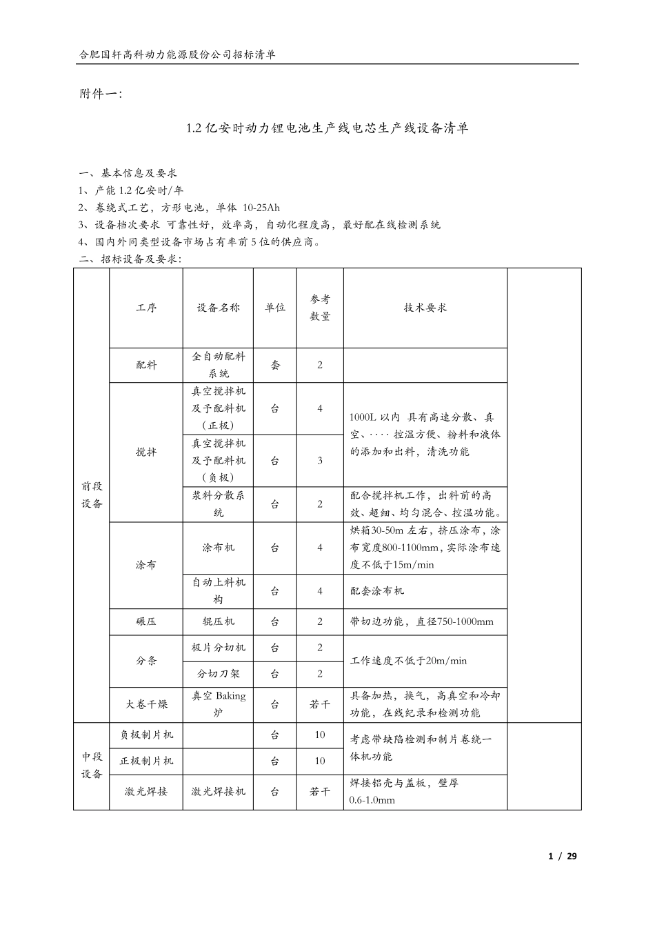
合 肥 国 轩 高 科 动 力 能 源 股 份 公 司 招 标 清 单 1 / 29 附 件 一 : 1.2 亿 安 时 动 力 锂 电 池 生 产 线 电 芯 生 产 线 设 备 清 单 一 、 基 本 信 息 及 要 求 1、 产 能 1.2 亿 安 时 /年 2、 卷 绕 式 工 艺 , 方 形 电 池 , 单 体 10-25Ah 3、 设 备 档 次 要 求 可 靠 性 好 , 效 率 高 , 自 动 化 程 度 高 , 最 好 配 在 线 检 测 系 统 4、 国 内 外 同 类 型 设 备 市 场 占 有 率 前 5 位 的 供 应 商 。 二 、 招 标 设 备 及 要 求 : 前 段设 备 工 序 设 备 名 称 单 位 参 考 数 量 技 术 要 求 配 料 全 自 动 配 料系 统 套 2 搅 拌 真 空 搅 拌 机及 予 配 料 机( 正 极 ) 台 4 1000L 以 内 具 有 高 速 分 散 、 真空 、···· 控 温 方 便 、 粉 料 和 液 体的 添 加 和 出 料 , 清 洗 功能 真 空 搅 拌 机及 予 配 料 机( 负极 ) 台 3 浆料 分 散 系统 台 2 配 合 搅 拌 机 工 作, 出 料 前 的 高效 、 超细、 均匀混合 、 控 温 功能 。 涂布 涂布机 台 4 烘箱30-50m 左右, 挤压涂布, 涂布宽度 800-1100mm,实际涂布速度 不低于15m/min 自 动 上料 机构 台 4 配 套 涂布机 碾压 辊压机 台 2 带切边功能 , 直径750-1000mm 分 条 极 片 分 切机 台 2 工 作速 度 不低于20m/min 分 切刀 架 台 2 大 卷 干 燥 真 空 Baking炉 台 若 干 具 备 加 热 , 换 气 , 高 真 空 和 冷 却功能 , 在 线 纪 录 和 检 测 功能 中 段设 备 负极 制 片 机 台 10 考 虑 带缺 陷 检 测 和 制 片 卷 绕 一体 机 功能 正 极 制 片 机 台 10 激 光 焊 接 激 光 焊 接 机 台 若 干 焊 接 铝 壳 与 盖 板 , 壁 厚 0.6-1.0mm 合 肥 国 轩 高 科 动 力 能 源 股 份 公 司 招 标 清 单 2 / 29 卷 绕 机 台 若 干 卷 芯 宽 度 60-120mm, 厚 度5-12mm, 极 片 宽 度 <130mm, 极片 长 度 <5m 自 动 组 装 线 条 2 实 现 自 动 平 压 至 入 壳...

1、当您付费下载文档后,您只拥有了使用权限,并不意味着购买了版权,文档只能用于自身使用,不得用于其他商业用途(如 [转卖]进行直接盈利或[编辑后售卖]进行间接盈利)。
2、本站所有内容均由合作方或网友上传,本站不对文档的完整性、权威性及其观点立场正确性做任何保证或承诺!文档内容仅供研究参考,付费前请自行鉴别。
3、如文档内容存在违规,或者侵犯商业秘密、侵犯著作权等,请点击“违规举报”。

碎片内容

亿安时动力锂电池生产线电芯生产线设备清单

确认删除?
VIP
微信客服
  • 扫码咨询
会员Q群
  • 会员专属群点击这里加入QQ群
客服邮箱
回到顶部