电脑桌面
添加小米粒文库到电脑桌面
安装后可以在桌面快捷访问

全套桥梁加固维修技术交底

全套桥梁加固维修技术交底_第1页
1/14
全套桥梁加固维修技术交底_第2页
2/14
全套桥梁加固维修技术交底_第3页
3/14
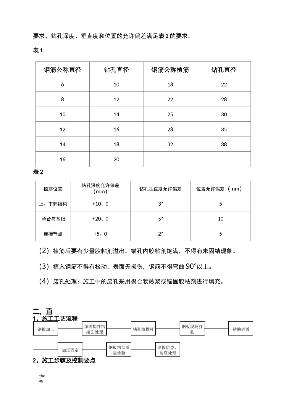
cheng桥梁维修加固技术交底一、种植钢筋1、施工工艺流程2、施工步骤及控制要点(1)定位、钻孔按图纸要求在混凝土表面标明要钻孔的大致位置,再用钢筋探测仪探测上述位置是否有钢筋,若有应适当调整钻孔位置,若没有则在该位置上钻孔。(2)清洁孔壁、钢筋先将压缩空气喷嘴伸入到成孔底部并吹入洁净无油的压缩空气,向外拉出喷嘴,反复 3 次;将硬毛刷插入孔中,往返旋转清刷 3 次;再将喷嘴伸入孔底部吹气,向外拉出喷嘴,反复 3 次;对要植入的钢筋(或螺杆)上锈迹、油污进行除锈与清理;植筋前用丙酮擦拭孔壁、孔底和植入的钢筋(或螺杆)。(3)植筋采用专用灌注器或注射器将植筋胶粘剂灌注到孔中,灌注量一般为孔深的 2/3,注入胶粘剂后立即单向旋转插入钢筋,直至达到设计深度,并保证植入的钢筋与孔壁间隙基本均匀,校正钢筋的位置和垂直度。(4)静置固化胶粘剂完全固化前,不得触动或振动已植钢筋。3、质量验收(1)钻孔要求钻孔直径满足表 1 要求,直径允许偏差为+2mm、-1mm;孑 L 深满足设计cheng要求,钻孔深度、垂直度和位置的允许偏差满足表 2 的要求。表 1钢筋公称直径钻孔直径钢筋公称植筋钻孔直径610182281222281014253012162835141832381620表 2植筋位置钻孔深度允许偏差(mm)钻孔垂直度允许偏差位置允许偏差(mm)上、下部结构+10、03°5承台与基础+20、05°10连接节点+5、02°5(2)植筋后要有少量胶粘剂溢出,锚孔内胶粘剂饱满,不得有未固结现象。(3)植入钢筋不得有松动,表面无损伤,钢筋不得弯曲 90°以上。(4)废孔处理:施工中的废孔采用聚合物砂浆或锚固胶粘剂进行填充。1、施工工艺流程2、施工步骤及控制要点cheng(1)钢板加工钢板一般由工厂加工制作,切割后的钢板边缘应平顺、光滑、无毛刺、缺口等缺陷。运至现场后进行除锈和粗糙处理。其方法:用电动磨光机反复打磨粘贴面,至露出金属光泽,再用平砂轮打磨拉毛处理,纹道与钢板受力方向垂直。(2)加固构件粘结处理① 在粘贴钢板位置用平砂轮将混凝土表面打磨去掉 2-3mm 厚表面。② 结合面的粗糙处理:可采用 1.5kg-2.5kg 的尖头錾石花锤,在混凝土结合面上錾出麻点,形成点深约 3mm、点数为 600 点/m2-800 点/m2的均匀分布;也可錾成 4mm-5mm、间距约 30mm 的梅花形分布;也可采用砂轮机垂直于钢板粘贴的方向,在混凝土结合面上打出纹深为 3-4mm、间距约 50mm 的横向纹路。③ 若结合面混凝土坑槽较深(超过 4mm),有较大...

1、当您付费下载文档后,您只拥有了使用权限,并不意味着购买了版权,文档只能用于自身使用,不得用于其他商业用途(如 [转卖]进行直接盈利或[编辑后售卖]进行间接盈利)。
2、本站所有内容均由合作方或网友上传,本站不对文档的完整性、权威性及其观点立场正确性做任何保证或承诺!文档内容仅供研究参考,付费前请自行鉴别。
3、如文档内容存在违规,或者侵犯商业秘密、侵犯著作权等,请点击“违规举报”。

碎片内容

全套桥梁加固维修技术交底

wxg+ 关注
实名认证
内容提供者

该用户很懒,什么也没介绍

确认删除?
VIP
微信客服
  • 扫码咨询
会员Q群
  • 会员专属群点击这里加入QQ群
客服邮箱
回到顶部