电脑桌面
添加小米粒文库到电脑桌面
安装后可以在桌面快捷访问

涂料防水隐蔽讲解

涂料防水隐蔽讲解_第1页
1/16
涂料防水隐蔽讲解_第2页
2/16
涂料防水隐蔽讲解_第3页
3/16
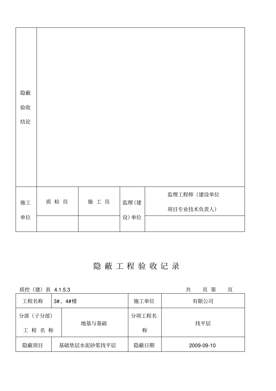
隐 蔽 工 程 验 收 记 录质控(建)表 4.1.5.3 共页 第页工程名称安置房 3#、4#楼施工单位有限公司分部(子分部)工 程 名 称地基与基础分项工程名称混凝土隐蔽项目基础垫层混凝土隐蔽日期2009-09-10 隐蔽内容基础垫层混凝土施工单位检查情况经检查,基础轴线尺寸、标高、截面尺寸等均符合设计要求和规范规定;外观无蜂窝、麻面等质量缺陷,观感质量一般。隐蔽验收结论施工单位质 检 员施 工 员监理(建设)单位监理工程师(建设单位项目专业技术负责人)隐 蔽 工 程 验 收 记 录质控(建)表 4.1.5.3 共页 第页工程名称3#、4#楼施工单位有限公司分部(子分部)工 程 名 称地基与基础分项工程名称找平层隐蔽项目基础垫层水泥砂浆找平层隐蔽日期2009-09-10 隐蔽内容基础垫层水泥砂浆找平层配合比、厚度及施工工艺。施工单位检查情况20 厚水泥砂浆找平层配合比为1:2.5,按规范要求压光找平。无酥松、起砂、起皮等现象。隐蔽验收结论施工单位质 检 员施 工 员监理(建设)单位监理工程师(建设单位项目专业技术负责人)隐 蔽 工 程 验 收 记 录质控(建)表4.1.5.3 共页第页工程名称3#、4#楼施工单位有限公司分部(子分部)工 程 名 称基础防水子分部分项工程名称涂料防水层隐蔽项目3#、4#楼基础垫层涂料防水层隐蔽日期2009-09-14 隐蔽内容3#、4#楼基础垫层涂料防水层的遍数及材料。施工单位检查情况基层无酥松、起砂、起皮等现象;涂料防水施工前先将基面洒水湿润或稀释涂料刷第一遍,防水层的遍数为3 遍、平均厚度为2. 0mm,最小厚度经现场实测为1.9mm,符合规范要求。涂层无裂纹、皱折、流淌、鼓泡现象。隐蔽验收结论施工单位质 检 员施 工 员监理(建设)单位监理工程师(建设单位项目专业技术负责人)隐 蔽 工 程 验 收 记 录质控(建)表4.1.5.3 共页第页工程名称3#、4#楼施工单位有限公司分部(子分部)工 程 名 称地下防水子分部工程分项工程名称卷材防水层隐蔽项目3#、4#楼基础垫层卷材防水层隐蔽日期2009-09-18 隐蔽内容1)防水卷材的型号、规格、质量;2)3 厚 SBS改性沥青卷材防水层的施工工艺;施工单位检查情况1、所用防水材料为玻纤胎3 ㎜厚铝面弹性体改性沥青防水卷材,有产品出厂合格证及检测报告,进场复验合格,检验报告编号:RF30900126;2、改性沥青卷材防水层采用满贴法,两幅卷材短边和长边的搭接宽度均符合规范规定要求,搭接缝粘接牢固,密封严密...

1、当您付费下载文档后,您只拥有了使用权限,并不意味着购买了版权,文档只能用于自身使用,不得用于其他商业用途(如 [转卖]进行直接盈利或[编辑后售卖]进行间接盈利)。
2、本站所有内容均由合作方或网友上传,本站不对文档的完整性、权威性及其观点立场正确性做任何保证或承诺!文档内容仅供研究参考,付费前请自行鉴别。
3、如文档内容存在违规,或者侵犯商业秘密、侵犯著作权等,请点击“违规举报”。

碎片内容

涂料防水隐蔽讲解

您可能关注的文档

确认删除?
VIP
微信客服
  • 扫码咨询
会员Q群
  • 会员专属群点击这里加入QQ群
客服邮箱
回到顶部