电脑桌面
添加小米粒文库到电脑桌面
安装后可以在桌面快捷访问

液压传动系统大作业

液压传动系统大作业_第1页
1/7
液压传动系统大作业_第2页
2/7
液压传动系统大作业_第3页
3/7
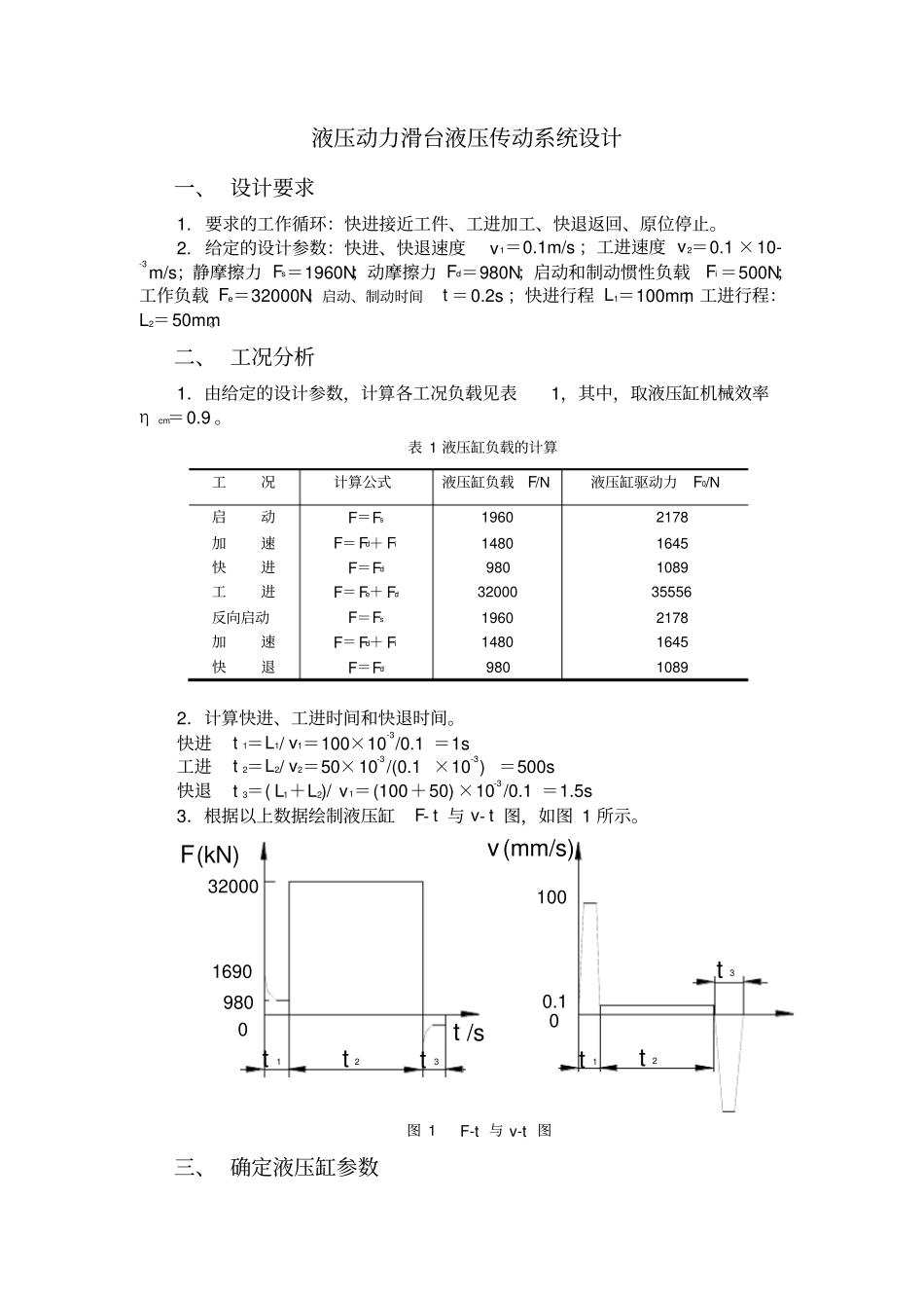
题目:液压动力滑台液压传动系统设计学院:机电工程学院班级:姓名: Afan学号:液压动力滑台液压传动系统设计一、 设计要求1. 要求的工作循环:快进接近工件、工进加工、快退返回、原位停止。2. 给定的设计参数:快进、快退速度v1=0.1m/s ;工进速度 v2=0.1 ×10--3m/s;静摩擦力 Fs=1960N;动摩擦力 Fd=980N;启动和制动惯性负载Fi =500N;工作负载 Fe=32000N;启动、制动时间t =0.2s ;快进行程 L1=100mm;工进行程:L2=50mm。二、 工况分析1.由给定的设计参数,计算各工况负载见表1,其中,取液压缸机械效率ηcm=0.9 。表 1 液压缸负载的计算工况计算公式液压缸负载F/N液压缸驱动力F0/N启动加速快进工进反向启动加速快退F=FsF=Fd+ FiF=FdF=Fe+ FdF=FsF=Fd+ FiF=Fd196014809803200019601480980217816451089355562178164510892.计算快进、工进时间和快退时间。快进t 1=L1/ v1=100×10-3/0.1 =1s工进t 2=L2/ v2=50×10-3/(0.1 ×10-3) =500s快退t 3=( L1+L2)/ v1=(100+50) ×10-3/0.1 =1.5s3.根据以上数据绘制液压缸F- t 与 v- t 图,如图 1 所示。F(kN)v(mm/s)980169032000t /s1000.1t1t 2t3t 1t 2t 300图 1 F-t 与 v-t 图三、 确定液压缸参数1.初选液压缸工作压力。由工况分析可知,工进阶段的负载最大,所以液压缸的工作压力按此负载计算。查找资料[1] 表 7-2 ,选 p1=4MPa。为防止工进时突然发生前冲现象,液压缸回油箱应有背压,查找资料[1] 表 7-3 ,选背压p2=0.8MPa。为使快进快退速度相等,选用A1=2A2 差动油缸。液压缸快进和快退时油管中压力损失设为Δ p=0.5MPa。2.计算液压缸尺寸。4221cm123200099 10m99cm110.9(40.8)22FApp则液压缸缸筒直径144 9911.2cmAD查找 [2] 表 42.4-2 ,取标准直径D=110mm因为 A1=A2,所以80mm2Dd则液压缸有效面积为22211195mm44DA222222()(118 )44.8mm44DdA3.液压缸工况计算。液压缸在工作循环中各阶段压力、流量和功率的计算结果见表 2。绘制液压缸工况图,如图2 所示。表 2 各工况下的主要参数值工况液压缸推力F0/N回油腔压力p2/MPa进油腔压力p1/MPa输入流量q/L ·s-1输入功率P/kW计算公式快快进启动2178——0.88————p1=0212FApAAq=Av1P=p1q加速16451.270.77————恒速10891.160.660.50.33工进355560.84.129.5 ×10-43.9 ×10-3p1=0221Fp AAq=A1v2P=p1q的快退起动2178—...

1、当您付费下载文档后,您只拥有了使用权限,并不意味着购买了版权,文档只能用于自身使用,不得用于其他商业用途(如 [转卖]进行直接盈利或[编辑后售卖]进行间接盈利)。
2、本站所有内容均由合作方或网友上传,本站不对文档的完整性、权威性及其观点立场正确性做任何保证或承诺!文档内容仅供研究参考,付费前请自行鉴别。
3、如文档内容存在违规,或者侵犯商业秘密、侵犯著作权等,请点击“违规举报”。

碎片内容

液压传动系统大作业

文库响当当+ 关注
实名认证
内容提供者

该用户很懒,什么也没介绍

确认删除?
VIP
微信客服
  • 扫码咨询
会员Q群
  • 会员专属群点击这里加入QQ群
客服邮箱
回到顶部