电脑桌面
添加小米粒文库到电脑桌面
安装后可以在桌面快捷访问

涵洞分项自检资料

涵洞分项自检资料_第1页
1/8
涵洞分项自检资料_第2页
2/8
涵洞分项自检资料_第3页
3/8
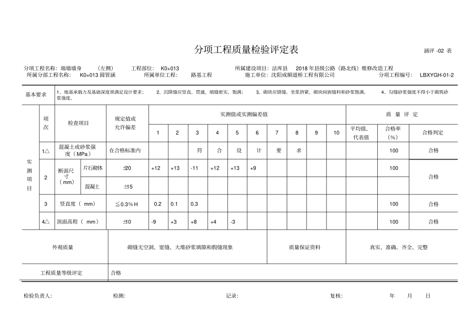
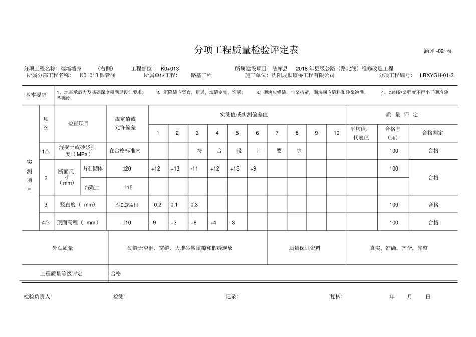
分项工程质量检验评定表涵评 -03 表分项工程名称:混凝土涵管安装工程部位: K0+013 所属建设项目:法库县2018 年县级公路(路北线)维修改造工程所属分部工程名称:K0+013 圆管涵所属单位工程:路基工程施工单位:沈阳成顺道桥工程有限公司分项工程编号:LBXYGH-01-1 检验负责人:检测:记录:复核:年月日基本要求1、地基承载力须满足设计要求,涵管与管座、垫层或地基紧密贴合,垫稳坐实;2、接缝、沉降缝填料应嵌填密实;3、不得安装破损的涵管4、管座沉降缝应与涵管接头平齐,无错位现象; 5、每节管底坡度均不得出现反坡;6、要求防渗漏的倒虹吸涵管须做渗漏试验,渗漏量应满足相关技术规范的规定。实测项目项次检查项目规定值或允许偏差实测值或实测偏差值质 量 评 定1 2 3 4 5 6 7 8 9 10 平均值、代表值合格率(%)合格判定1△管座或垫层混凝土强度(MPa)在合格标准内符合设计要求100 合格2 管座或垫层宽度、厚度(mm) ≥设计值+2 +3 +10 +12 +8 +12 +4 +5 +6 +7 100 合格3 相邻管节底面错台(mm)管径≤1m ≦3 合格管径>1m ≦5 +3 -2 +4 +3 +6 80 合计合格外观质量1、 涵管线性没有出现反复弯折;2、 接缝没有出现脱落、间断、空鼓现象。质量保证资料真实、准确、齐全、完整工程质量等级评定合格分项工程质量检验评定表涵评 -02 表分项工程名称:端墙墙身(左侧)工程部位: K0+013 所属建设项目:法库县2018 年县级公路(路北线)维修改造工程所属分部工程名称:K0+013 圆管涵所属单位工程:路基工程施工单位:沈阳成顺道桥工程有限公司分项工程编号:LBXYGH-01-2 检验负责人:检测:记录:复核:年月日基本要求1、地基承载力及基础深度须满足设计要求;2、沉降缝应竖直、贯通,填缝密实、饱满;3、砌块应错缝、坐浆挤紧,砌块间嵌缝料和砂浆饱满。4、勾缝砂浆强度不得小于砌筑砂浆强度。实测项目项次检查项目规定值或允许偏差实测值或实测偏差值质 量 评 定1 2 3 4 5 6 7 8 9 10 平均值、代表值合格率(%)合格判定1△混凝土或砂浆强度( MPa)在合格标准内符合设计要求100 合格2 断面尺寸( mm)片石砌体±20 +12 +13 -11 +12 +13 +9 100 合格混凝土±15 3 竖直度( mm)≦0.3%H 0.2 0.1 0.3 100 合格4△顶面高程( mm)±10 -9 +3 +8 +4 -3 100 合格外观质量砌缝无空洞、宽缝、大堆砂浆填隙和假缝现象质量保证资料真实、准确...

1、当您付费下载文档后,您只拥有了使用权限,并不意味着购买了版权,文档只能用于自身使用,不得用于其他商业用途(如 [转卖]进行直接盈利或[编辑后售卖]进行间接盈利)。
2、本站所有内容均由合作方或网友上传,本站不对文档的完整性、权威性及其观点立场正确性做任何保证或承诺!文档内容仅供研究参考,付费前请自行鉴别。
3、如文档内容存在违规,或者侵犯商业秘密、侵犯著作权等,请点击“违规举报”。

碎片内容

涵洞分项自检资料

确认删除?
VIP
微信客服
  • 扫码咨询
会员Q群
  • 会员专属群点击这里加入QQ群
客服邮箱
回到顶部