电脑桌面
添加小米粒文库到电脑桌面
安装后可以在桌面快捷访问

深基坑喷锚支护施工技术

深基坑喷锚支护施工技术_第1页
1/6
深基坑喷锚支护施工技术_第2页
2/6
深基坑喷锚支护施工技术_第3页
3/6
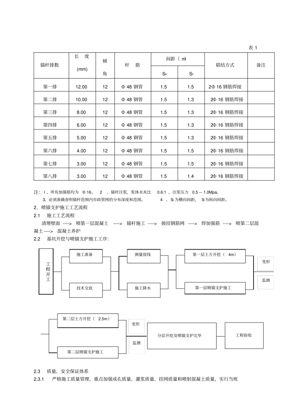
深基坑喷锚支护施工技术摘 要本文以 *** 污水处理厂提升泵房深基础为例,介绍了小场地、深基础喷锚支护施工技术的理论依据和施工方法。关 键 词小场地深基础喷锚支护施工技术1概述喷锚支护是混凝土支护、锚杆支护、喷混凝土锚杆支护、喷混凝土锚杆钢筋网支护和喷混凝土锚杆钢拱架支护等支护形式的统称。喷锚支护是把岩体视为粘性、弹性、塑性等物理性质的连续介质,同时利用岩体中开挖洞室后产生的时间效应的动态特性适时支护,发挥围岩的自乘能力,增加围岩的稳定性。在小场地、深基坑施工中实施喷锚支护施工技术对施工单位来讲不矢为一个好办法。1.1 工程概况 ***污水处理厂工程,位于成都市跳蹬河北路,与四川制药厂、成都市火电厂相邻。提升泵房、粗格栅、细格栅、曝气沉砂池位于一期工程的南边。其中提升泵房基础地板设计标高为-12 . 4m,周围无已建建筑物;该构筑物位于城区,施工场地狭窄,基坑开挖深度较大,必须采用有效的支护措施以稳定基坑壁,确保提升泵房施工基坑的安全。1.2 工程地质情况施工区域属岷江水系I 级阶地,地形平坦,根据** 省地质勘察院提供的《*** 污水处理厂岩土工程勘查报告》,场地的地层自上而下主要为:(1) 杂填土:结构性差,质地疏松,层厚约0.80 ~3.20m:(2) 粘土:可塑~硬塑,层厚约0.30 ~6.20m:(3) 粉土:稍密,层厚约0.50 ~3.20m:(4) 卵石:松散~稍密、密实,底板埋深在494.09 — 492.06m。拟建场地地下水为孔隙潜水,第四纪卵石层为主要含水层,河水及大气降水为主要补给源,勘察期间测得该场地地下水静止水位埋深为5.10 一 7.00m。本场地内地下水渗透系数采用k=20m/ d。1.3 采取方案根据场地地质资料、基坑开挖深度、场地周围环境条件以及工期的要求,基坑支护采用喷锚支护的方案。1.4 基坑喷锚支护1.4.1 喷锚支护设计依据本工程依据以下文件和工程经验进行设计( 1)《锚杆喷射混疑土支护技术规范》(GBJ86— 85) ( 2)《土层锚杆设计与施工规范》(CECS 22-90) ( 3)《*** 污水处理厂岩土工程勘察报告》( 4)** 地区喷锚支护工程经验。1.4.2 喷锚支护的可行性喷锚支护是以新奥法为理论基础。在开挖形成的坑壁中,设置一定长度和密度的锚杆体,锚杆体与喷射混凝土层结构形成柔性支挡体系。挡土体系与坑壁原位土体牢固的结合在一起共同工作,形成在机理上属于主动制约机制支护类型。1.4.3 喷锚支护设计概要本工程于基坑东西侧设计为喷锚支护,喷锚支护...

1、当您付费下载文档后,您只拥有了使用权限,并不意味着购买了版权,文档只能用于自身使用,不得用于其他商业用途(如 [转卖]进行直接盈利或[编辑后售卖]进行间接盈利)。
2、本站所有内容均由合作方或网友上传,本站不对文档的完整性、权威性及其观点立场正确性做任何保证或承诺!文档内容仅供研究参考,付费前请自行鉴别。
3、如文档内容存在违规,或者侵犯商业秘密、侵犯著作权等,请点击“违规举报”。

碎片内容

深基坑喷锚支护施工技术

确认删除?
VIP
微信客服
  • 扫码咨询
会员Q群
  • 会员专属群点击这里加入QQ群
客服邮箱
回到顶部