电脑桌面
添加小米粒文库到电脑桌面
安装后可以在桌面快捷访问

混凝土膨胀剂标准及规范

混凝土膨胀剂标准及规范_第1页
1/19
混凝土膨胀剂标准及规范_第2页
2/19
混凝土膨胀剂标准及规范_第3页
3/19
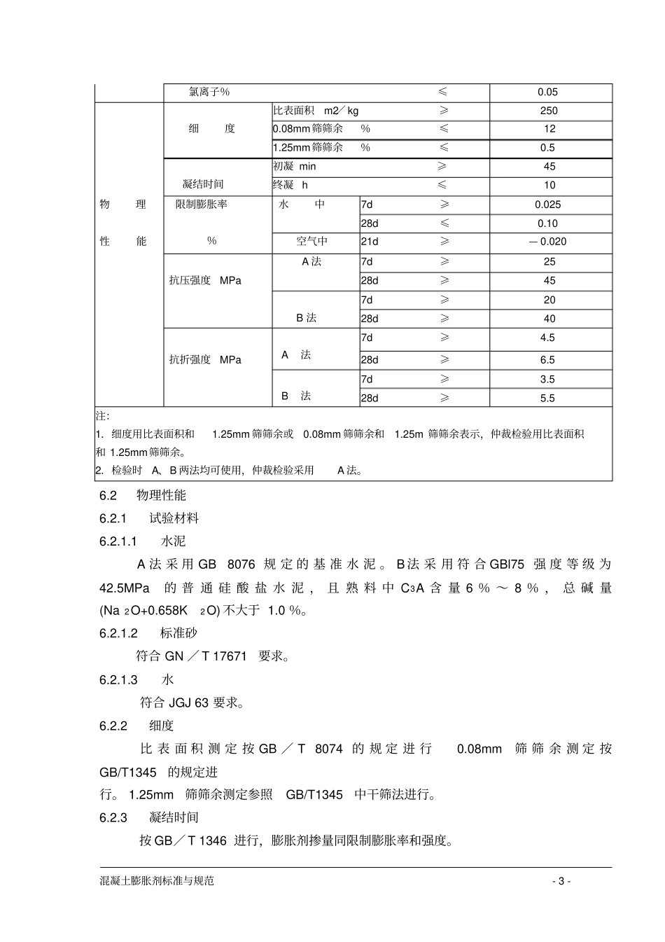
混凝土膨胀剂标准与规范- 1 - 混凝土膨胀剂标准及规范中华人民共和国建材行业标准JC476——2001 代替JC476— 1998 混 凝 土 膨 胀 剂ExpansiVe agents for concrete 1范围本标准规定了混凝土膨胀剂的定义、技术要求、试验方法、检验规则及包装、标志、运输和贮存。本标准适用于硫铝酸钙类、硫铝酸钙—氧化钙类与氧化钙类粉状混凝土膨胀剂。2 引用标准下列标准包含的条文,通过在本标准中引用而构成本标准的条文。在标准出版时,所示版本均为有效。所有标准都会被修订,使用本标准的各方应探讨使用下列标准最新版本的可能性。GB 175—1999 硅酸盐水泥、普通硅酸盐水泥GB/T176— 1996 水泥化学分析方法(eqvISO680:1990) GB/T1345— 1991 水泥细度检验方法(80μm 筛筛析法) GB/T1346— 1989 水泥标准稠度用水量、凝结时间、安定性检验方法(neq ISO/DIS9597) GB4357——1989 碳素弹簧钢丝GB/T8074— 1987 水泥比表面积测定方法(勃氏法) GB8076——1997 混凝土外加剂GB/T12573— 1990 水泥取样方法GB/T17671— 1999 水泥胶砂强度检验方法(1SO法) JC/T 420— 1991 水泥原料中氯的化学分析方法混凝土膨胀剂标准与规范- 2 - JC477—1992(1996) 喷射混凝土用速凝剂JCJ 63— 1989 混凝土拌和用水标准3 定义混凝土膨胀剂是指与水泥、水拌和后经水化反应生成钙矾石、钙矾石和氢氧化钙或氢氧化钙,使混凝土产生膨胀的外加剂。4 分类混凝土膨胀剂分为三类。4.1 硫铝酸钙类混凝土膨胀剂是指与水泥、水拌和后经水化反应生成钙矾石的混凝土膨胀剂。4.2 硫铝酸钙一氧化钙类混凝土膨胀剂是指与水泥、水拌和后经水化反应生成钙矾石和氢氧化钙的混凝土膨胀剂。4.3 氧化钙类混凝土膨胀剂是指与水泥、水拌和后经水化反应生成氢氧化钙的混凝土膨胀剂。5 技术要求混凝土膨胀剂性能指标应符合表1 规定。6 试验方法6.1 化学成分6.1.1 氧化镁、总碱量---- 按 GB/T 176 进行。6.1.2 含水率 ---- 按 JC 477 进行。6.1.3 氯离子 ---- 按 JC/ T420 进行。表 1 混凝土膨胀剂性能指标项目指标值氧化镁%≤5.0化学含水率%≤3.0成分总碱量%≤0.75混凝土膨胀剂标准与规范- 3 - 氯离子%≤0.05比表面积m2/ kg ≥250细度0.08mm筛筛余%≤121.25mm筛筛余%≤0.5凝结时间初凝 min ≥45终凝 h ≤10物理限制膨胀率水中7d ≥0.025%28d ≤0.10性能空气中21d ≥— 0.020A 法7d ≥25抗...

1、当您付费下载文档后,您只拥有了使用权限,并不意味着购买了版权,文档只能用于自身使用,不得用于其他商业用途(如 [转卖]进行直接盈利或[编辑后售卖]进行间接盈利)。
2、本站所有内容均由合作方或网友上传,本站不对文档的完整性、权威性及其观点立场正确性做任何保证或承诺!文档内容仅供研究参考,付费前请自行鉴别。
3、如文档内容存在违规,或者侵犯商业秘密、侵犯著作权等,请点击“违规举报”。

碎片内容

混凝土膨胀剂标准及规范

确认删除?
VIP
微信客服
  • 扫码咨询
会员Q群
  • 会员专属群点击这里加入QQ群
客服邮箱
回到顶部