电脑桌面
添加小米粒文库到电脑桌面
安装后可以在桌面快捷访问

力学性能检验通用规程

力学性能检验通用规程_第1页
1/35
力学性能检验通用规程_第2页
2/35
力学性能检验通用规程_第3页
3/35
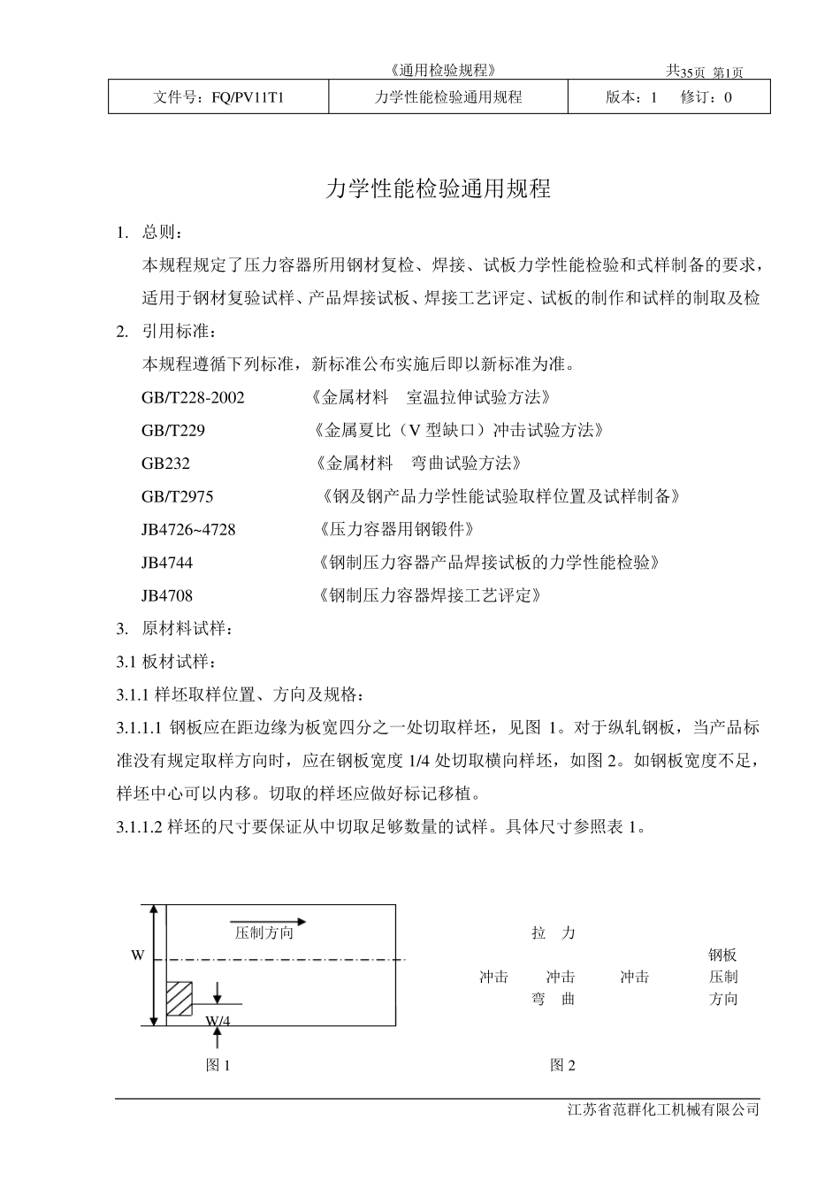
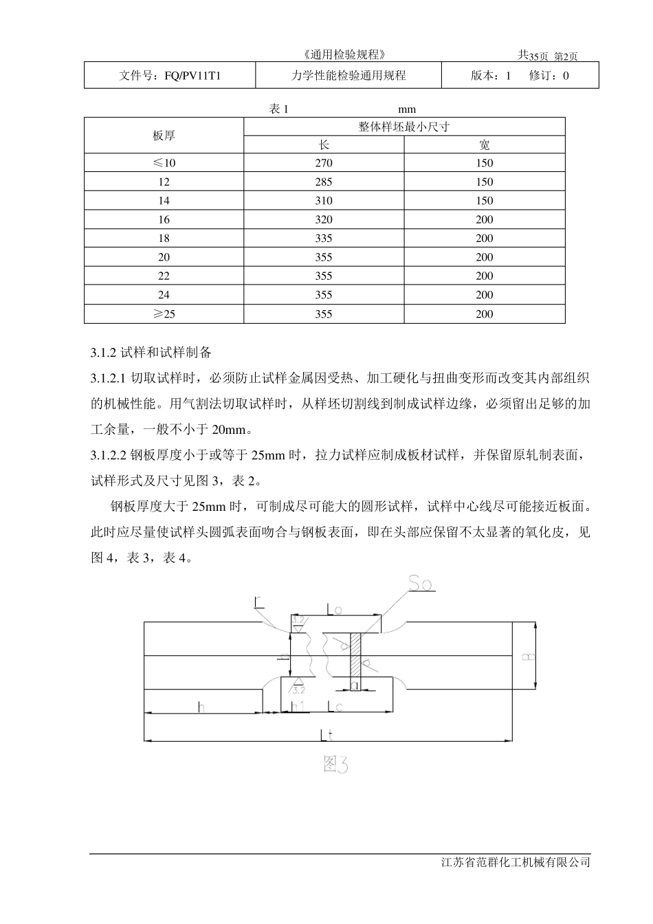
《通用检验规程》 共35页 第1页 文件号:FQ/PV11T1 力学性能检验通用规程 版本:1 修订:0 江苏省范群化工机械有限公司 力学性能检验通用规程 1. 总则: 本规程规定了压力容器所用钢材复检、焊接、试板力学性能检验和式样制备的要求,适用于钢材复验试样、产品焊接试板、焊接工艺评定、试板的制作和试样的制取及检 2. 引用标准: 本规程遵循下列标准,新标准公布实施后即以新标准为准。 GB/T228-2002 《金属材料 室温拉伸试验方法》 GB/T229 《金属夏比(V 型缺口)冲击试验方法》 GB232 《金属材料 弯曲试验方法》 GB/T2975 《钢及钢产品力学性能试验取样位置及试样制备》 JB4726~4728 《压力容器用钢锻件》 JB4744 《钢制压力容器产品焊接试板的力学性能检验》 JB4708 《钢制压力容器焊接工艺评定》 3. 原材料试样: 3.1 板材试样: 3.1.1 样坯取样位置、方向及规格: 3.1.1.1 钢板应在距边缘为板宽四分之一处切取样坯,见图 1。对于纵轧钢板,当产品标准没有规定取样方向时,应在钢板宽度 1/4 处切取横向样坯,如图 2。如钢板宽度不足,样坯中心可以内移。切取的样坯应做好标记移植。 3.1.1.2 样坯的尺寸要保证从中切取足够数量的试样。具体尺寸参照表 1。 压制方向 拉 力 W 钢板 冲击 冲击 冲击 压制 弯 曲 方向 W/4 图 1 图 2 《通用检验规程》 共35页 第2页 文件号:FQ/PV11T1 力学性能检验通用规程 版本:1 修订:0 江苏省范群化工机械有限公司 表1 mm 板厚 整体样坯最小尺寸 长 宽 ≤10 270 150 12 285 150 14 310 150 16 320 200 18 335 200 20 355 200 22 355 200 24 355 200 ≥25 355 200 3.1.2 试样和试样制备 3.1.2.1 切取试样时,必须防止试样金属因受热、加工硬化与扭曲变形而改变其内部组织的机械性能。用气割法切取试样时,从样坯切割线到制成试样边缘,必须留出足够的加工余量,一般不小于 20mm。 3.1.2.2 钢板厚度小于或等于 25mm 时,拉力试样应制成板材试样,并保留原轧制表面,试样形式及尺寸见图 3,表2。 钢板厚度大于 25mm 时,可制成尽可能大的圆形试样,试样中心线尽可能接近板面。此时应尽量使试样头圆弧表面吻合与钢板表面,即在头部应保留不太显著的氧化皮,见图 4,表3,表4。 《通用检验规程》 共35页 第3页 文件号:FQ/PV11T1 力学性能检验通用规程 版本:1 修订:0 江苏省范群...

1、当您付费下载文档后,您只拥有了使用权限,并不意味着购买了版权,文档只能用于自身使用,不得用于其他商业用途(如 [转卖]进行直接盈利或[编辑后售卖]进行间接盈利)。
2、本站所有内容均由合作方或网友上传,本站不对文档的完整性、权威性及其观点立场正确性做任何保证或承诺!文档内容仅供研究参考,付费前请自行鉴别。
3、如文档内容存在违规,或者侵犯商业秘密、侵犯著作权等,请点击“违规举报”。

碎片内容

力学性能检验通用规程

您可能关注的文档

小辰8+ 关注
实名认证
内容提供者

出售各种资料和文档

确认删除?
VIP
微信客服
  • 扫码咨询
会员Q群
  • 会员专属群点击这里加入QQ群
客服邮箱
回到顶部