电脑桌面
添加小米粒文库到电脑桌面
安装后可以在桌面快捷访问

漆包线进厂检验规范

漆包线进厂检验规范_第1页
1/7
漆包线进厂检验规范_第2页
2/7
漆包线进厂检验规范_第3页
3/7
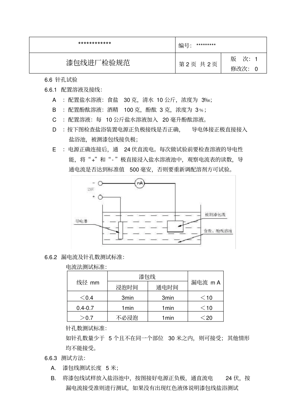
********** 编号: ********* 漆包线进厂检验规范第 1 页 共 2 页版次: 1 修改次: 0 1、适用范围 : 本规范适用于本公司漆包线进货检验;2、目的 : 防止不合格漆包线进厂;3、职责 : 外协检验员负责;4、检验设备:QDS-15KV 漆包线耐压试验仪、 QJ-44 直流电阻电桥、 针孔测试仪、扭绞仪、外径千分尺;5、检验方法:抽检;6、检验规范:6.1 抽样标准 :每批漆包线进厂时每种规格线径各抽一轮进行检验,如一种规格的漆包线有不同批号、时间生产的应分别抽检;6.2 线径测量 :用外径千分尺测量漆包线最大外径和漆膜厚度,其测量结果应附合表 1《漆包线进厂验收标准参数表》的要求;6.3 电阻值测试 :取 1 米漆包线并在线两头刮净绝缘漆膜,将漆包线安装在漆包线电阻测量专用设备上,用QJ-44 直流电阻电桥测量其电阻值,其测量结果应附合表 1《漆包线进厂验收标准参数表》的要求;6.4 耐电压试验 :按照《QDS-15KW漆包线电压试验仪操作规程》 的操作要求对漆包线进行耐电压试验, 其测量结果应附合表1《漆包线进厂验收标准参数表》的要求;6.5 剥离试验 ( 适用于导体标称直径1.000mm以上) :取长度约 600mm的试样一根,将试样固定于扭绞仪的两端,夹具之间的试样长度为500mm,在固定夹具上挂上砝码,使试样受到张力。 用刮刀将试样对称的两个侧面上的漆膜刮去露出导体,施加在刮刀的压力应能使试样漆膜刮除,得到一个清洁、 光滑的表面,而又不宜刮去过多的导体,距离两端夹具10mm处的漆膜不应刮去。转动仪器,按每分钟 60~100 转的速度扭转试样, 直到规定的转数。 转数按下式求得:R=K/d式中 R—试样扭绞数,取整数;d—试样标称直径, mm;K—常数, B 级取130mm,F 级取 150mm。按下表中规定校正试样上的砝码标称直径 (mm) 砝码 N 1KG≈10N 1.00 <d≤1.40 25 N 1.40 <d≤1.80 40 N 1.80 <d≤2.24 60 N 试样经受根据导体标称直径d 计算的转数 R扭转后,漆层应不失去附着性,若漆层脱离金属导线,则判定试样不合格。************ 编号: ********* 漆包线进厂检验规范第 2 页 共 2 页版次: 1 修改次: 0 6.6 针孔试验6.6.1 配置溶液及接线: A:配置盐水溶液:食盐30 克,清水 10 公斤,浓度为 3‰; B:配置酚酞溶液:酒精100 克,酚酞 3 克,浓度为 3﹪; C:配置溶液:每 10 公斤盐水溶液加入20 毫升酚酞溶液。 D:按下图检查盐浴...

1、当您付费下载文档后,您只拥有了使用权限,并不意味着购买了版权,文档只能用于自身使用,不得用于其他商业用途(如 [转卖]进行直接盈利或[编辑后售卖]进行间接盈利)。
2、本站所有内容均由合作方或网友上传,本站不对文档的完整性、权威性及其观点立场正确性做任何保证或承诺!文档内容仅供研究参考,付费前请自行鉴别。
3、如文档内容存在违规,或者侵犯商业秘密、侵犯著作权等,请点击“违规举报”。

碎片内容

漆包线进厂检验规范

确认删除?
VIP
微信客服
  • 扫码咨询
会员Q群
  • 会员专属群点击这里加入QQ群
客服邮箱
回到顶部