电脑桌面
添加小米粒文库到电脑桌面
安装后可以在桌面快捷访问

火力发电厂电气试验室设计标准

火力发电厂电气试验室设计标准_第1页
1/40
火力发电厂电气试验室设计标准_第2页
2/40
火力发电厂电气试验室设计标准_第3页
3/40
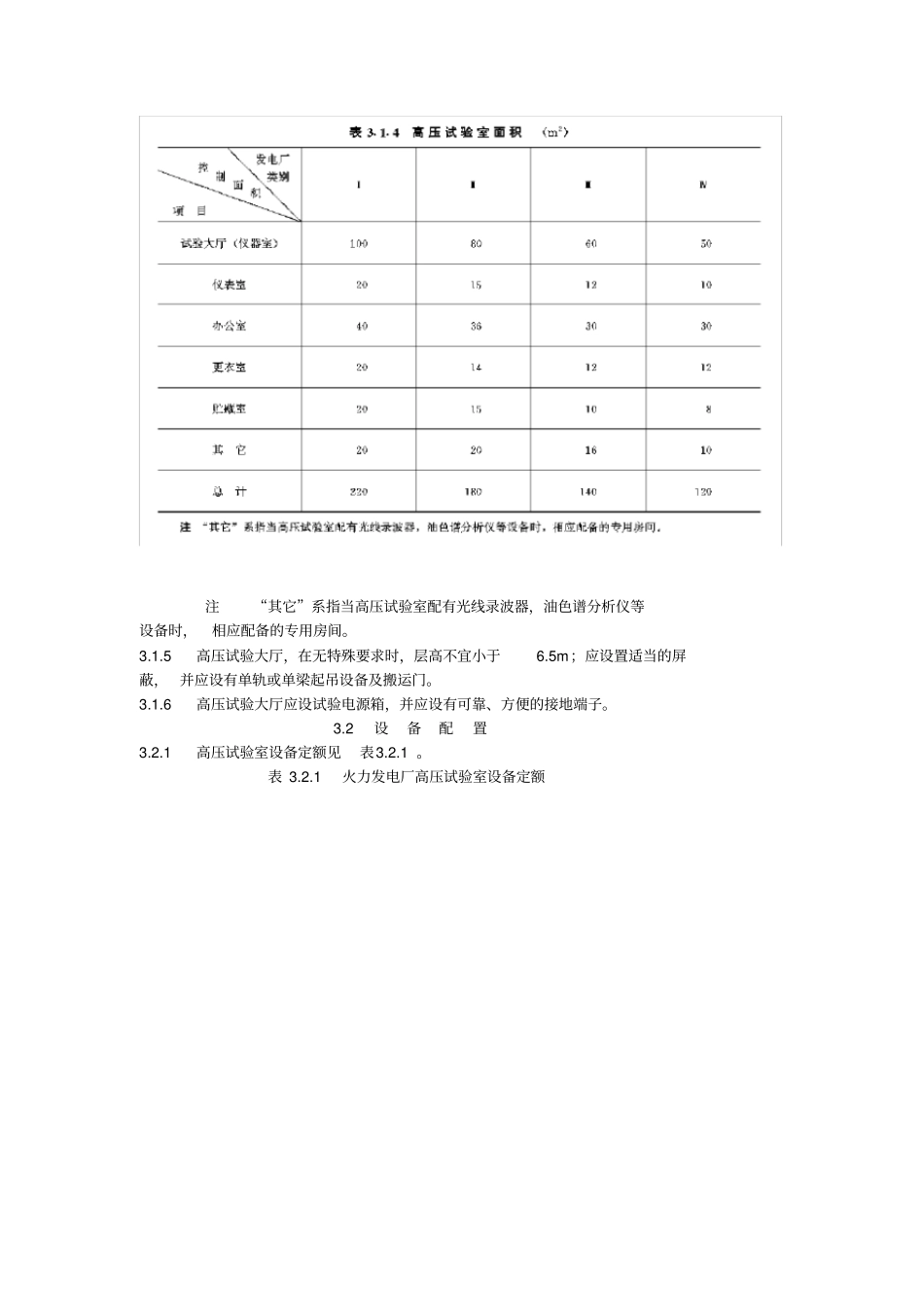
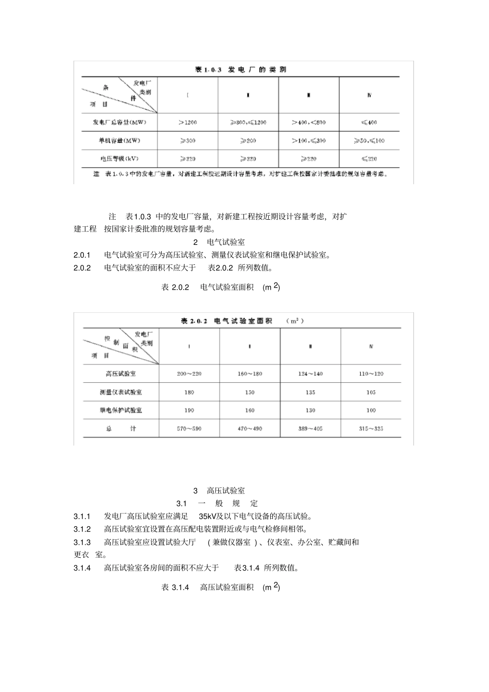
火力发电厂电气试验室设计标准Design Standard for Electrical Laboratory of Thermal Power Plant DL/T 5043 — 95 主编部门:电力工业部东北电力设计院批准部门:电力工业部施行日期: 1995年12月1日关于颁发电力行业标准DL/T 5043 — 95 《火力发电厂电气试验室设计标准》的通知电技[ 1995]506号各电管局,各省、自治区,直辖市电力局,电力规划设计总院,各有关单位:《火力发电厂电气试验室技术标准》等两项电力行业标准,经审查通过,批准为推荐性标准,现予发布。其编号、名称如下:DL/T 5043 — 95 火力发电厂电气试验室设计标准DL/T 5044 — 95 火力发电厂、变电所直流系统设计技术规定以上标准自 1995年12月1日起实施。请将执行中的问题和意见告电力规划设计总院,并抄送部标准化领导小组办公室。中华人民共和国电力工业部1995年8月11日1 总则1.0.1 为贯彻国家的基本建设方针和执行有关技术经济政策,统一火力发电厂( 以下简称发电厂 )电气试验室的设计标准,并贯彻技术先进、经济合理、使用和维护方便的原则,特制订本标准。1.0.2 本标准适用于单机容量为50~600MW新建或扩建的发电厂。1.0.3 本标准将发电厂分为表1.0.3 所列的四类。表 1.0.3 发电厂的类别注表1.0.3 中的发电厂容量,对新建工程按近期设计容量考虑,对扩建工程按国家计委批准的规划容量考虑。2 电气试验室2.0.1 电气试验室可分为高压试验室、测量仪表试验室和继电保护试验室。2.0.2 电气试验室的面积不应大于表2.0.2 所列数值。表 2.0.2 电气试验室面积 (m 2) 3 高压试验室3.1 一般规定3.1.1 发电厂高压试验室应满足35kV及以下电气设备的高压试验。3.1.2 高压试验室宜设置在高压配电装置附近或与电气检修间相邻。3.1.3 高压试验室应设置试验大厅( 兼做仪器室 ) 、仪表室、办公室、贮藏间和更衣 室。3.1.4 高压试验室各房间的面积不应大于表3.1.4 所列数值。表 3.1.4 高压试验室面积 (m 2) 注“其它”系指当高压试验室配有光线录波器,油色谱分析仪等设备时,相应配备的专用房间。3.1.5 高压试验大厅,在无特殊要求时,层高不宜小于6.5m;应设置适当的屏蔽, 并应设有单轨或单梁起吊设备及搬运门。3.1.6 高压试验大厅应设试验电源箱,并应设有可靠、方便的接地端子。3.2 设备配置3.2.1 高压试验室设备定额见表3.2.1 。表 3.2.1 火力发电厂高压试验室设备定额续表 3.2.1 续表 3.2.1 4 测...

1、当您付费下载文档后,您只拥有了使用权限,并不意味着购买了版权,文档只能用于自身使用,不得用于其他商业用途(如 [转卖]进行直接盈利或[编辑后售卖]进行间接盈利)。
2、本站所有内容均由合作方或网友上传,本站不对文档的完整性、权威性及其观点立场正确性做任何保证或承诺!文档内容仅供研究参考,付费前请自行鉴别。
3、如文档内容存在违规,或者侵犯商业秘密、侵犯著作权等,请点击“违规举报”。

碎片内容

火力发电厂电气试验室设计标准

您可能关注的文档

确认删除?
VIP
微信客服
  • 扫码咨询
会员Q群
  • 会员专属群点击这里加入QQ群
客服邮箱
回到顶部